2003 CHEVROLET ASTRO
145,000 MILES
Avatar
ANONYMOUS
  • MEMBER
  • 1 POST
my blower motor does not come on. i checked for power and do not have checked fuse it is good dont know what to check
Feb 13, 2013 at 12:17 AM
Advertisement
Avatar
WRENCHTECH
  • CERTIFIED EXPERT
  • 20,761 POSTS
Check the FRT HVAC fuse (30amp) in the underhood fuse box and if that is good, then you likely have a bad blower resister.
Feb 13, 2013 at 12:29 AM
Avatar
JDL
  • CERTIFIED EXPERT
  • 16,098 POSTS
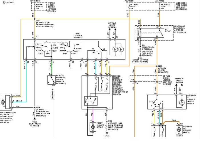
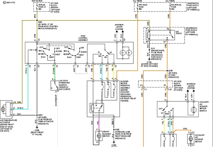
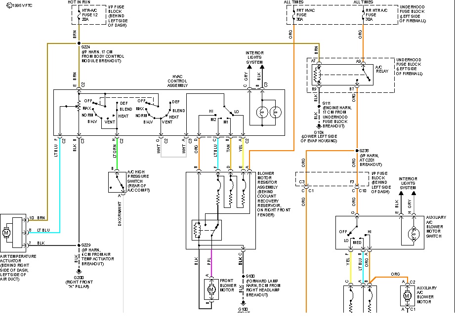
At the front blower, purple wire is voltage. Black is ground. At the top right of diagram that front hvac fuse, is hot all the time. Use a voltage tester, check for voltage at the fuse circuit. That voltage on that circuit is only for high-speed, only. When that relay in the resistor assembly is energized, that line with the arrow head moves to the other terminal, carries voltage to front blower motor. When relay is not energized, you have continuity for lower speeds. Could be problem with resistor assembly?
Feb 13, 2013 at 12:33 AM
Advertisement
Avatar
JDL
  • CERTIFIED EXPERT
  • 16,098 POSTS
Hi wrench, didn't see you, maybe you guys can use diagram.
Feb 13, 2013 at 12:35 AM
Avatar
WRENCHTECH
  • CERTIFIED EXPERT
  • 20,761 POSTS
This is going to have a bad resister.
Feb 13, 2013 at 12:41 AM