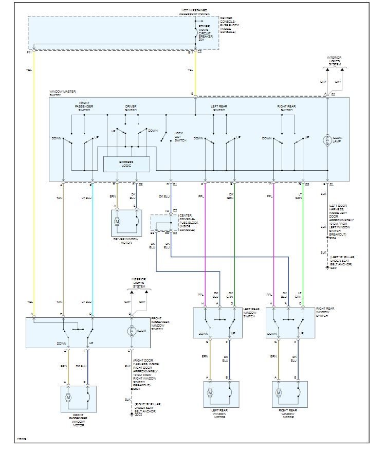
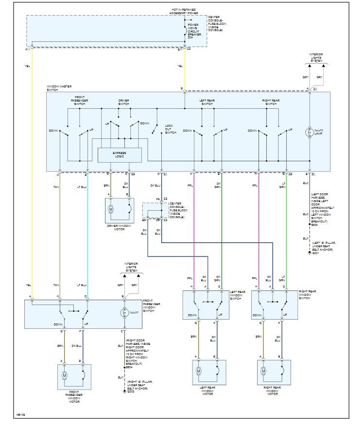
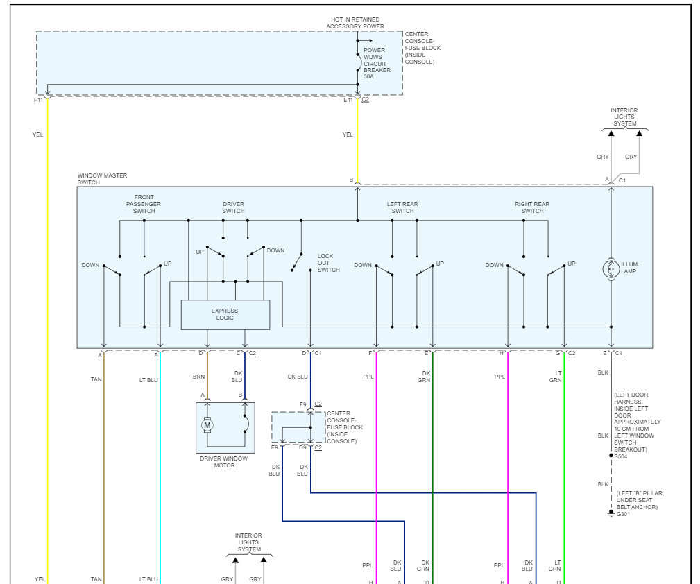
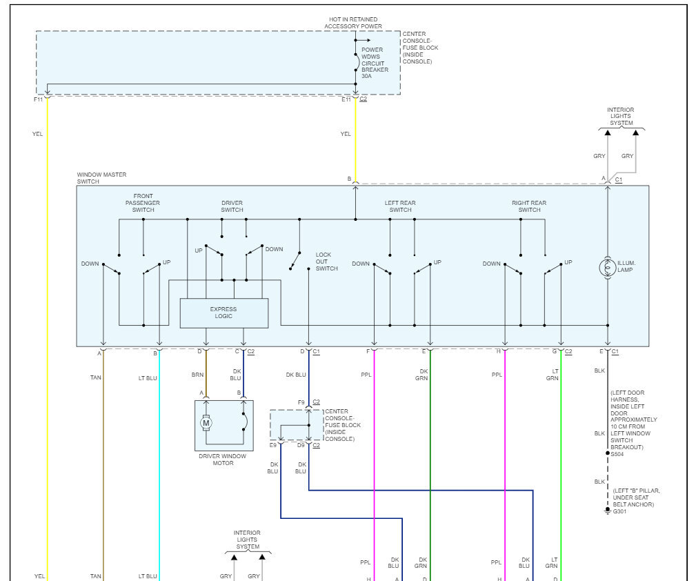
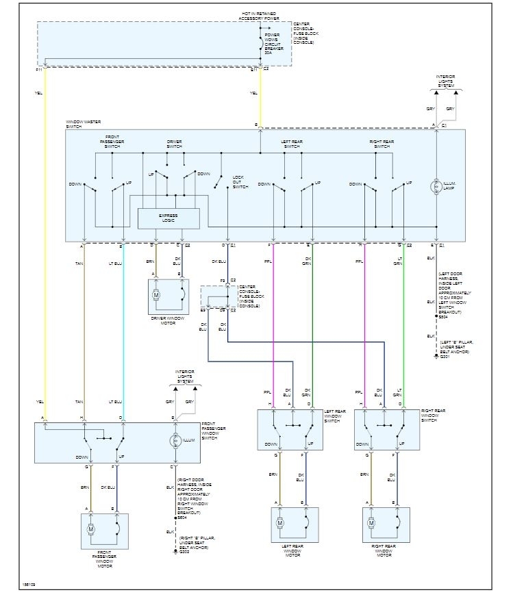
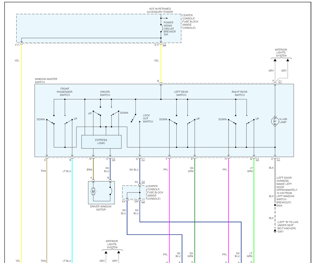
Power windows have quit working. There is no power getting to the window switches and the circuit breaker checks out okay with a multimeter. What to do next?
Mar 15, 2012 at 3:40 AM


