2002 Volkswagen Beetle electrical problems on driver side

2002 VOLKSWAGEN BEETLE
198,000 MILES • 1.9L • 4 CYL • TURBO • FWD • MANUAL
Avatar
BRNDNWHT9
  • MEMBER
  • 2 POSTS
The driver side turn signal went out but eventually came back on. A day later my driver side brake light goes out along with the driver side headlight. The headlight fuse blew but when I changed the fuse it immediately blew again along with an electrical burn smell. Their is no sign of anything that actually burned but now the passenger headlight blinks when I use the right turn signal and doesn't work at all when the headlights are on. Could it be a ground wire? If not a ground what else could it be?
Sep 28, 2014 at 6:15 AM
Advertisement
Avatar
DRCRANKNWRENCH
  • CERTIFIED EXPERT
  • 3,380 POSTS
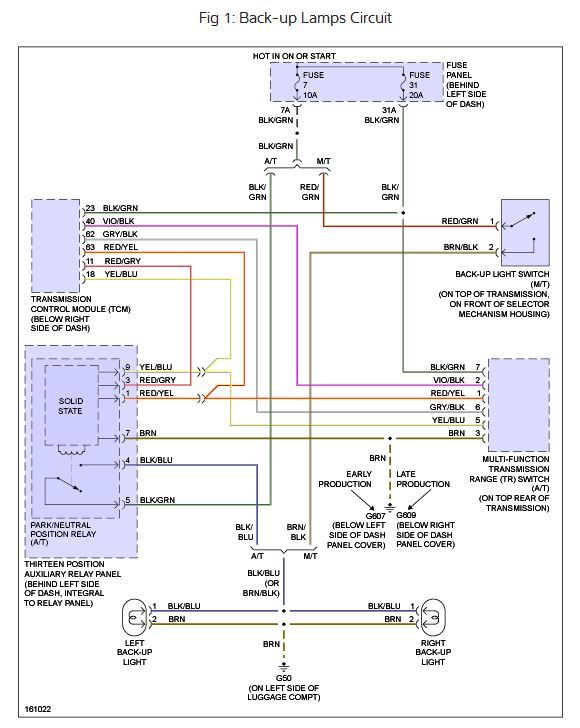
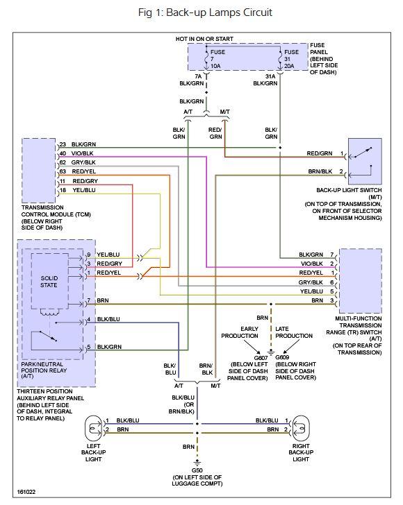
I am giving you the wiring diagrams for the headlight and exterior lights and back up lamps circuits. You probably should trace the grounds. You also want to check the headlight for any water leaks that may have gotten to the bulb.
There might also be a problem with the relay. But check the grounds which have there position in the engine bay indicated on the wiring diagram.
I hope this helps.
Sep 28, 2014 at 7:02 AM
Avatar
BRNDNWHT9
  • MEMBER
  • 2 POSTS
Ive recently noticed that the ground wire inside the wiring harness that sits on top of the battery gets hot. I hear VW has had problems with the alternator wires going bad and melting the wiring harness. Could that cause all my problems I'm having and is their an easy way to test it?
Sep 29, 2014 at 6:07 AM
Advertisement
Avatar
DRCRANKNWRENCH
  • CERTIFIED EXPERT
  • 3,380 POSTS
If that were true I would think you would have more overall electrical issues, You can test the wires fir 12 bolts at the furthest point from the alternator you can get to them. A visual inspection would not hurt either. The best way to load test your alternator is with all the accessories on.
Sep 30, 2014 at 5:14 AM
Avatar
EXOVCDS
  • CERTIFIED EXPERT
  • 1,883 POSTS
I don't think that the signal, brake, headlight issues are related to the fuse nox issue.

Everything in the fuse box on top of the battery is "positive"... yes, bad connections can lead to charging issues and even a fire / the car burns down to the ground (if left unnoticed).

Clean or replace the fuse box.

Thomas
Oct 4, 2014 at 11:43 PM
Avatar
DRCRANKNWRENCH
  • CERTIFIED EXPERT
  • 3,380 POSTS
EXOVCDS is an expert with your car. Take his advice.
Nov 20, 2014 at 6:40 AM