car is smoking and running rough?

2002 TOYOTA AVALON
30,000 MILES • 6 CYL • FWD • AUTOMATIC
Avatar
KENNITH199
  • MEMBER
  • 1 POST
car is smoking and running rough?
Feb 9, 2015 at 7:11 PM
Advertisement
Avatar
HMAC300
  • CERTIFIED EXPERT
  • 48,601 POSTS
scan for codes and check fuel pressure with a gauge first.
Feb 10, 2015 at 6:02 AM
Avatar
STRAILER
  • CERTIFIED EXPERT
  • 53,854 POSTS
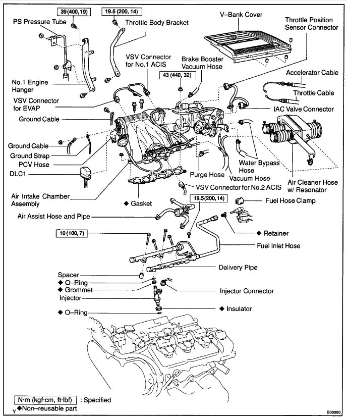
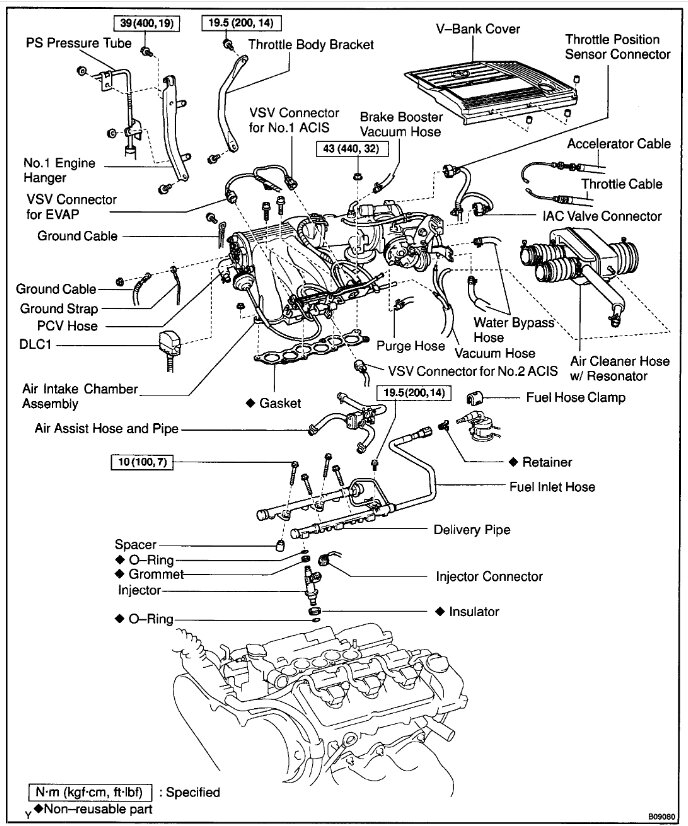
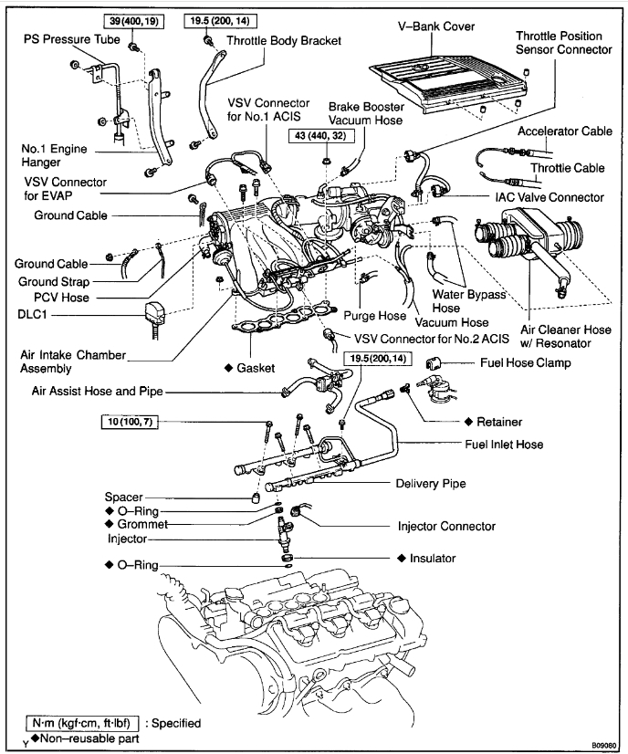
This happens when a fuel injector sticks open, I would remove the spark plugs and look for the cylinder that looks different than the others (wet-black) this will be the cylinder that needs the new fuel injector. here is how to change them out. I would install new spark plugs as well.

Recommended Spark Plugs
DENSO .................... SK20R11
NGK .................... IFR6A11

https://www.2carpros.com/articles/how-to-change-spark-plugs

Please replace the fuel filter as well. Check out the images (below). Please let us know what happens.
Jul 6, 2024 at 6:40 PM
Advertisement