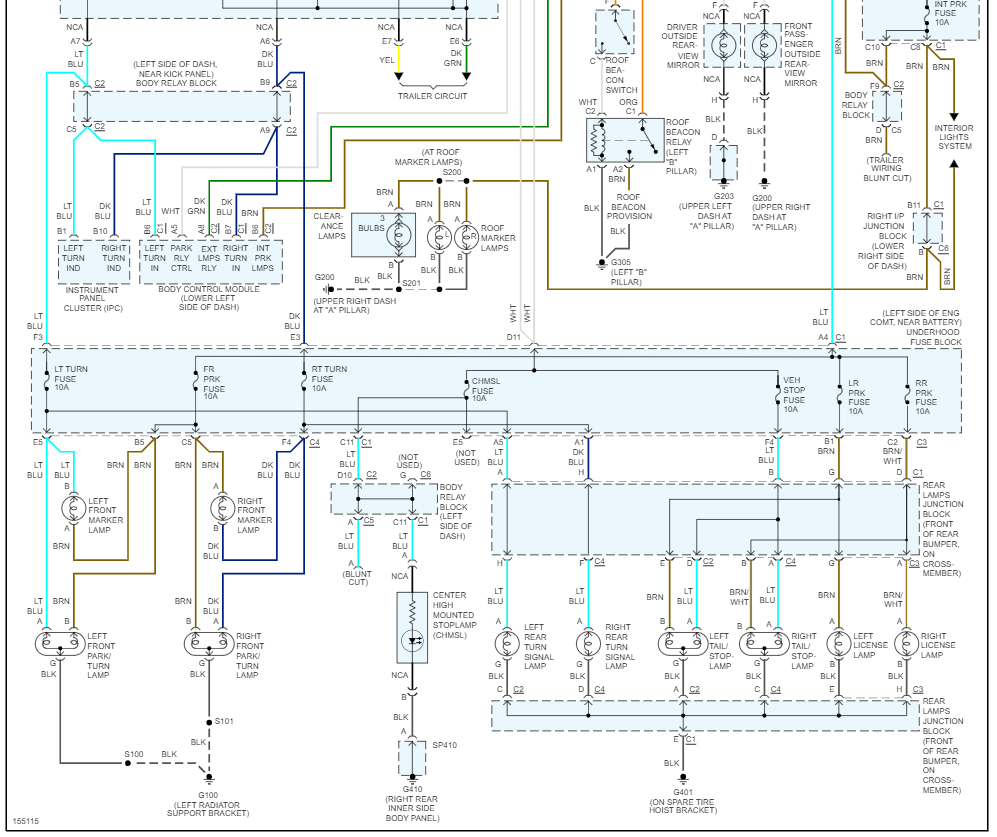
While leaving work tonight I noticed all of my dash/panel lights were out. This has happened occasionally in the past and has always been fixed by turning the headlight and/or dimmer switches but tonight that was not the case. I also noticed that - despite still having head lights, brake lights, reverse** running lights and front and rear turn signal lights - I also do not have any rear running lights when driving forward/in "drive." So, if you were behind me at night, you'd see no running lights until I hit my brakes or used a turn signal.
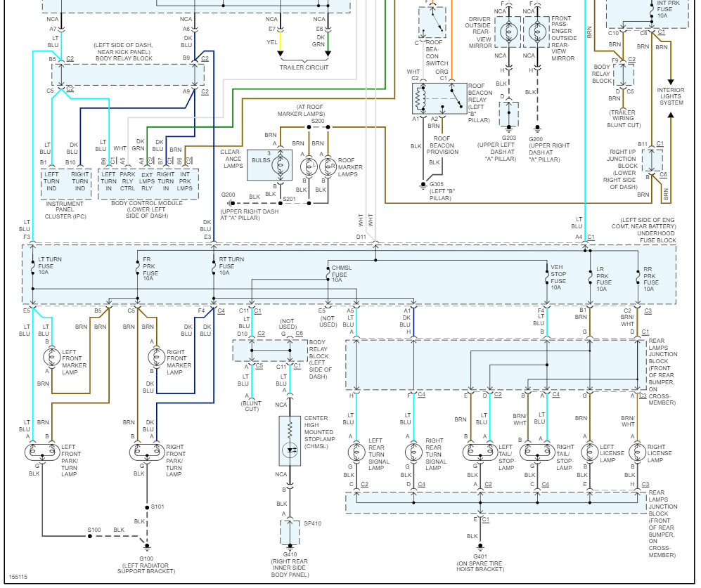
Two days ago, my tow bar fell off and I had to forcibly remove the wires that connected to the plug for any trailer lights to connect to the tow bar. I could not get the plug that held all the individual wires off the tow bar so I had to yank the wires out of it (of course when doing so, the plug, now with no wires connected, also pops out) and simply wrapped that cable around my bumper so it didn't hang down on the ground. I was wondering if anyone thought that could somehow be causing this issue? Perhaps those individual wires, no longer in their plug, touched something or each other and caused some kind of grounding issue and/or fuse failure?
I didn't have this problem for the first two nights after removing those wires from the tow bar because I'm sure that like tonight. I would have noticed immediately I just can't help but wonder if it was related to me yanking those towbar wires. I haven't had any problems with these lights ever. When the tow bar was still attached to the truck, those wires weren't connected to anything except the plastic plug/housing that connected to the towbar, and nothing was plugged into it. so, I just don't know.
So, I wanted to see if anyone had an opinion or at least could help me rule out that possibility (of the towbar wires causing such an issue with dash/panel and rear running lights) in or out.
My next step of course is to figure out the fuses; how to tell if they're blown, replacing any that might be. Again, it's my panel/dash lights that are not working and my rear running lights when in "drive." Thanks in advance to anyone who might be able to help. Hope I didn't make this too confusing.
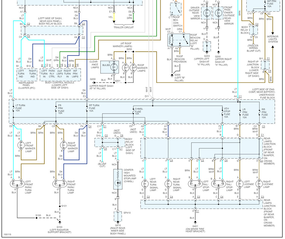
Two days ago, my tow bar fell off and I had to forcibly remove the wires that connected to the plug for any trailer lights to connect to the tow bar. I could not get the plug that held all the individual wires off the tow bar so I had to yank the wires out of it (of course when doing so, the plug, now with no wires connected, also pops out) and simply wrapped that cable around my bumper so it didn't hang down on the ground. I was wondering if anyone thought that could somehow be causing this issue? Perhaps those individual wires, no longer in their plug, touched something or each other and caused some kind of grounding issue and/or fuse failure?
I didn't have this problem for the first two nights after removing those wires from the tow bar because I'm sure that like tonight. I would have noticed immediately I just can't help but wonder if it was related to me yanking those towbar wires. I haven't had any problems with these lights ever. When the tow bar was still attached to the truck, those wires weren't connected to anything except the plastic plug/housing that connected to the towbar, and nothing was plugged into it. so, I just don't know.
So, I wanted to see if anyone had an opinion or at least could help me rule out that possibility (of the towbar wires causing such an issue with dash/panel and rear running lights) in or out.
My next step of course is to figure out the fuses; how to tell if they're blown, replacing any that might be. Again, it's my panel/dash lights that are not working and my rear running lights when in "drive." Thanks in advance to anyone who might be able to help. Hope I didn't make this too confusing.
Aug 18, 2023 at 10:03 PM

