No dashboard lights or parking lights. Not the Fuse

2002 SUZUKI XL7
136,000 MILES
Avatar
JOYF0101
  • MEMBER
  • 1 POST
I have no dashboard or parking lights. The fuse is not bad. I had it checked. All other lights work and the car drives fine. I have tried to use the dimmer to brighten the lights but they do not come on. They do not come on when you turn on the headlights either. Any ideas.
Jan 12, 2012 at 4:55 PM
Advertisement
Avatar
RIVERMIKERAT
  • CERTIFIED EXPERT
  • 6,110 POSTS
Could be a bad ground or connector.

See the guides below on wiring and relay testing

https://www.2carpros.com/articles/how-to-check-wiring

https://www.2carpros.com/articles/how-to-check-an-electrical-relay-and-wiring-control-
circuit

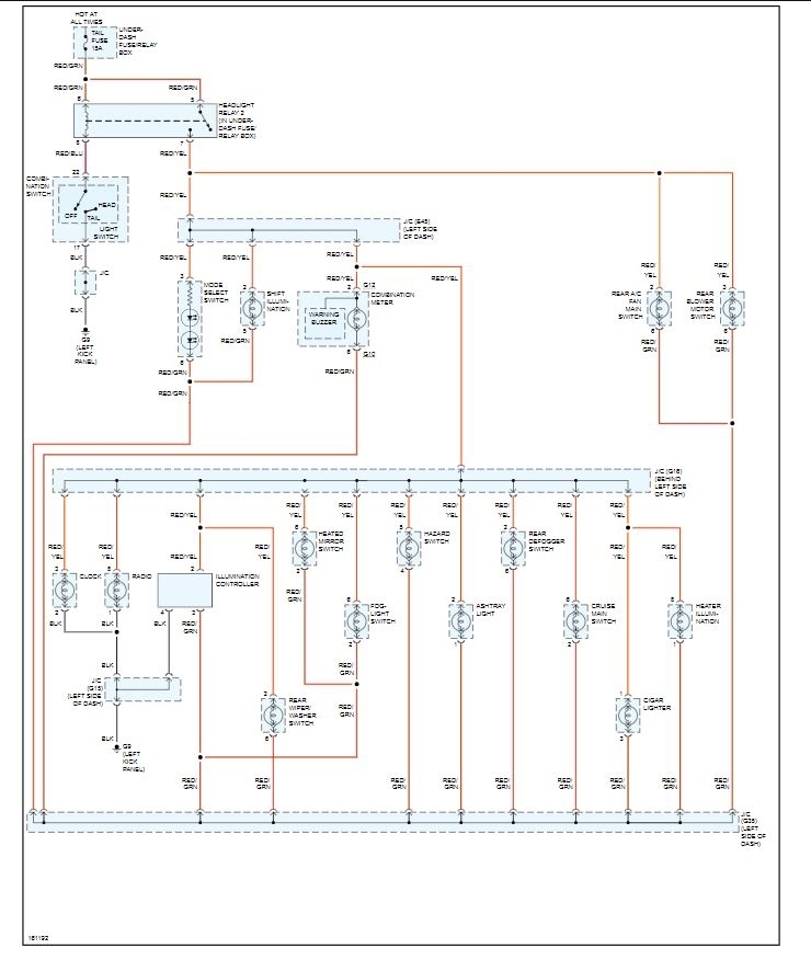
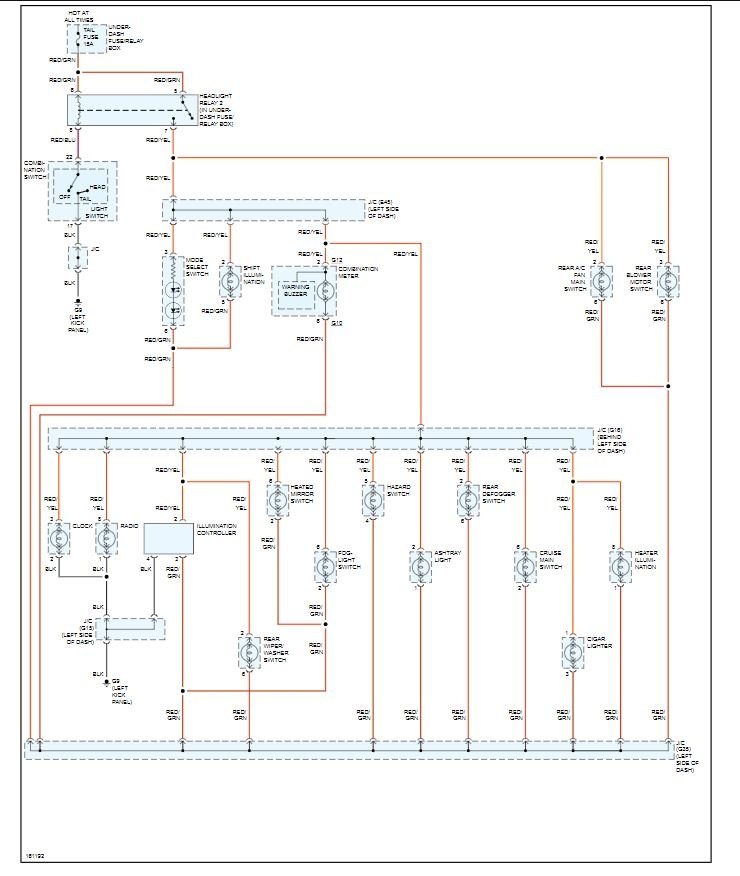
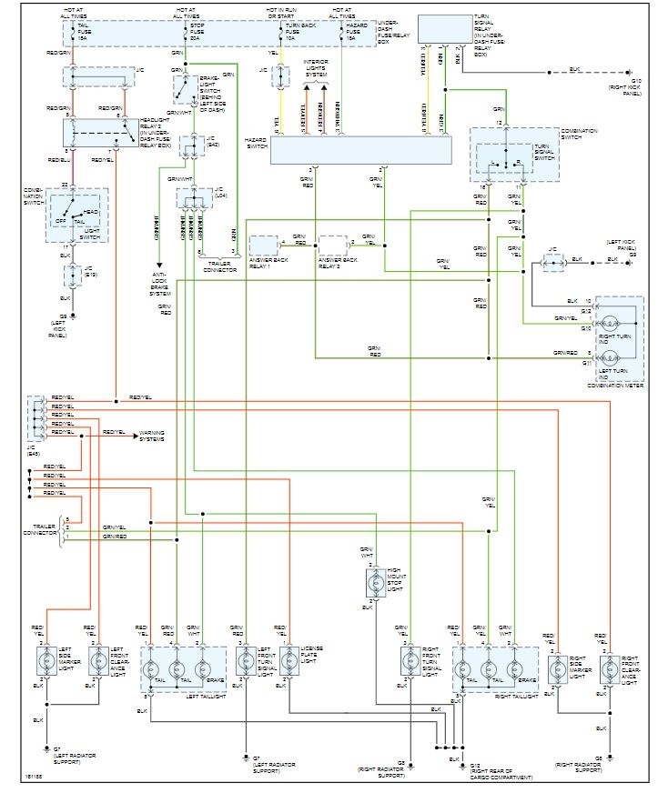
All of the wiring diagrams are attached below.. let us know if you need anything else
Jan 13, 2012 at 1:13 AM