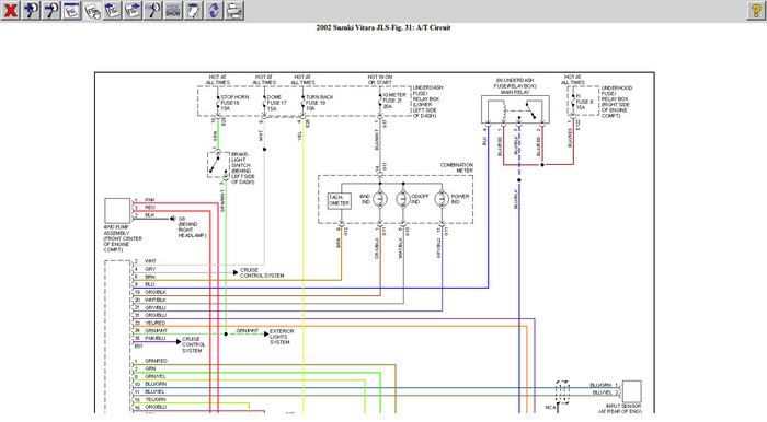
I have a Grand Vitara RHZ HDI 2.0. Every time I go over 100 km/hour the check engine comes up, the truck looses power. I have to stop shut off the engine for couple of minutes. When I restart the vehicle the check engine still light up, but the truck operate fine unless like I said go over a 100 km. I solve the problem by eliminating the catalytic converter. They seems to get obstructed after while, if in your country you had to have it, replace with a new one.
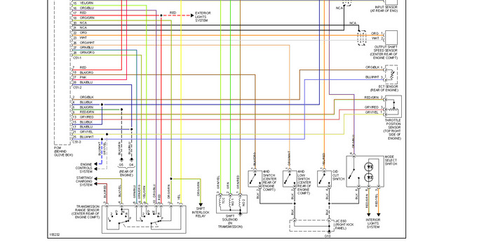
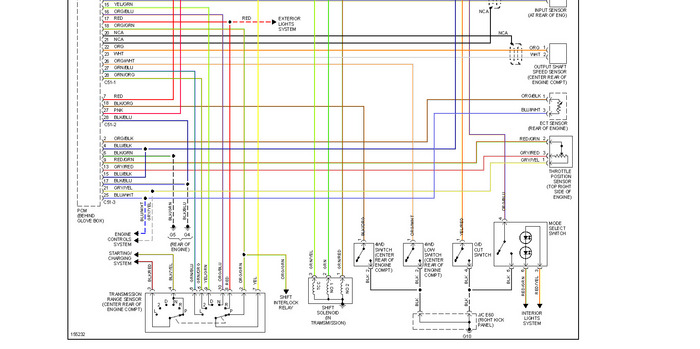
I was getting codes poor TPS, solenoid valves, glow plug, and so on. I hope this can help a lot of people.
I was getting codes poor TPS, solenoid valves, glow plug, and so on. I hope this can help a lot of people.
Dec 1, 2011 at 6:49 PM



