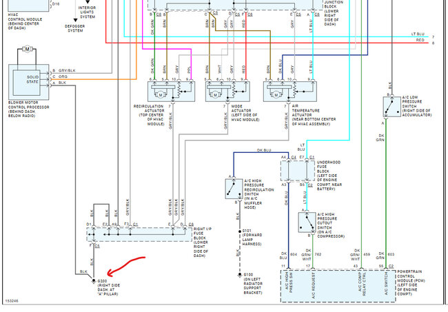
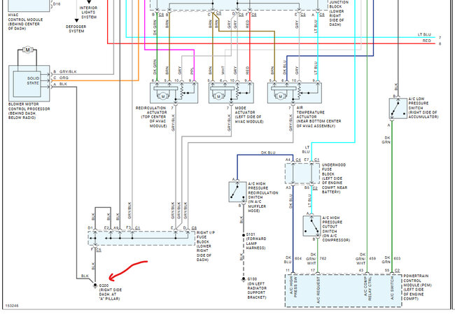
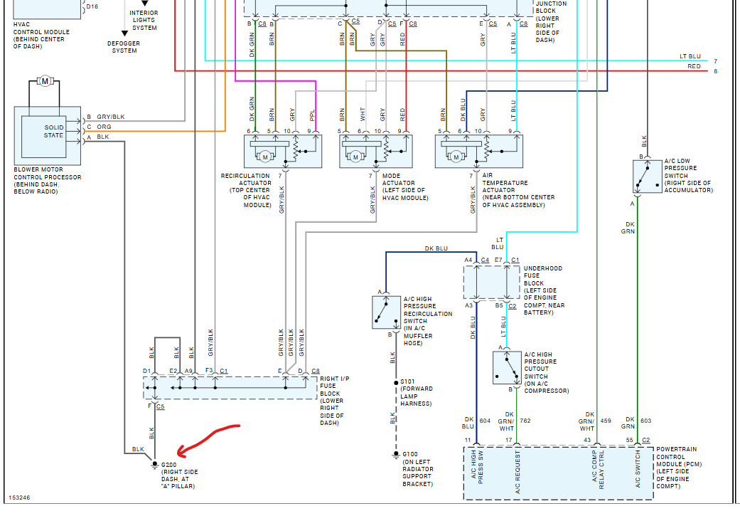
I am unable to control the front mode or the rear blend. B0124, B0268, B0408, B0434, and B3531 codes. All are short/Open circuit or circuit malfunction codes. I have a mess to figure out. Does anyone have wiring diagrams for the auto with aux?
Mar 2, 2026 at 12:29 PM



