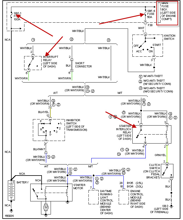
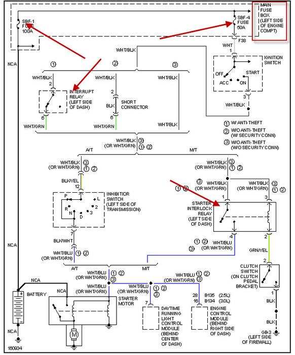
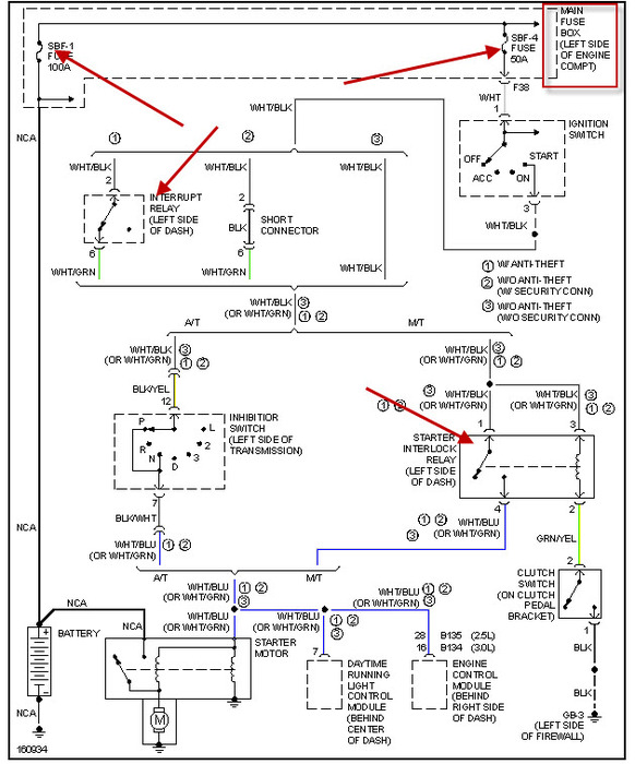
Have had numerous issues with car over past 11 months: catalytic converter and number#2 - O2 sensor replaced, injector replaced, coil replaced, all new wires and spark plugs and NO SPARK! Won't turn over and we even did conductivity test. Battery ok as all lights come on.
{She was driving great after issues with passing emissions; check engine light came on after about 1,000 or so miles and then she died as I stopped at intersection and hasn't wanted to come on since.} Three weeks of frustration with just sitting in driveway. We even rented the tester from our local parts service and no codes showed!
HELP! Thanks, Sandi
{She was driving great after issues with passing emissions; check engine light came on after about 1,000 or so miles and then she died as I stopped at intersection and hasn't wanted to come on since.} Three weeks of frustration with just sitting in driveway. We even rented the tester from our local parts service and no codes showed!
HELP! Thanks, Sandi
May 15, 2012 at 8:12 PM
