headlight wiring diagrams?

2002 SUBARU FORESTER
60,000 MILES
Avatar
JABBIE
  • MEMBER
  • 1 POST
as in the question all 4 parking lights will not go off even with key removed
Oct 5, 2011 at 8:10 PM
Advertisement
Avatar
DRCRANKNWRENCH
  • CERTIFIED EXPERT
  • 3,380 POSTS
You may have a relay that is failed, the light switch has failed or is grounding out making the circuit complete even without switch on, a short in the , "ON" position circuit of the igniton switch or a bad control unit if you have Auto lamps.
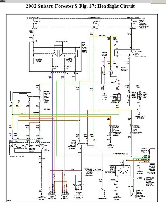
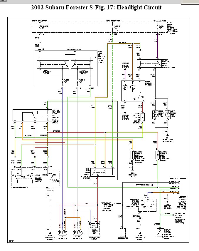
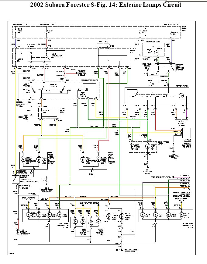
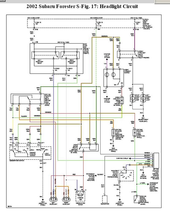
In this post and the next are the wiring diagrams for the exterior light circuits.
Start with the headlight switch in the "OFF" position and see if it is putting out 12 V right out of the terminals of the switch. If it is, it probably is the switch that is bad.
Check in the same manner for each relay. Check out the diagrams (Below). Please let us know what happens.
Oct 5, 2011 at 8:52 PM
Avatar
DRCRANKNWRENCH
  • CERTIFIED EXPERT
  • 3,380 POSTS
Light Diagram Check out the diagrams (Below). Please let us know what happens.
Oct 5, 2011 at 8:53 PM
Advertisement
Avatar
MATTSKY1
  • MEMBER
  • 1 POST
jabbie: this might have an easy solution. most subarus have a rocker switch on top of the steering column, purpose is to turn on parking lights w/ ignition off, maybe the switch got turned on by accident.
Oct 8, 2011 at 1:43 AM
Avatar
DRCRANKNWRENCH
  • CERTIFIED EXPERT
  • 3,380 POSTS
I did dnot know that myseld. Thanks for the information.
Jabbie; if this is the problem and it works, please let me know so I can help other customers in the future.

Thanks very much.

Dr. C
Oct 8, 2011 at 11:53 PM
Avatar
CARPROSJOHN
  • MEMBER
  • 1 POST
to MATTSKY1 thank you so much man. I would have had a dead battery in the morning and being that it is almost 8:30pm my mechanic is not available to call. As soon as I read your post I remembered that happening several years ago and you jarred my memory.
again, many thanks to you. stay well. John T.
Jun 29, 2021 at 6:00 PM
Avatar
STRAILER
  • CERTIFIED EXPERT
  • 53,855 POSTS
Nice work, we are here to help, please use 2CarPros anytime.
Jul 2, 2021 at 6:58 PM