☰
Login
Join
×
Home
Answered Questions
Repair Topics
Repair & Service Guides
Popular Questions
Warning Lights
Trouble Codes
How It Works
Testing / Diagnostics
Symptoms
Videos
Login
Become a Member
Home
Pontiac
Bonneville
Drivetrain
Transmission
2002 PONTIAC BONNEVILLE
EMMETT 31
MEMBER
2 POSTS
FOLLOW
how to pull the transmission in my Pontiac Bonneville
Mar 5, 2012 at 1:23 AM
Advertisement
DRCRANKNWRENCH
CERTIFIED EXPERT
3,380 POSTS
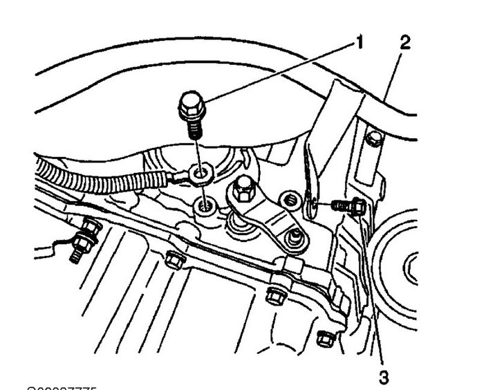
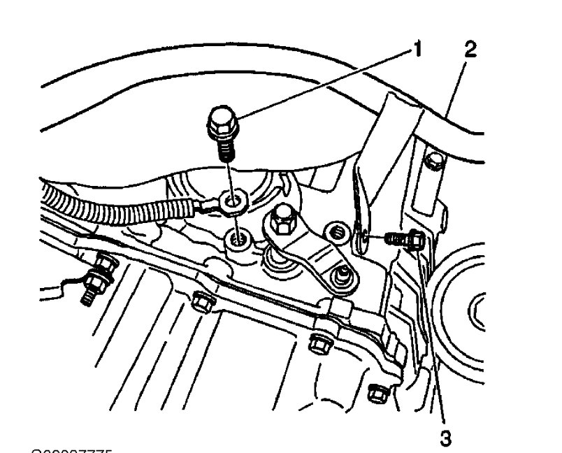
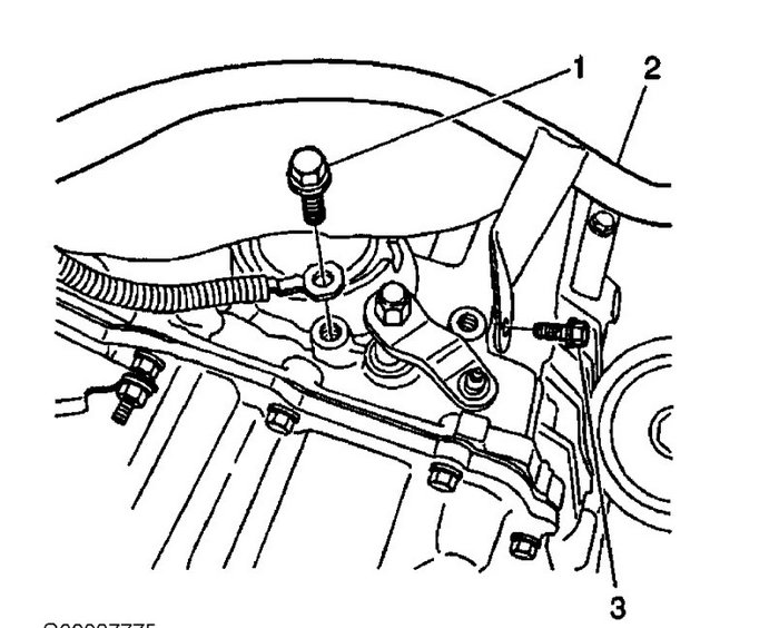
I am attaching intructions for transmission removal and the files are numbered in sequence. I am also attaching all referenced FIGs form instructions.
Images (Click to enlarge)
Mar 5, 2012 at 1:52 AM
EMMETT 31
MEMBER
2 POSTS
ty
Mar 5, 2012 at 1:57 AM
Advertisement
DRCRANKNWRENCH
CERTIFIED EXPERT
3,380 POSTS
Your very welcome. Come back if you need anything.
Mar 5, 2012 at 2:21 AM