☰
Login
Join
×
Home
Answered Questions
Repair Topics
Repair & Service Guides
Popular Questions
Warning Lights
Trouble Codes
How It Works
Testing / Diagnostics
Symptoms
Videos
Login
Become a Member
Home
Nissan
Xterra
Exterior Light
Running Light
Fuse
why does my running light fuse keep blowing?
2002 NISSAN XTERRA
184,000 MILES
ANONYMOUS
MEMBER
1 POST
FOLLOW
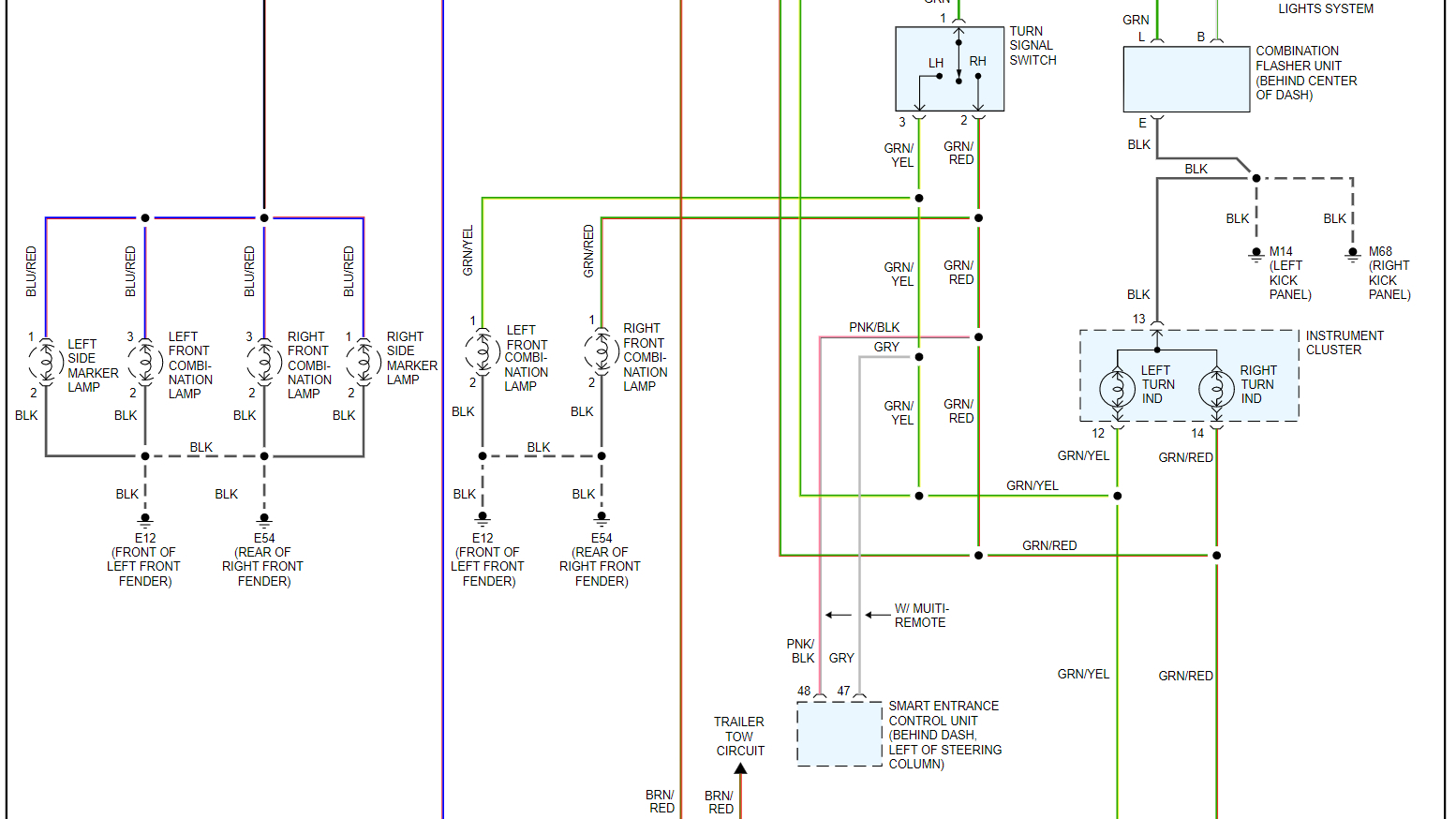
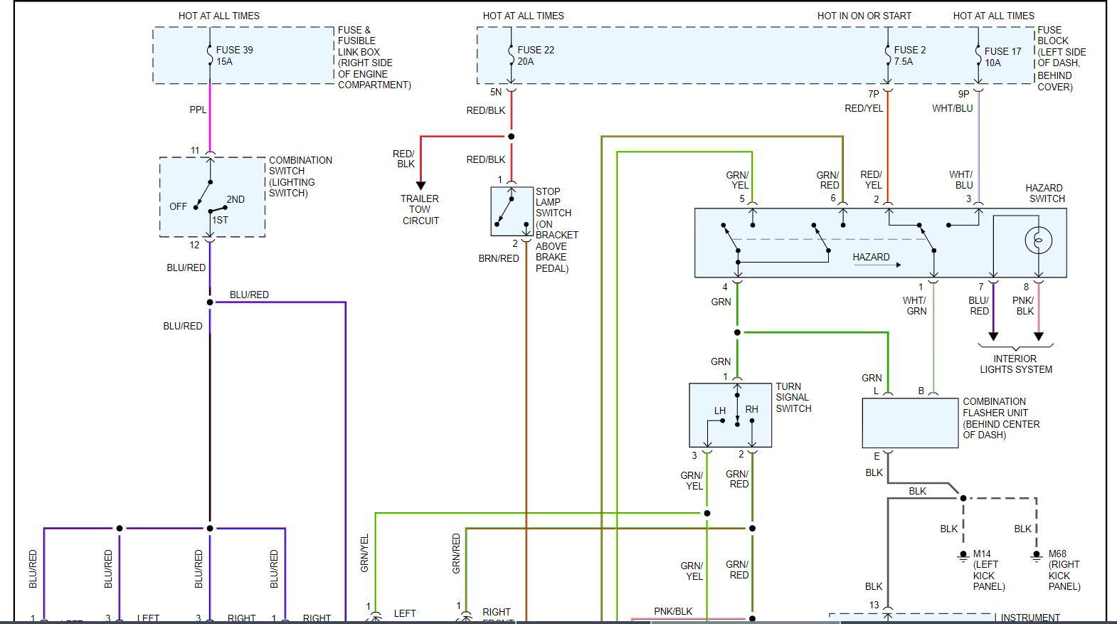
Rear running light fuse keeps blowing, also causing dash lights to go out. Anyone know why?
Apr 7, 2013 at 11:22 PM
Advertisement
ASEMASTER6371
CERTIFIED EXPERT
52,796 POSTS
Good morning,
There is a short in the system that the fuse controls. When this happens, the fuse will fail.
https://www.2carpros.com/articles/how-a-car-fuse-works
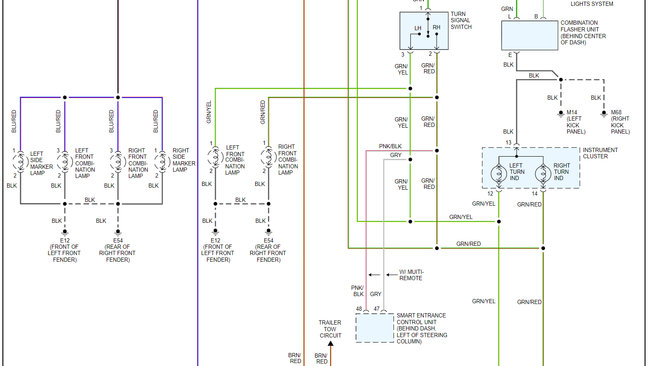
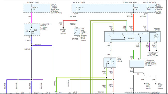
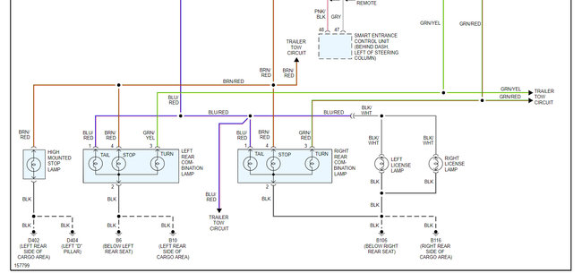
I attached a wiring diagram of the system for you to view. Can you identify the exact fuse that has failed?
https://www.2carpros.com/articles/how-to-check-a-car-fuse
https://www.2carpros.com/articles/how-to-check-wiring
Roy
Images (Click to enlarge)
Jul 15, 2021 at 8:26 AM