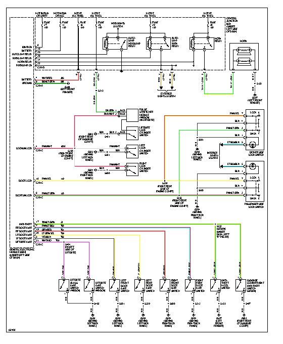
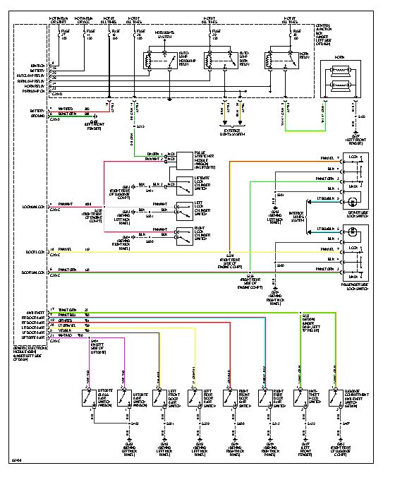
The alarm on my car goes off randomly at odd times for no apparent reason. I have had it checked twice and took it in for repair in December and was told that the problem was with the hood switch.
I have an annoyed neighbor who keeps leaving notes in my mailbox and on my car about the alarm going off during the day.
Question: Can the alarm be disabled/disarmed? What is the proper way to repair? Please advise.
I have an annoyed neighbor who keeps leaving notes in my mailbox and on my car about the alarm going off during the day.
Question: Can the alarm be disabled/disarmed? What is the proper way to repair? Please advise.
Jan 14, 2013 at 8:25 PM



