☰
Login
Join
×
Home
Answered Questions
Repair Topics
Repair & Service Guides
Popular Questions
Warning Lights
Trouble Codes
How It Works
Testing / Diagnostics
Symptoms
Videos
Login
Become a Member
Home
Mercury
Mountaineer
General
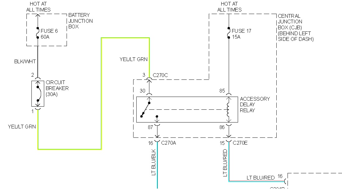
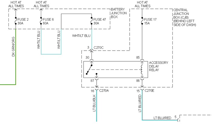
Fuse Test
2002 MERCURY MOUNTAINEER
196,000 MILES
ANONYMOUS
MEMBER
1 POST
FOLLOW
Can somebody tell wich is. The fuse for power windowplease
Mar 7, 2013 at 10:01 PM
Advertisement
JDL
CERTIFIED EXPERT
16,098 POSTS
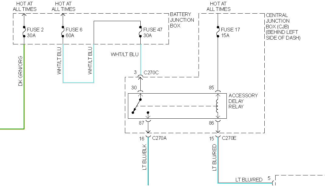
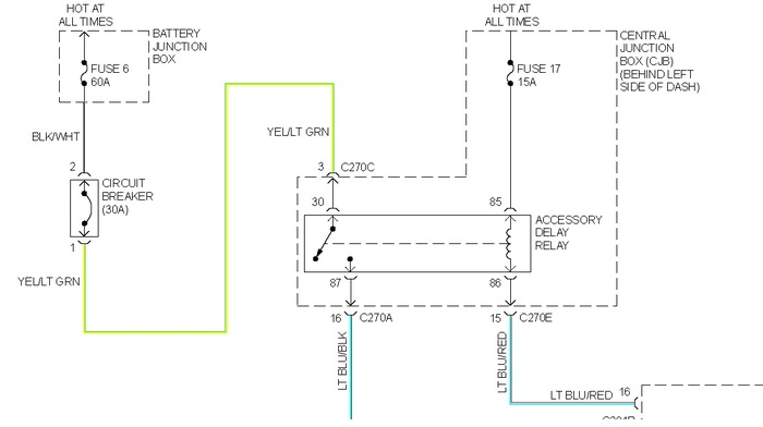
The wiring circuit depends on whether the vehicle is early production or late production? I don't know which you have?
Images (Click to enlarge)
Mar 7, 2013 at 11:06 PM