☰
Login
Join
×
Home
Answered Questions
Repair Topics
Repair & Service Guides
Popular Questions
Warning Lights
Trouble Codes
How It Works
Testing / Diagnostics
Symptoms
Videos
Login
Become a Member
Home
Mercedes Benz
CLK320
Drivetrain
Bearing Hub
Replace/Remove
2002 MERCEDES BENZ CLK320
ANONYMOUS
MEMBER
1 POST
FOLLOW
How do you replace rear wheel hub?
Jan 13, 2013 at 7:12 AM
Advertisement
DRCRANKNWRENCH1
CERTIFIED EXPERT
3,435 POSTS
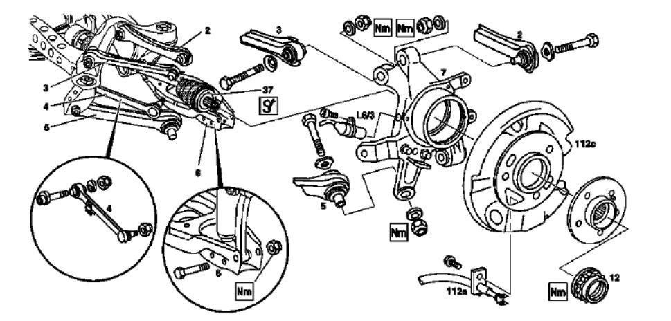
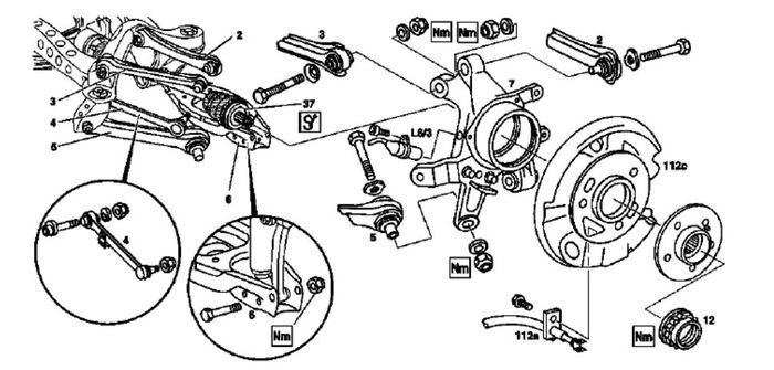
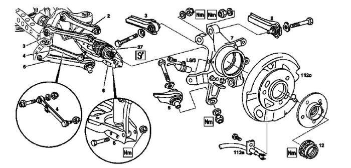
There are no real instructions in the service manual as it is pretty straightforward. That attached digram should help you out.
Image (Click to enlarge)
Jan 13, 2013 at 8:36 AM