where is the horn relay located my horn is not working?

2002 LINCOLN NAVIGATOR
99,000 MILES
Avatar
LENOLOURDES
  • MEMBER
  • 1 POST
when i press the horn it sounds like a small clicking sound i checked the manual but the only relay i see is the fuse
Sep 15, 2011 at 4:38 PM
Advertisement
Avatar
CARADIODOC
  • CERTIFIED EXPERT
  • 34,306 POSTS
The engineers at Ford have seen fit to turn the simple, reliable horn circuit into a Rube Goldberg system that involves two computers. Instead of the horn switch turning on a ten-dollar relay to blow the horn, the switch sends a voltage to the most complicated computer on the vehicle, the instrument cluster, which interprets that and sends a digital signal to the FEM, (Front Electronic Module), which turns on the relay to blow the horn! The typical repair bill for a dead horn is $800.00 and needs to be diagnosed by the dealer. I hope you report back that your repairs didn't cost that much.

I'm not sure which year they started that insane nonsense but it could include an '02 model, and I can't remember if the horn relay is in the under-hood fuse box or if it's part of the FEM circuitry.

The fact you're hearing a clicking under the dash suggests you still have the older, common sense circuit. Horn relays don't fail real often, and your vehicle likely has two horns, a high note and a low note. While horns do short sometimes, it's unlikely both would do that at the same time. One shorted horn will cause the horn fuse to blow, and you wouldn't hear the relay click. All of that suggests there could be a single broken wire going to the horns.

First, see if you can determine where the clicking sound is coming from. Look for a relay under the dash or under the hood. If you do find a relay, measure the voltage at one of the horns while a helper presses the button. In the meantime I'm going to try to find a diagram of the circuit.
Sep 15, 2011 at 7:16 PM
Avatar
EDDYB1
  • MEMBER
  • 1 POST
I had the exact same problem and turned out to be that the horn had gone bad, unless you want to spend about $80 for a new one at the dealer go to a junk yard. It only cost me $5 to do it my self.
Jan 8, 2013 at 11:02 PM
Advertisement
Avatar
STRAILER
  • CERTIFIED EXPERT
  • 53,854 POSTS
Hello,

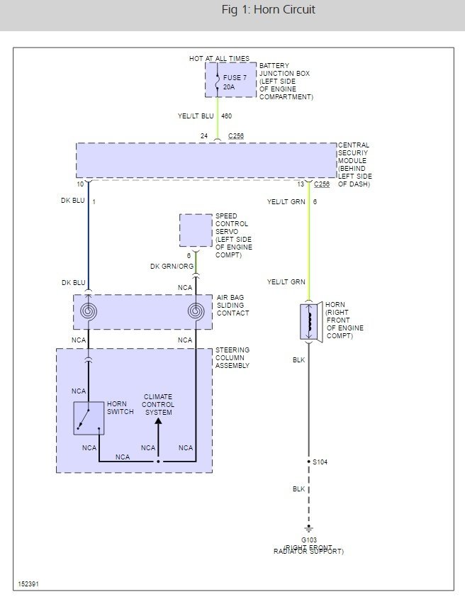
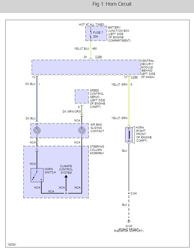
The 2002 does not use a relay it uses the security module, here is a horn wiring diagram and guide for you so you can do some testing to get the problem fixed.

https://www.2carpros.com/articles/how-to-use-a-test-light-circuit-tester

Please run some tests and get back to us so we can continue helping you.

Cheers, Ken

Jun 2, 2017 at 10:46 AM
Avatar
LEEMIKE592
  • MEMBER
  • 1 POST
Where is the horn relay switch located on my SUV?
Jun 2, 2017 at 10:47 AM (Merged)
Avatar
WRENCHTECH
  • CERTIFIED EXPERT
  • 20,761 POSTS
Your question is a little confusing. There is a horn relay and there is a horn switch but not a horn relay switch. Here is the relay. https://www.2carpros.com/images/external/87560227.gif Located in the RPO Relay Block #1, which is located in the dash, above the passenger air bag.
Jun 2, 2017 at 10:47 AM (Merged)