alternator replacement instructions ?

2002 LINCOLN LS
160,000 MILES
Avatar
LG062146
  • MEMBER
  • 1 POST
how to remove the alternator on 2002 linclon ls? I have removed the three bolts, two at the bottom and the one at the top. i have removed the belt and now the alternator is stuck unable to remove completely. help please
Aug 30, 2011 at 1:08 PM
Advertisement
Avatar
DOCFIXIT
  • CERTIFIED EXPERT
  • 18,828 POSTS
Yep you will need to remove the radiator or undo the engine mounts to move the engine upward to gain room to remove the alternator.

Here is a guide to help you get the basics and diagrams (below) to help you see what you are in for when doing the job.

https://www.2carpros.com/articles/how-to-replace-an-alternator


Check out the diagrams (Below). Please let us know if you need anything else to get the problem fixed.

Cheers
Aug 30, 2011 at 2:58 PM
Avatar
ERICKASEARCH
  • MEMBER
  • 3 POSTS
I ended up with the car listed above after an accident. I'm having issues with the car being difficult to crank and stalling at slow speeds/idle. The problem seems intermittent and has been happening for a few days now.

Last week I had a check engine light come on after some rough idling with a P1565 and a P0402. That light was off again when the car was started again.

The voltage test came back with the battery car off at 12.77V, at crank 11.37V, No load 14.21V, Loaded 13.68V. The autozone that did the voltage test said it was the alternator, but I'm concerned that the computer might also be faulty. If it is, I don't want to dump hundreds of dollars into the alternator. I'd rather dump the vehicle all together at that point. I just have no idea how to differentiate.
Feb 21, 2021 at 7:14 PM (Merged)
Advertisement
Avatar
ASEMASTER6371
  • CERTIFIED EXPERT
  • 52,796 POSTS
Good morning,

The readings you gave me seem to be good. Why do they think it needs an alternator?

Remember, they are parts salesman, not technicians. Their job is to sell parts.

As far as checking the system. you would need a full scan tool that can turn the alternator on and off to determine if the PCM is the issue.

The 1565 is for the cruise control. Not related to the charging system.

The 402 is for EGR flow. In most cases, it is the DPFE sensor that is the failure.

Roy
Feb 21, 2021 at 7:14 PM (Merged)
Avatar
ERICKASEARCH
  • MEMBER
  • 3 POSTS
Thank you for your replies. The check engine light came on at a rough idle last week, throwing the codes I listed above. Then when I cranked the car again the check engine light was off. It came back on again over the weekend, again at a rough idle, but I didn't have time to pull the codes. It was off again when I cranked the car again. The check engine light is currently off.

The bottom of the strip AutoZone printed out for me with the test results states that it detects a charging system problem, and the tech immediately said the alternator was bad. My knowledge is very limited on that system, but the voltages seemed fine to me too. That's why I was considering the PCM because I'd thrown that code earlier in the week.

The full results of the charging system test reads as follows:

Results - Diode Open
No Load 14.21V, ---,---A
Loded 13.68V, --,--A
Ripple 419mV
Feb 21, 2021 at 7:14 PM (Merged)
Avatar
ASEMASTER6371
  • CERTIFIED EXPERT
  • 52,796 POSTS
If it indicates an open diode, the alternator is bad. The ripple or AC volts is too high.

Replace the alternator.

Roy

REMOVAL
1. Disconnect the battery ground cable.
2. Remove the air intake tube.
3. Relieve the accessory drive belt tension and move the belt off the generator pulley.
4. Raise the vehicle.



imageOpen In New TabZoom/Print



5. Remove the front lower splash shield.



imageOpen In New TabZoom/Print



6. Remove the top nut and through bolt.



imageOpen In New TabZoom/Print



7. Remove the bolts.



imageOpen In New TabZoom/Print



8. Turn the generator slightly to access the generator positive cable nut and remove the nut.



imageOpen In New TabZoom/Print



9. Lower the generator slightly and disconnect the electrical connector.
10. Remove the generator.
Rotate the generator to gain access for removal.
Remove the generator.
Feb 21, 2021 at 7:14 PM (Merged)
Avatar
ERICKASEARCH
  • MEMBER
  • 3 POSTS
Thank you for your help.
Feb 21, 2021 at 7:14 PM (Merged)
Avatar
ASEMASTER6371
  • CERTIFIED EXPERT
  • 52,796 POSTS
You are welcome.

Always glad to help.

Roy
Feb 21, 2021 at 7:14 PM (Merged)
Avatar
AUKELEB
  • MEMBER
  • 1 POST
can you tell me where the alternator is located and how to install
Feb 21, 2021 at 7:14 PM (Merged)
Avatar
BLUELIGHTNIN6
  • CERTIFIED EXPERT
  • 16,542 POSTS
follow positive battery cable if you have trouble finding alternator.

Install the alternator harness connectors, then install the alternator. Tighten the bolts in sequence as follows:
A.Step 1: Tighten bolt No. 1 to 35 ft. lbs. (48 Nm)
B.Step 2: Tighten bolt No. 2 to 15 ft. lbs. (20 Nm) plus 90 degrees
C.Step 3: Tighten bolt No. 3 to 35 ft. lbs. (48 Nm)


Install or connect the following:


Lower splash shield

Accessory drive belt

Air intake tube

Negative battery cable


Please note the following specifications:


A.Generator B+ wire nut to 71 inch lbs. (8 Nm).

B.Generator lower mounting nut and bolt. Tighten to 33 ft. lbs. (45 Nm).

C.Generator upper mounting bolt. Tighten to 15 ft. lbs. (21 Nm).

D.Left hand A/C suction line lower bracket bolt. Tighten to 89 inch lbs. (10 Nm).
Feb 21, 2021 at 7:14 PM (Merged)
Avatar
DEON1414
  • MEMBER
  • 5 POSTS
its under the car on the passenger side remove small splash guard there are three bolts top goes all the way through bottom two thread in there is a plastic clip on a gray metal 3/4" line i believe a/c line remove that to make it easier, the tension pulley is in the middle closer to driver side you need to remove the air intake tube at the top to get to it, it helps if you have second set of hand for help. make sure to remove the negative cable from the battey before you start. its a very tight fit for the alternator to come out but it will, the motor will shift slightly side to side a three foot pry bar helps to shift the motor over to put the new one in hope that works for you had same problem just changed mine four days ago
Feb 21, 2021 at 7:14 PM (Merged)
Avatar
JOSHUAFENDER755
  • MEMBER
  • 34 POSTS
Recently I had a check charging system problem, the light would come on but the car wouldnt suffer power problems unless you pushed down hard on the accelerator. To eliminate the problem I replaced the battery and the alternator. This completely fixed the problem for months, now the problem has returned but worse than before. Now the car will die after a slew of lights come one indicating the problem has drained the battery below acceptable levels. I am going to replace the alternator again today but I want to know what is causing the alternators to go out, if their is some kind of problem I am overlooking or if maybe i just bought a defective alternator from the auto part store.
Feb 21, 2021 at 7:14 PM (Merged)
Avatar
HMAC300
  • CERTIFIED EXPERT
  • 48,601 POSTS
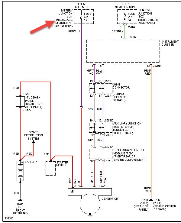
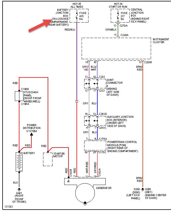
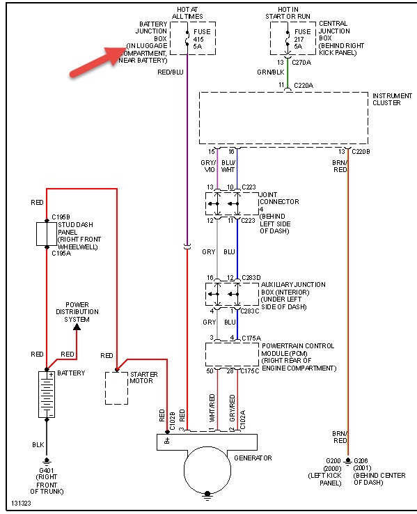
check fuse in pic then make sure terminal ends are clean on battery..
Feb 21, 2021 at 7:14 PM (Merged)
Avatar
JOSHUAFENDER755
  • MEMBER
  • 34 POSTS
I checked the fuse and it is fine. I replaced it anyway. Battery is new and so are the connectors. Any other ideas
Feb 21, 2021 at 7:14 PM (Merged)
Avatar
HMAC300
  • CERTIFIED EXPERT
  • 48,601 POSTS
it may be a defective alternator as well but check all your connections in chart I sent and other fuse inside car use a test light on it. Make sure your battery connection aregood and clean/tight and check battery ground to body&engine.
Feb 21, 2021 at 7:14 PM (Merged)
Avatar
LILJR1950
  • MEMBER
  • 3 POSTS
how to replace a Generater and lossen the serpentine belt to get it off?
Feb 21, 2021 at 7:15 PM (Merged)
Avatar
JACOBANDNICKOLAS
  • CERTIFIED EXPERT
  • 110,175 POSTS
First, disconnect the battery. Next, there is an automatic belt tensioner that tightens the belt. Using the tool needed (wrench, ratchet...) turn the adjuster in the direction to loosten the belt. Once it is loose, it will come off. Next, disconnect the wiring from the rear of the alt. Next, remove the bolts that mount the alt to the mounting brackets. Remove the alt.

Reverse the order to replace.
Feb 21, 2021 at 7:15 PM (Merged)
Avatar
RAULJR QUEZ
  • MEMBER
  • 1 POST
I replaced the alternator starter and ignition switch also brought brand new battery car was fine for a few turn one then it began dying to che b charging system what could I do
Feb 21, 2021 at 7:15 PM (Merged)
Avatar
HMAC300
  • CERTIFIED EXPERT
  • 48,601 POSTS
I assume you say it's not charging..... check fuses then put a volt meter on battery with car running see what volts are coming in check belt and tensioner, recommended replacement is 60,000 mi.
Feb 21, 2021 at 7:15 PM (Merged)