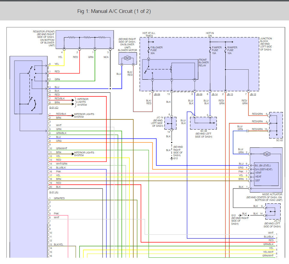
I pulled the blower motor and fan and tested it, it works and spins just fine. The rear heat and A/C and air work just fine. When I push the A/C button in the green light does not come on like its suppose to? When i turn the fan speed knob I get nothing for the front, but back works fine. I checked the fuses and they all look fine, only two things I think it could be are the fan resistor or maybe a relay? If the resistor is out completely will that keep the blower from working all together? Or can it still work with out it?
Jul 2, 2012 at 12:39 PM







