NO SPARK AT IGNITION COIL?

2002 JEEP WRANGLER
104,742 MILES
Avatar
COOL121212
  • MEMBER
  • 1 POST
have a 2002 jeep wrangler 4.0. when driving it bogs out before it hits 3,000 rpms. the check engine light starts flashing. it also has a hard start. i have all ready replaced the coil pack,spark plugs,fuel filter and pump,crankshaft sensor, throttle body senor, the shut off relay and the fuel relay senors.
Nov 9, 2012 at 1:22 AM
Advertisement
Avatar
ASEMASTER6371
  • CERTIFIED EXPERT
  • 52,796 POSTS
you have a miss for the flashing light. we need the codes.

start with compression test

it may be a clogged converter from all this mes..

next time, do not throw parts at it till you know the exact failure. it is much cheaper and faster

Roy
Jan 17, 2019 at 3:00 PM
Avatar
REAGAN78757
  • MEMBER
  • 2 POSTS
My son and I replaced the 4.0 engine in his 2000 Wrangler Sport . It was running when we parked it to swap the engine with a rebuilt. With the new engine it turns over but does not start. There is fuel. There is no fire from the No. 1 plug wire. It was showing No bus on the odometer, fuel gauge, and volt gauge were inoperable. I switched a couple of the relays (ASD and something else) and the no bus went away, gauges started working. I switched the relays back and the "no bus did not return, gauges continued to function. However the engine still turns over, but will not start. It has a new coil pack. There is small relay that is grounded to the block just above the oil filter. The wire kept coming out of the relay plug so I put a new terminal on it and cleaned the ground connection.


https://www.2carpros.com/forum/automotive_pictures/559432_Right_side_of_engine_off_of_internet_site_1.jpg

I feel like we have not put a wire or connection, something, back like it belongs. Any ideas? Thank you.
Sep 26, 2020 at 12:46 PM (Merged)
Advertisement
Avatar
RASMATAZ
  • CERTIFIED EXPERT
  • 75,992 POSTS
Hi Reagan78757, Welcome to 2carpros

Lets start by inspecting and testing the crankshaft position positioning sensor-this is the one that tells the computer what plug to fire-let me know. This guide can help us fix it.

https://www.2carpros.com/articles/how-to-test-an-ignition-system

Please run down this guide and report back.
Sep 26, 2020 at 12:46 PM (Merged)
Avatar
REAGAN78757
  • MEMBER
  • 2 POSTS
[quote:fbfa3c014a="rasmataz"]Hi Reagan78757, Welcome to 2carpros and TY for the donation

Lets start by inspecting and testing the crankshaft position positioning sensor-this is the one that tells the computer what plug to fire-let me know[/quote:fbfa3c014a]



It turned out to be the Crank Position Sensor. Upon re-installation of engine, we apparently bumped the CPS wire, partially severing the wire next to the sensor. New sensor and it fired right up. Thank you!
Sep 26, 2020 at 12:46 PM (Merged)
Avatar
MECHANICALLY FIT
  • MEMBER
  • 1 POST
Replaced crank sensor 7 days ago and ran great. We just had a snow storm in CT. and single digit temps. Went out this morning and did not want to turn over. Battery Good, but no spark at ignition coil? I am stumped. Do you guys/ gals have any ideas? I am currently attending Auto Tech. school and I don't want to look like a low grade moron to my class mates. I have done everything I can think of. Please help me.
Sep 26, 2020 at 12:46 PM (Merged)
Avatar
JDL
  • CERTIFIED EXPERT
  • 16,098 POSTS
I'd have to check primary voltage at the coil, B+, go from there. This guide can help us fix it

https://www.2carpros.com/articles/how-to-test-an-ignition-system

Please run down this guide and report back.
Sep 26, 2020 at 12:46 PM (Merged)
Avatar
JDL
  • CERTIFIED EXPERT
  • 16,098 POSTS
Just to add, the asd relay supplies voltage to several systems including the B+ side of your ignition coil. The computer grounds the control side of asd relay. Can you check for applicable trouble codes? To check for codes, at the least, you need an obd2 code reader that will work with your vehicle.
Sep 26, 2020 at 12:46 PM (Merged)
Avatar
  • MEMBER
  • 4 POSTS
changed oil and now no spark in jeep wrangler 98 4.0 motor
Sep 26, 2020 at 12:46 PM (Merged)
Avatar
RASMATAZ
  • CERTIFIED EXPERT
  • 75,992 POSTS
No snapping blue spark continue to troubleshoot the ignition system-power input to the coil/coil packs,coil's resistances,distributor pick-up coil, ignition control module, cam and crank sensors and computer Note: If it doesn't apply disregard it.
Sep 26, 2020 at 12:46 PM (Merged)
Avatar
JUSTIN CLARK
  • MEMBER
  • 3 POSTS
One day the vehicle wouldn't start, I am a mechanic on the side for the last ten years, figured it would be no problem. Boy was I wrong.

So here is the deal: Cranks but won't start, no fuel pressure, no spark, no communication with scan tool, gauges aren't responding but they do work when you reset them (hold trip reset and turn key on).

All of my relays check good and have been load tested as well, no problems there. I have verified 12 volts and ground to ECM, continuity between grounds are good as well.

Now here is where it gets weird: 5 volt system?
-I am not getting 5 volts out of the PCM with the key on, only about .25 volts.
-If I unplug the sensors on that circuit I will get .63 volts
-When I turn the key off, I am still getting .33 Volts on the 5 volt circuit when I should be getting 0.

Now I know what you are thinking, easy you have a bad ECM, well it is a re-manufactured one that I just put in there because I was 99% sure it was bad too.

Am I missing something easy? Is the new ECM bad as well? Is there something wrong that fried the ECM and the new one?

Any input would be awesome, this vehicle is my dads and I have countless hours in to testing and diagnosing, I just want it fixed and out of my shop! Thank you!
Sep 26, 2020 at 12:46 PM (Merged)
Avatar
ASEMASTER6371
  • CERTIFIED EXPERT
  • 52,796 POSTS
Good morning,

Did you check for the 5 volt reference right at the PCM or at the sensors?

If you checked it at the sensors, then you could have a wiring issue pulling down the reference.

If you checked it at the PCM then you have a bad new or rebuilt PCM.

Roy
Sep 26, 2020 at 12:46 PM (Merged)
Avatar
JUSTIN CLARK
  • MEMBER
  • 3 POSTS
Yes I checked it at the PCM, as you unplug the sensors on the 5 Volt circuit, the voltage slowly increases, but only to about .6 Volts with key on. Any idea why I would have voltage on the 5 Volt circuit with Key Off?

Also, Could there be any other issues that could be causing the PCM to go bad?
Sep 26, 2020 at 12:46 PM (Merged)
Avatar
ASEMASTER6371
  • CERTIFIED EXPERT
  • 52,796 POSTS
It could be wiring.

As I state before, you need to go to the PCM and check the voltage at the 5 volt wire coming out of the PCM. you will need to remove the pin from the connector, hook it up and see if the PCM is sending voltage.

If it does, then you have a short in a harness. If it does not, then it needs a PCM.

Roy
Sep 26, 2020 at 12:46 PM (Merged)
Avatar
JUSTIN CLARK
  • MEMBER
  • 3 POSTS
I cut the orange wire (A17) a few inches outside the PCM as to completely isolate the wire from the rest of the circuit and still did not have 5 volts, I am suspecting that the "new" remanunfactured PCM is bad also, but I diagnosed it to that point and a $250.00 ECM didn't fix it. so i am trying to figure out if there is something else I could be missing before I get another replacement and find out it doesn't work either.
Sep 26, 2020 at 12:46 PM (Merged)
Avatar
ASEMASTER6371
  • CERTIFIED EXPERT
  • 52,796 POSTS
Nope. your remanunfactured is the problem. Send it back for warranty.

Roy
Sep 26, 2020 at 12:46 PM (Merged)
Avatar
CSD2984
  • MEMBER
  • 3 POSTS
I started my Jeep the other morning to let it warm up and when I came back roughly 10 minutes later, it had stalled out. I tried to fire it up again, and nothing.

It will crank all day long but I am not getting any spark and therefore it won't start.

I have a new battery, new distributor cap, new rotor, new plugs, new wires.

The CKP, Crankshaft Position Sensor, was resting on my exhaust manifold and it had melted, so I thought I had my culprit - but no dice.

I replaced it and I still have no spark. I am at a complete loss.

I am not showing a check engine light or any other dummy lights. I have checked all of my fuses - all good.

I switched my relays, and they are all in working order.

It is my daily driver so I desperately need to solve this problem as easily and inexpensively as possible.

Also - The Thing that is really confusing me is that my fuel pump kicks on with the key in the on position, but it does not kick off after a few seconds. It runs constantly.

As far as my gauges - they do not move at all. The odometer shows up, but the fuel gauge doesn't move and neither do any of the other ones.

I have plenty of gas in my tank.
Sep 26, 2020 at 12:46 PM (Merged)
Avatar
INTERNETMECHANIC
  • CERTIFIED EXPERT
  • 700 POSTS
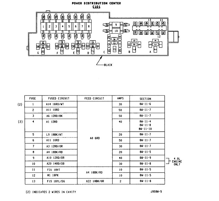
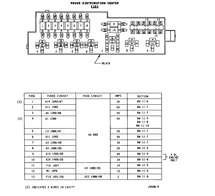
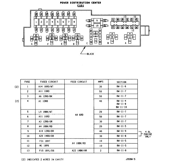
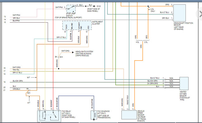
I'd check the fuses in the diagram, did you check for voltage at the fuse circuits? Even if the fuse is good, if no voltage the circuit is dead. As you can see, one fuse circuit is hot all the time, the other goes hot with the key on. Use a voltage tester.


https://www.2carpros.com/forum/automotive_pictures/512072_jeep_wrangler_fuses_1.jpg

Sep 26, 2020 at 12:46 PM (Merged)
Avatar
CSD2984
  • MEMBER
  • 3 POSTS
The fuses are good, what next?
Sep 26, 2020 at 12:46 PM (Merged)
Avatar
INTERNETMECHANIC
  • CERTIFIED EXPERT
  • 700 POSTS
Those fuses are voltage to your instrument cluster. Do you have no lites on the dash? Maybe I misunderstood your post.

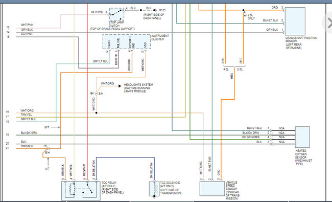
Engine cranking, do you have primary voltage at the coil, dark green wire with black tracer. That voltage comes from the asd relay, if no voltage, you have to check for cam and crank signal, before anything else.

Here is a guide to help test and the location of the relay.

https://www.2carpros.com/articles/how-to-check-an-electrical-relay-and-wiring-control-circuit

Check out the diagrams (Below). Please let us know what you find.

Cheers
Sep 26, 2020 at 12:46 PM (Merged)
Avatar
CSD2984
  • MEMBER
  • 3 POSTS
The gauges not working are a symptom of the larger issue - not getting spark and the car not starting.

The gauges are getting power - they are not getting the signals to make them function properly.

As far the crankshaft position sensor - I already checked and changed that out for a brand new one, as previously stated.

I've just been fighting this problem for the past 6 months. So I took a chance and replaced the relay and no problems so far I will drive it and report back if I have another problem. Thanks for your help.

Sep 26, 2020 at 12:47 PM (Merged)
Avatar
INTERNETMECHANIC
  • CERTIFIED EXPERT
  • 700 POSTS
Glad you could get it fixed, that kind of problem can be tough. Please use 2CarPros anytime we are here to help

Cheers
Sep 26, 2020 at 12:47 PM (Merged)
Avatar
PAUL GOGOLACK
  • MEMBER
  • 2 POSTS
how do i test the pick up unit in the distributor?
Sep 26, 2020 at 12:47 PM (Merged)
Avatar
CARADIODOC
  • CERTIFIED EXPERT
  • 34,306 POSTS
Replace it. I normally never approve of throwing random parts at a problem in hopes one will solve it, but if you have done the diagnostic steps that led to this as a suspect, replace it. We don't have customer's time and money to waste on testing parts.

There is no practical way to test a three-wire position sensor on the job. Fortunately the Engine Computer does that for you. If you have a diagnostic fault code related to a missing signal, suspect the sensor referenced in the code. Often this, and the crankshaft position sensor do not set a fault code just from cranking the engine. They may only set while a stalled engine is coasting to a stop. If the battery was recently disconnected, any fault codes would have been erased. Then you need a scanner to view live data and look at those two sensors. They will be listed with some type of indication as to whether the signals are showing up at the computer.
Sep 26, 2020 at 12:47 PM (Merged)
Avatar
WRENCHTECH
  • CERTIFIED EXPERT
  • 20,761 POSTS
Hi Doc,
If you do not have a lab scope and know how to use it, then I would agree with Doc. This is actually the Cam sensor and it is not even bolted in. It just sits under the distributor cap so it would be pretty simple to try another one.
This engine does not really have a pickup coil. the Crank sensor is at the left rear of the engine.
Sep 26, 2020 at 12:47 PM (Merged)
Avatar
VICTORRESP555
  • MEMBER
  • 3 POSTS
Electrical problem
1995 Jeep Wrangler 4 cyl Four Wheel Drive Manual

I'm getting no spark from the coil.I've tested the coil ,it seem to be working . I've changed the pick-up sensor in the distributor, I've changed the crankshafted sensor, changed the autoshutoff relay and computor itself . I've also fix a few boken contact behind the fuse box but i still not getting a spark out of the coil
Sep 26, 2020 at 12:47 PM (Merged)
Avatar
VICTORRESP555
  • MEMBER
  • 3 POSTS
[quote="victorresp555"]Electrical problem
1995 Jeep Wrangler 4 cyl Four Wheel Drive Manual

I'm getting codes 11,12,and 33. (code 11 is the camshaft sensor).My engine turns over but will not start. I'm getting no spark from the coil. I've changed the coil , I've changed the pick-up sensor(camshaft sensor) in the distributor, I've changed the crankshafted sensor, I've changed the auto shut off relay and computer itself . I've also fix a few broken contact behind the fuse box. I've checked all the wire leading to all sensors but i still not getting a spark out of the coil. Does anyone have any ideas?

My question is " can my ignition switch cause a no spark from the coil?
Sep 26, 2020 at 12:47 PM (Merged)
Avatar
HANK81
  • MEMBER
  • 1 POST
I'm having a no spark no start issue with my vehicle listed above (YJ). I've changed the coil and crank position sensor. It started up when I plugged in the new coil. Then i tried to start it again and nothing. No spark coming from the coil. Could it be a ground issue somewhere? Also, after I bought it, I replaced the computer, so it's not that.
Sep 26, 2020 at 12:47 PM (Merged)
Avatar
SCGRANTURISMO
  • CERTIFIED EXPERT
  • 4,897 POSTS
Hello,

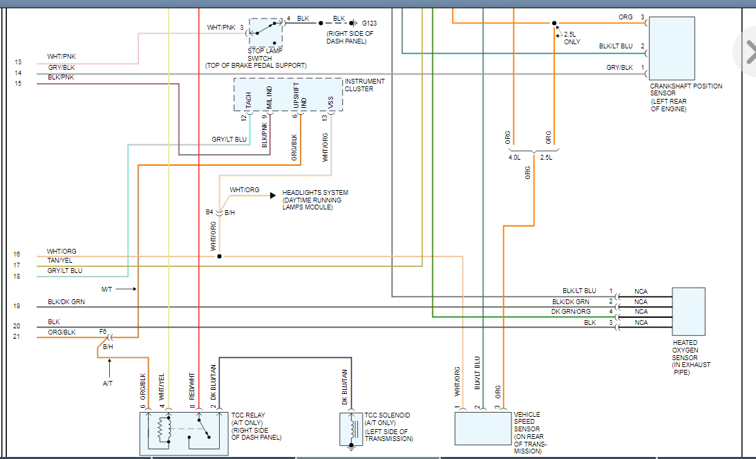
This could be a problem with your vehicle's Auto Shut Down Relay[ASD] which is located in the Power Distribution Center. This relay is responsible for delivering power to your vehicle's coil. Here is a link below on how to test a relay:

https://www.2carpros.com/articles/how-to-check-an-electrical-relay-and-wiring-control-circuit

In the diagrams down below I have included your vehicle's engine control wiring diagrams and a diagram with callout of the Power Distribution Center for you. Please go through these guides, test the ASD relay, and report back with how everything turns out.

Thanks,
Alex
2CarPros
Sep 26, 2020 at 12:47 PM (Merged)