2002 Jeep Grand Cherokee electrical problem

2002 JEEP GRAND CHEROKEE
226,080 MILES
Avatar
GEORGE1968454
  • MEMBER
  • 7 POSTS
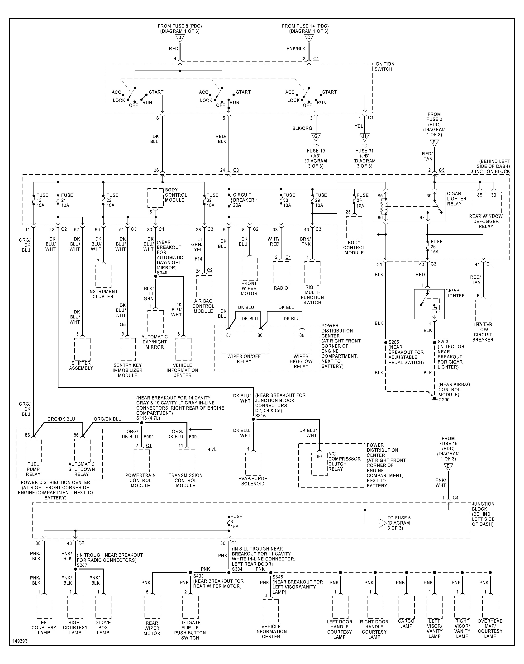
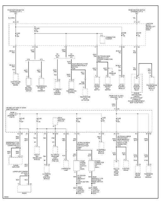
Recently lost power to the c4 junction box slot plug on my fuse box which in turn controls my power windows, door locks, radio, cigarette lighter and rear wiper, i would like to know what fuses supply power to this slot on my fuse box any suggestions or remedies you can give me would be greatly appreciated
Jul 27, 2013 at 1:10 PM
Advertisement
Avatar
CJ MEDEVAC
  • CERTIFIED EXPERT
  • 11,004 POSTS




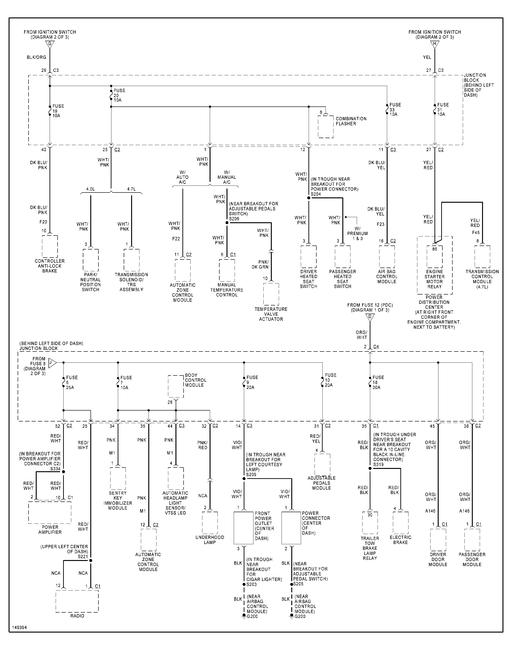
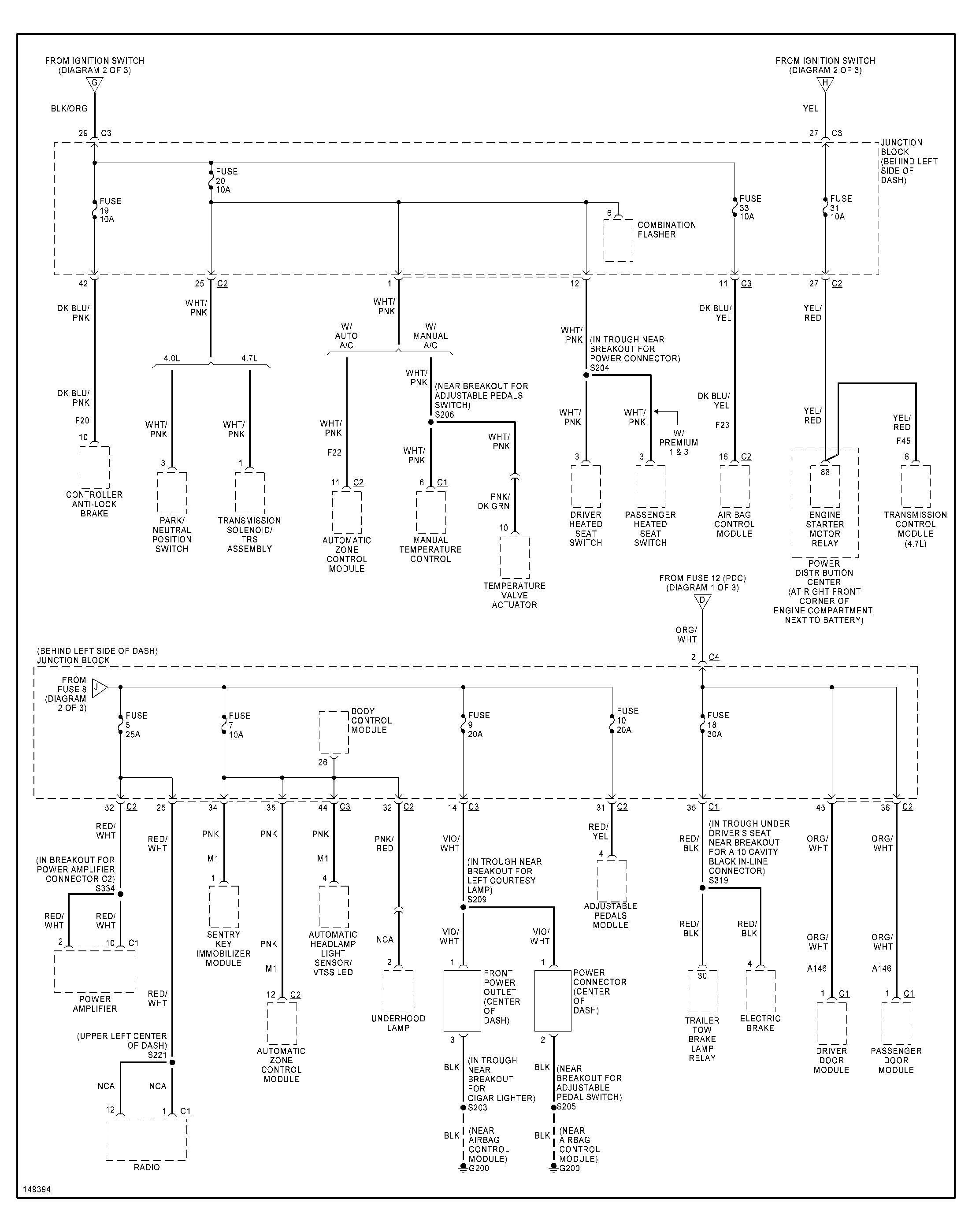
I GRABBED YOU 3 DIAGRAMS FROM "MITCHELL I"

1 OF 3.....2 OF 3.....3 OF 3........TITLED "POWER DISTRIBUTION"

I GLANCED THEM OVER.......THE SECOND ONE MAY INTEREST YOU THE MOST

I CAN ALSO GET DIAGRAMS FOR SPECIFIC SYSTEMS.......THERE ARE LOTS!

I DON'T MIND GETTING SPECIFIC ONES FOR YOU (LEMME KNOW WHICH ONES).....BUT I'M SORTA NOT SUPPOSED TO "GET 'EM ALL" (SO DON'T ASK, AS OTHERS HAVE).....PLUS, I DON'T HAVE TIME TO DO ALL OF THAT DOWNLOADING, ALL DAY LONG!

LEMME KNOW IF THIS HELPS OR YOU NEED A FEW MORE

I RECKON THAT IS SORTA SOME KINDA WAY TO ENTICE YOU INTO GETTING AN ONLINE REPAIR MANUAL..............WHICH YOU CAN, ON OUR SITE!!!

I'M MORE OF A JEEP CJ / CARBURETED STUFF KINDA GUY....BUT IF YOU STILL HAVE QUESTIONS, I'LL TRY, OR TRY TO FIND ANOTHER FELLER

THE MEDIC
Jul 27, 2013 at 2:48 PM
Avatar
GEORGE1968454
  • MEMBER
  • 7 POSTS
Thanks for the diagrams but they are to small for me to read, can you please see if you can in large diagram 2 and send it to my email again, thank you for your time.
Jul 29, 2013 at 5:20 AM
Advertisement
Avatar
GEORGE1968454
  • MEMBER
  • 7 POSTS
The white plug on the left of all the fuses is where my issues are at, all fuses good with test light except for 3,5,7,8,9,10,11,14,15,16,18,and 31 which most of these have to do with my lights and tow package unless these should only light up when lights are on which i have not tested this way yet.Do any of these fuses supply power to the white plug.
Jul 29, 2013 at 9:14 AM
Avatar
CJ MEDEVAC
  • CERTIFIED EXPERT
  • 11,004 POSTS


TURN YOUR KEY TO ON....TURN ON LIGHTS TO CHECK THE OTHER FUSES

I'LL SEE IF THE BOSS WILL SEND ME YOUR EMAIL ADDRESS, US LITTLE GUYS DON'T HAVE ACCESS TO IT................UNLESS I'M STUPID OR SOMETHING I CANNOT SEND YOU A PRIVATE MESSAGE, LIKE WE USED TO BE ABLE TO DO, IN ORDER TO OBTAIN IT WITHOUT BROADCASTING IT OVER THE NET.

THE MEDIC

Jul 29, 2013 at 12:07 PM
Avatar
GEORGE1968454
  • MEMBER
  • 7 POSTS
Here is my e-mail address if it helps instead of having to go thru the BS,
[email protected].
Jul 29, 2013 at 12:41 PM