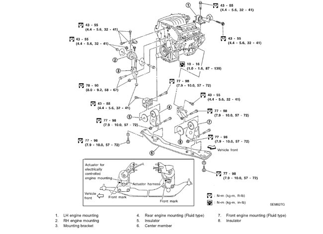
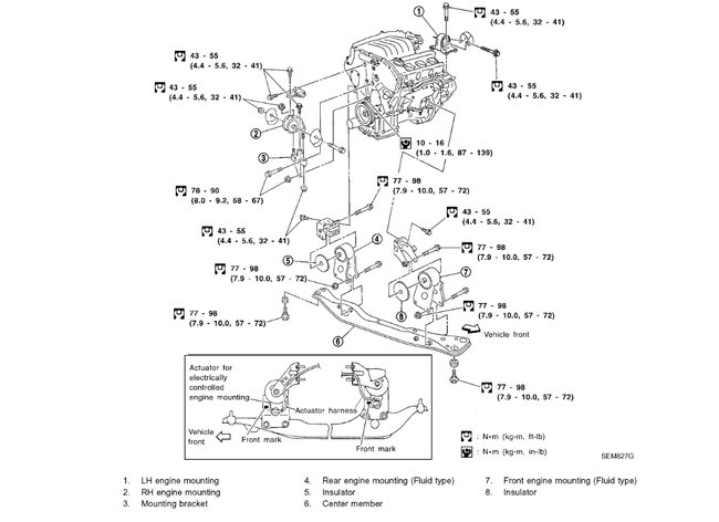
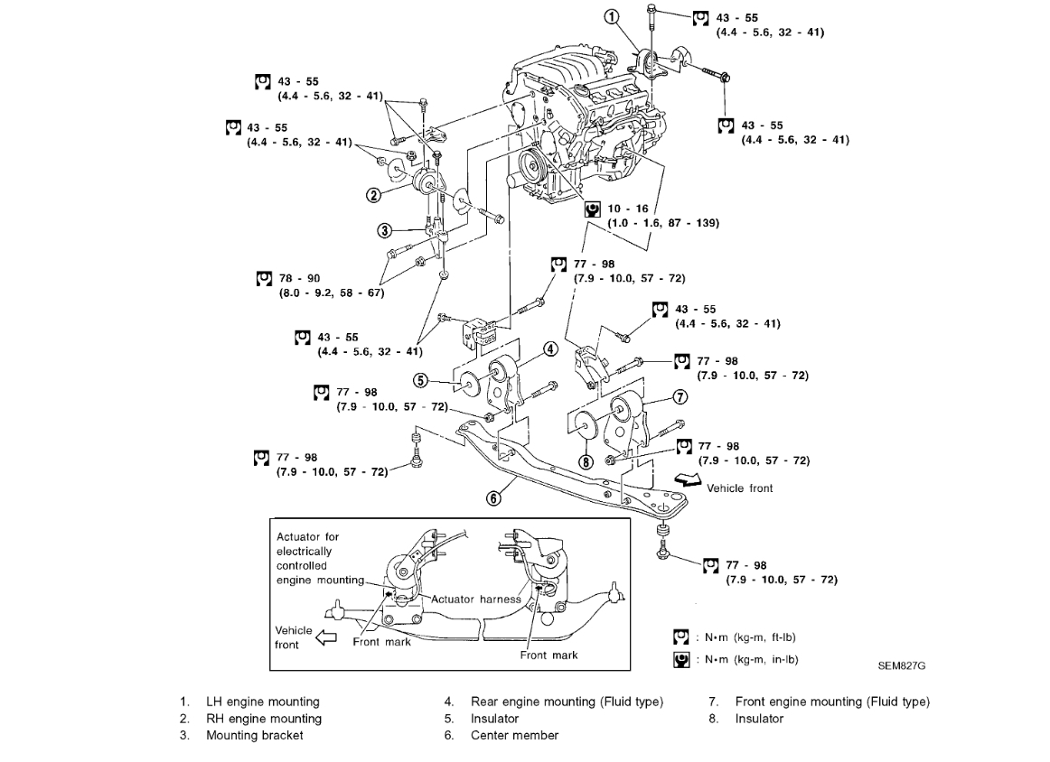
how many different motor mounts in the 2002 infiniti i-35 model, --the front mount, the transmission mount, the passenger front mount and which one else?
Oct 20, 2012 at 6:17 PM

