why does my instrument cluster keep frying itself?

2002 HYUNDAI SONATA
170,000 MILES
Avatar
JUSTINCASE876
  • MEMBER
  • 3 POSTS
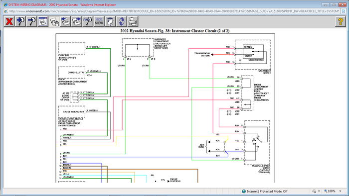
The instrument cluster was not working. No speedometer, tach, fuel, or temp. The odometer was not working as well. I purchased a new instrument cluster and replaced. After I started the car, the gages worked perfectly for about 10 seconds but then I smelled burned electronics and smoke coming from the cluster. After disconnecting the battery I found the new cluster had fried itself. I disassembled both the new and old cluster to see if anything was salvagable. Both were burned in the same exact place. I could clearly see that the circuit connected to pin 13 at I21-3 connecter must be shorting on the circuit card. (I think this is pin 13, I researched a good schematic at hmaservice.com. It may be pin 18, 3, or 8, the pictures are a little confusing) Since both clusters shorted at the same place, Im thinking the clusters were ok. What could be causing this? Please help!, the schematics are not helping me very much. (no fuses were blown)
Dec 9, 2011 at 2:40 AM
Advertisement
Avatar
RIVERMIKERAT
  • CERTIFIED EXPERT
  • 6,110 POSTS
Check the harness to the cluster. Most likely the power and ground are shorted together.
Dec 11, 2011 at 3:54 AM
Avatar
RIVERMIKERAT
  • CERTIFIED EXPERT
  • 6,110 POSTS
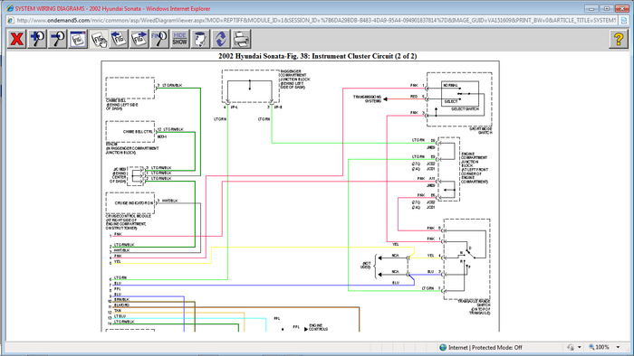
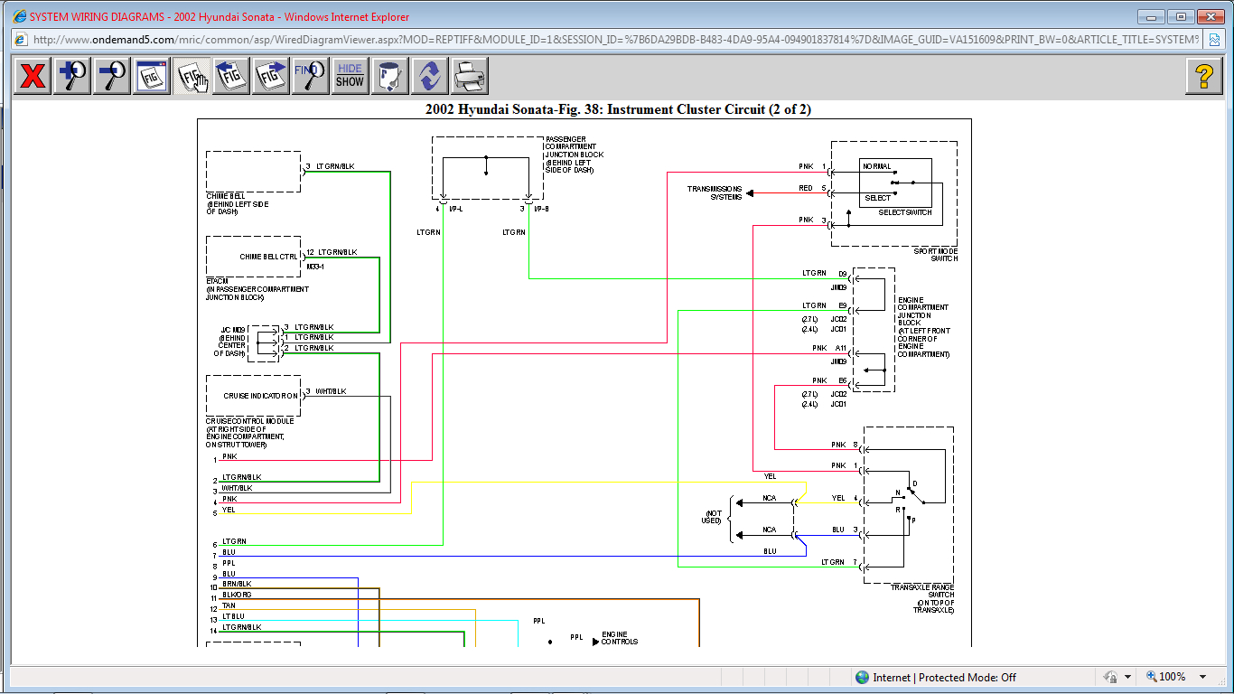
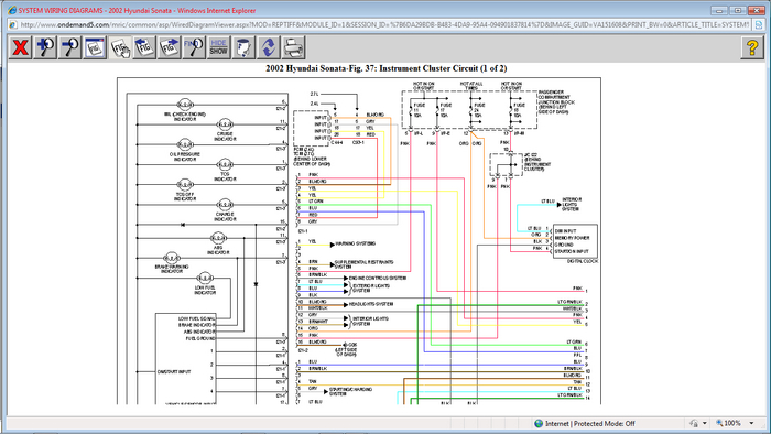
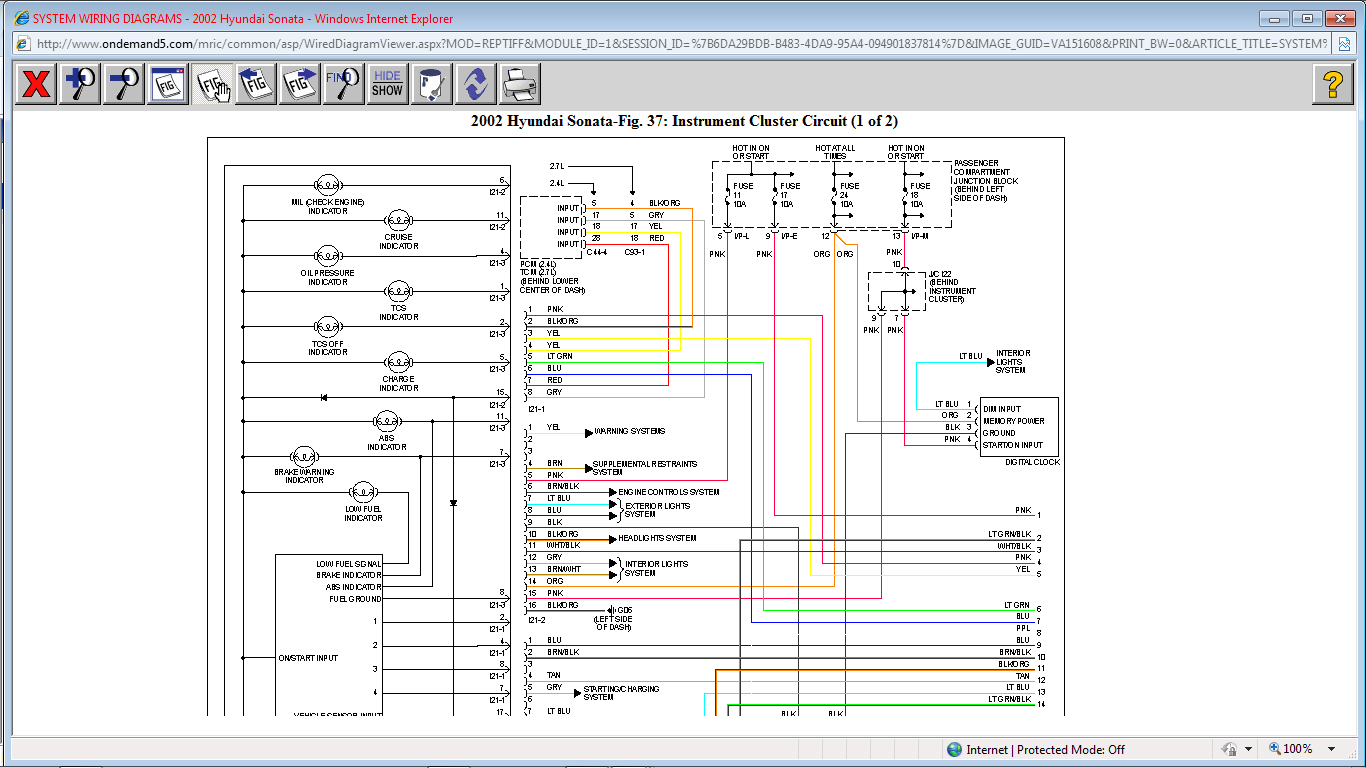
I have attached the schematics we have. Each one is in 2 pieces for clarity.
Dec 11, 2011 at 3:57 AM
Advertisement
Avatar
RIVERMIKERAT
  • CERTIFIED EXPERT
  • 6,110 POSTS
Oh, and make sure nothing is shorted in the connector.
Dec 11, 2011 at 3:58 AM