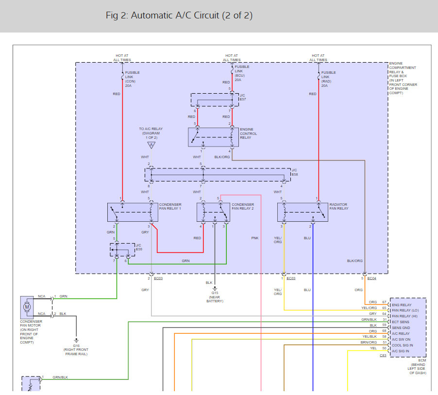
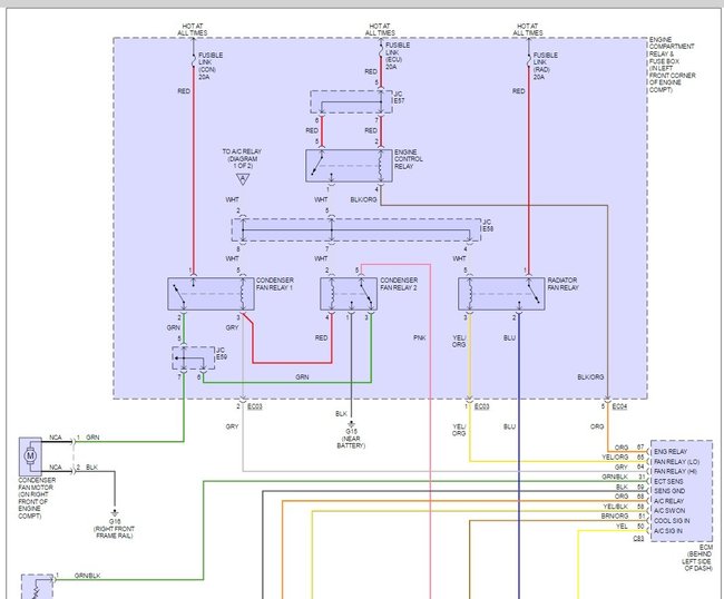
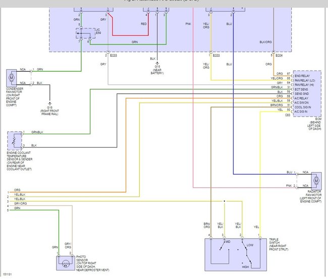
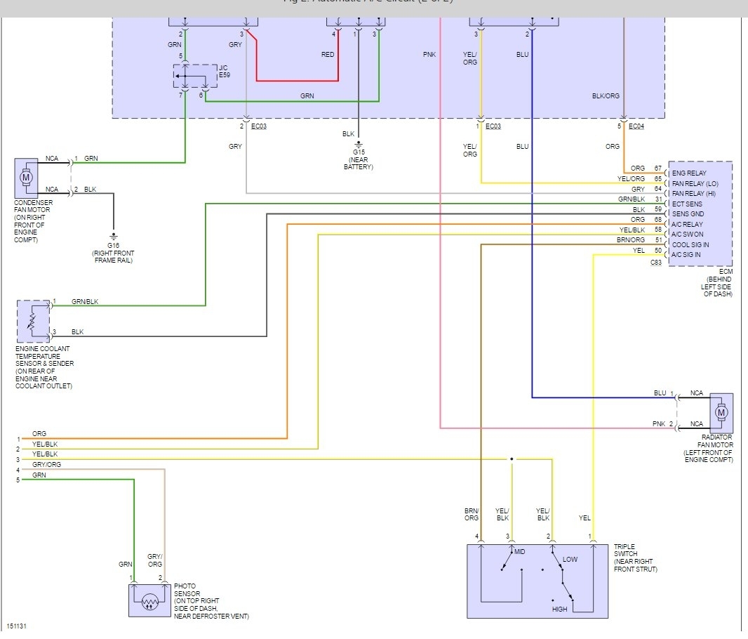
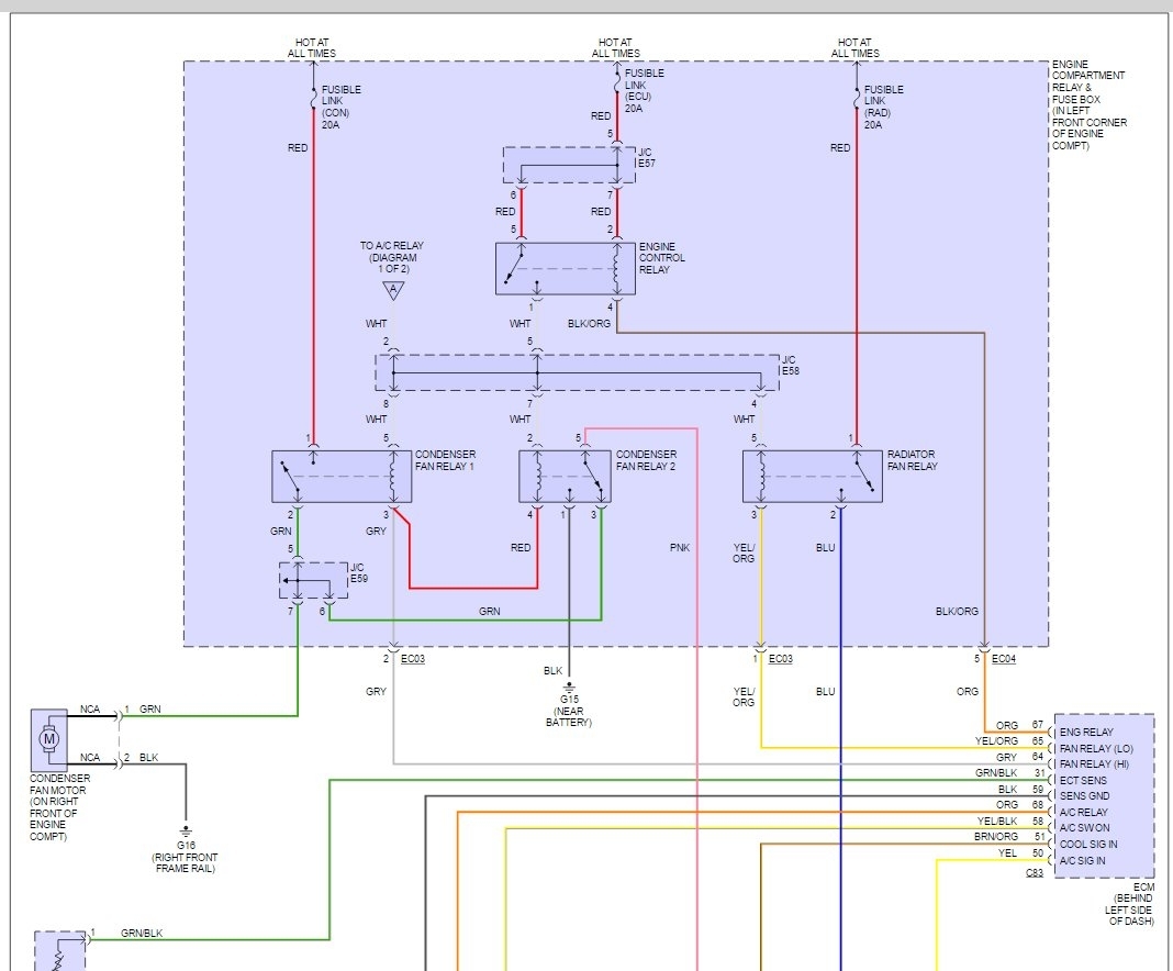
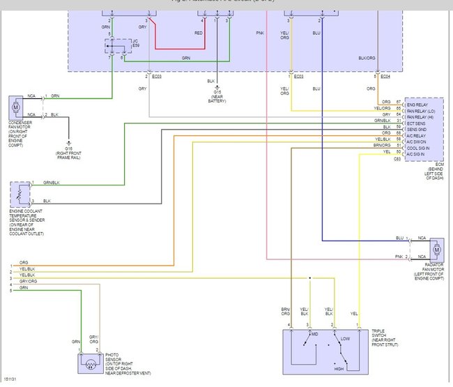
the A/C compressor clutch will not engage because of low R134a pressure. Went to jumper pressure switch to start charge but found 4 contacts rather than two. Which ones to jumper and not mess up? Diagram female socket please.
Mar 31, 2011 at 8:54 PM










