AC compressor not turning on

2002 HONDA CIVIC
2,000 MILES • 1.7L • 4 CYL
Avatar
LILLE
  • MEMBER
  • 5 POSTS
Have a problem with my AC. I have checked everything from the relays to the compressor all seems to work. Fans all seem to work, but when I turn on the AC does not turn on the compressor. I replace the fuse box under the dash, checked all the relays replace the heater control thing and AC button return the AC on rear defroster. Still getting nothing. Looking for ideas what to try next.
Aug 9, 2018 at 8:54 AM
Advertisement
Avatar
ASEMASTER6371
  • CERTIFIED EXPERT
  • 52,796 POSTS
Good afternoon.

You need to check for voltage to the compressor first to see if it is getting voltage.

If it is, it may be a compressor clutch failure.

If it does not then need to start with verifying voltage from the fuses to the relay.

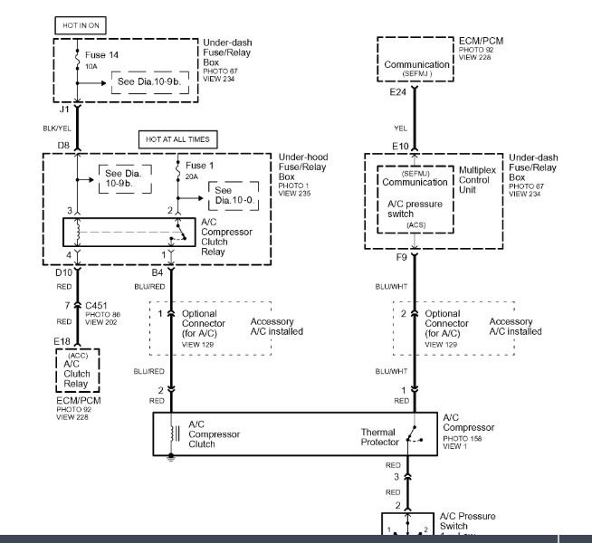
Check the two fuses listed in the diagram for power. If there is, then go to the relay and verify power to the relay with the key on. There should be two terminals that have voltage.

Roy
Aug 9, 2018 at 10:53 AM
Avatar
LILLE
  • MEMBER
  • 5 POSTS
I have tested the relays and did a jumper wire and the clutch comes on. He hold it there it will start cooling I just cannot get it to turn on when I turn the AC button on on the inside of the car.
Aug 10, 2018 at 8:01 AM
Advertisement
Avatar
LILLE
  • MEMBER
  • 5 POSTS
I have tested all fans come on.
Aug 10, 2018 at 8:02 AM
Avatar
ASEMASTER6371
  • CERTIFIED EXPERT
  • 52,796 POSTS
No, you missed my point completely.

I did not say to jump anything. I said to check for power to the relay to be sure there is power. You need a test light or voltmeter to check these voltages.

Please re check and let me know.

Roy
Aug 10, 2018 at 2:05 PM
Avatar
LILLE
  • MEMBER
  • 5 POSTS
Where would you start checking for that at? I am a pretty new mechanic just trying to figure this out. Appreciate your help.
Aug 11, 2018 at 7:38 AM
Avatar
LILLE
  • MEMBER
  • 5 POSTS
I took the relays out checked for power. There is power on each one then you turn the key on and then another tablet power on each one.
Aug 11, 2018 at 1:22 PM
Avatar
ASEMASTER6371
  • CERTIFIED EXPERT
  • 52,796 POSTS
Which relay did you remove and test?

Can you post a picture of what you see?

Roy
Aug 11, 2018 at 4:42 PM
Avatar
NICK ONYSHCHUK
  • MEMBER
  • 4 POSTS
I know this post was a year ago. Hope somebody will answer me thou. I have the same problem. There is power on each relay but when I turn the AC button on - nothing work.
Aug 21, 2019 at 3:27 AM
Avatar
ASEMASTER6371
  • CERTIFIED EXPERT
  • 52,796 POSTS
You are more than welcome to start a new question and I will be glad to help you.

For your convenience here is the link:

https://www.2carpros.com/questions/new

Make sure you are logged into the site before clicking on the link.

Roy
Aug 21, 2019 at 11:57 AM