Hvac wiring diagram

2002 HONDA CIVIC
200,000 MILES • 4 CYL
Avatar
BGRICH2003
  • MEMBER
  • 10 POSTS
Compressor wont start. I just replaced the compressor do to a seized pulley. I added oil and added refrigerant but the clutch is not engaging when I turn it on. Any suggestions would be greatly appreciated.
May 27, 2011 at 4:24 PM
Advertisement
Avatar
BGRICH2003
  • MEMBER
  • 10 POSTS
Here is a wiring diagram and a pic of the compressor if it helps. here's so you can see the wiring diagram
May 27, 2011 at 4:43 PM
Avatar
WRENCHTECH
  • CERTIFIED EXPERT
  • 20,761 POSTS
The wiring diagram is for you to use and test various points in the circuit to find out where the circuit is broken and why. You will probably need a scan tool also because there are communication circuits too.
May 27, 2011 at 5:07 PM
Advertisement
Avatar
BGRICH2003
  • MEMBER
  • 10 POSTS
yeah i posted the wiring diagram so I kinda know what its for lol. I ohmed the wires going to the compressor 2 are for the thermal protector showing continuity and the other is ground and is showing continuity to ground. I tried jumping out the low pressure switch on the receiver I'm not sure if that would work. I know I read somewhere about jumping out something on the compressor but that was before I had this problem. Any help would be greatly appreciated.
May 27, 2011 at 5:16 PM
Avatar
WRENCHTECH
  • CERTIFIED EXPERT
  • 20,761 POSTS
Have you done the basics of testing for power arriving at the clutch.
May 27, 2011 at 5:21 PM
Avatar
BGRICH2003
  • MEMBER
  • 10 POSTS
not at all I do residential Hvac so I think I should be able to figure it out with a little help.
1. Test power going to the clutch
okay any other advice
May 27, 2011 at 5:31 PM
Avatar
BGRICH2003
  • MEMBER
  • 10 POSTS
I kinda wanted something like.. Check this if it has power then this is probably wrong if it doesn't check this. Something like that I posted the wiring diagram to make it easy for someone to give me details. I could figure it out myself but thought it would be easier to get a mechanics advice to make it go a lot quicker.
May 27, 2011 at 5:49 PM
Avatar
89INTEGRALS
  • MEMBER
  • 11 POSTS
If you can read the diagram wrenchtec sent you then you should understand what I am about to say, If you are unsure as to what you are doing you could end up doing more damage to your vehicle, so think about it before you continue. Locate under hood fuse box. Using a volt meter check power across fuse #1 20amp if there is power across fuse #1 then remove clutch relay,turn ignition key on and with your volt meter check for 2 power sources one at position #2 and one position #3. If you have both sources, using a (fused jumper)do not use an unprotected jumper in case there is a short in the circuit as this could cause more damage to your electrical system. Jump across positions #1 and #2 and look for clutch activitation.(WARNING!!!!) DO NOT JUMP POWER TO POSITION #4 AS THIS IS A GROUND CONTROL CIRCUIT FOR THE RELAY FROM THE PCM YOU WILL DAMAGE THE PCM. If you are not comfortable with the diagram or do not understand these instruction up to this point then I would have to agree that you should bring your car to a qualified tech. If you are ok with it then this should get you started.
May 28, 2011 at 3:40 AM
Avatar
  • MEMBER
  • 1 POST
none of the climate controls functions work; no lights on buttons nothing works, fuses are fine, relays fine, grounds are fine. changed climate control panel, same issue. Stereo works.
Feb 11, 2021 at 9:43 AM (Merged)
Avatar
STRAILER
  • CERTIFIED EXPERT
  • 53,854 POSTS
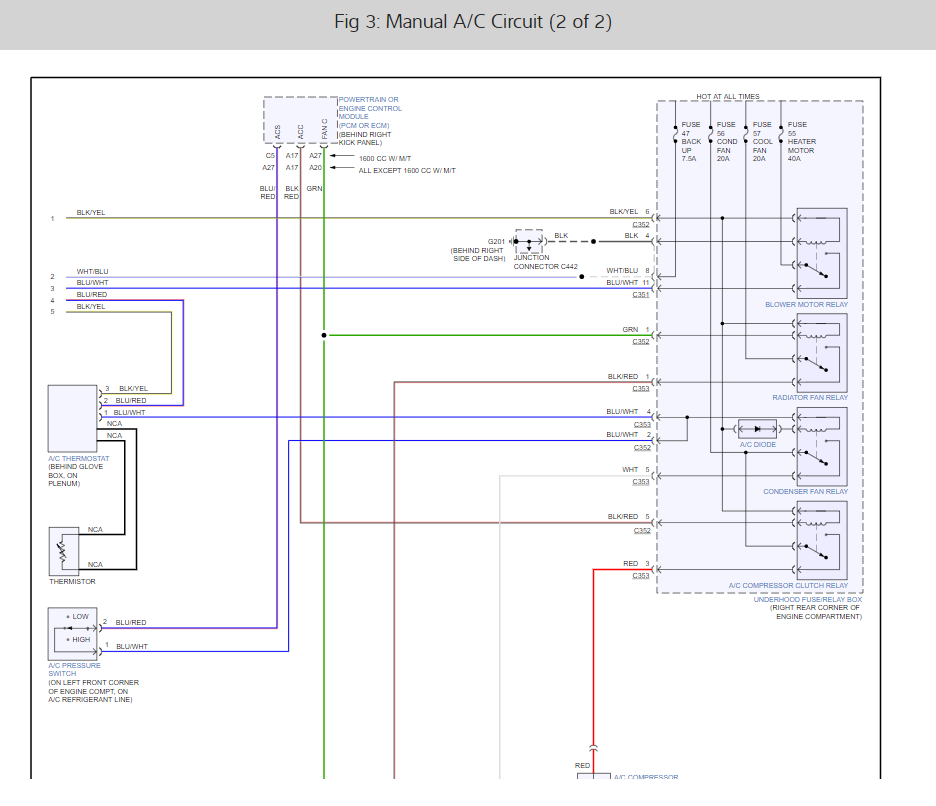
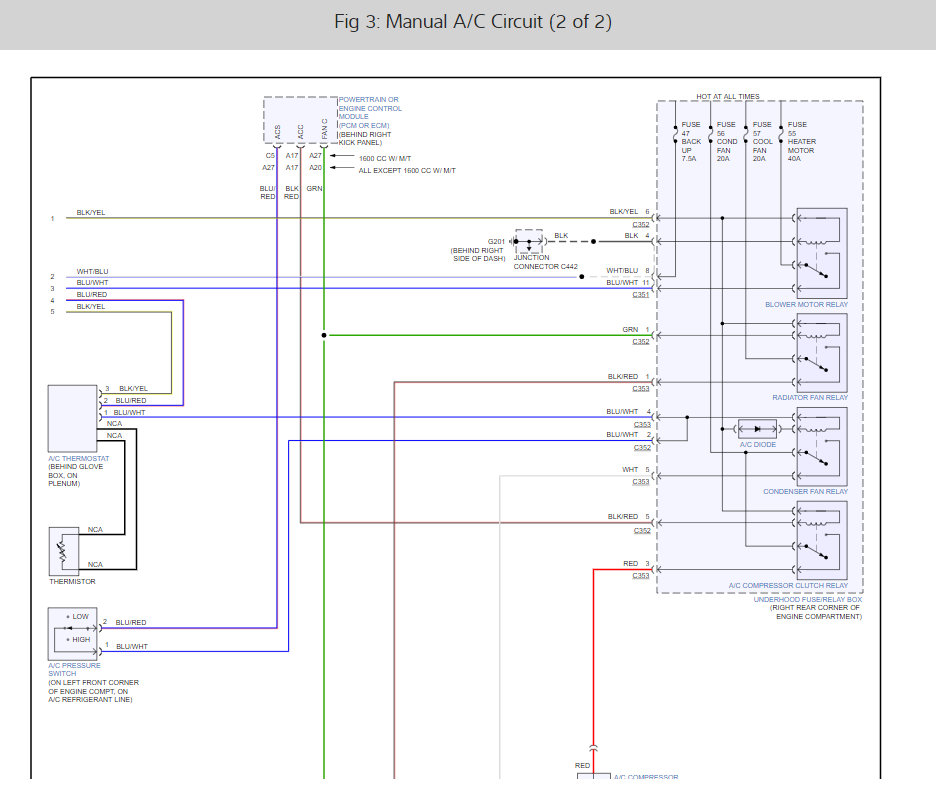
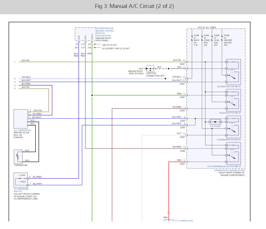
lets check the power and grounds for the system. here is a guide to help do the testing with the climate control wiring diagram below:

https://www.2carpros.com/articles/how-to-check-wiring

Check out the diagrams (below). Please let us know what happens.
Feb 11, 2021 at 9:43 AM (Merged)
Avatar
AXIS
  • MEMBER
  • 107 POSTS
Im hunting for the culprit causing the condenser fan not to run. Please share wiring diagram for a/c of 96 civic.
Feb 11, 2021 at 9:43 AM (Merged)
Avatar
JACOBANDNICKOLAS
  • CERTIFIED EXPERT
  • 110,175 POSTS
This is a schematic of the AC system.
Feb 11, 2021 at 9:43 AM (Merged)
Avatar
AXIS
  • MEMBER
  • 107 POSTS
Tnx for the diagram.
Feb 11, 2021 at 9:43 AM (Merged)