Code C1234, VCS light on dash, only light that turns on?

2002 TOYOTA HIGHLANDER
210,000 MILES • 3.0L • V6 • 4WD • AUTOMATIC
Avatar
AMYBELL614
  • MEMBER
  • 11 POSTS
The vehicle listed above is a Limited model.

VCS light on dash illuminated. Only VCS light on dash turns on when putting car in drive and starting to drive forward.

Once when parked in a drive through ABS light came on then went away within minutes. ABS light was only on when car was not moving and it was very briefly on.

Took car to Toyota dealership. This is the Invoice:

VSC light is on. Perform health check found codes c1210 zero point
calibration of yaw rate sensor undone and c1336 zero point calibration of deceleration sensor undone and c1234 yaw rate sensor. Followed tis procedures. Proceed to perform zero point calibration of yaw rate sensor. Dtc codes c1210 and c1336 cleared. Code c1234 remained, followed tis procedure inspect yaw rate sensor using data list, place the yaw rate sensor vertically to the ground an turn the sensor pivoted on its center, yaw rate value changes. Then proceed next step to check skid control ecu terminal voltage, terminals yd and of skid control ecu is good. Voltage on test is 4.73v which is between the specs of voltage 4.5-5.3v. Next step is to replace skid control ecu
assy. And recheck. Test drove vehicle light did not return, if light return it skid control ecu may be needed… note, skid control is no longer available. Discontinued. Part# 89540-48230


Tried replacing ECU Skid Control part #89540-48230, VCS light is the only light on dash that comes on every time I start to drive the car forward and remains on. No ABS light, check engine light, etc. comes on dash. Only VCS light.

Please Help!
Nov 3, 2022 at 10:28 AM
Advertisement
Avatar
JACOBANDNICKOLAS
  • CERTIFIED EXPERT
  • 110,175 POSTS
Duplicate

See other post.
Nov 3, 2022 at 2:22 PM
Avatar
JACOBANDNICKOLAS
  • CERTIFIED EXPERT
  • 110,175 POSTS
Hi,

I noticed it has been a few days since you were contacted. I'm sorry about that. Are you referring to the VSC and not VCS? Let me know that.

Also, if it is the VSC (vehicle stability control) lamp on, are you sure the VSC on/off button wasn't pressed?

Let me know. Also, let me know if you have had the computer scanned since the repairs to see if there is anything stored that is related. In this case, you will need to have the can-bus scanned to retrieve codes from the ABS module.

Here is a link that explains how it's done:

https://www.2carpros.com/articles/can-scan-controller-area-network-easy

Let me know.

Joe
Nov 6, 2022 at 8:59 PM
Advertisement
Avatar
AMYBELL614
  • MEMBER
  • 11 POSTS
Yes, I meant the VSC light is on. The vehicle listed above, Limited AWD V6, does not have a VSC or traction control button, or at least not one that anyone has been able to locate in the vehicle. Code C1234 will not clear, still looking into the problem. Thank you for your response.
Nov 9, 2022 at 9:22 AM
Avatar
JACOBANDNICKOLAS
  • CERTIFIED EXPERT
  • 110,175 POSTS
Hi,

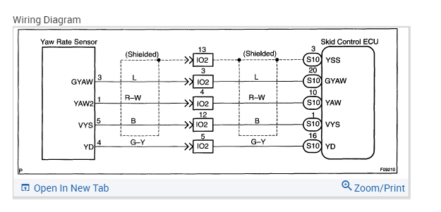
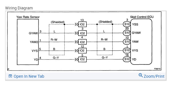
I attached diagnostics below specific to the code. Take a look through them and let me know if anything helps.

I realize you performed a zero-point calibration. So, I didn't add those directions.

Let me know.

Joe

See pics below.
Nov 9, 2022 at 4:28 PM