☰
Login
Join
×
Home
Answered Questions
Repair Topics
Repair & Service Guides
Popular Questions
Warning Lights
Trouble Codes
How It Works
Testing / Diagnostics
Symptoms
Videos
Login
Become a Member
Home
GMC
Yukon
Brakes
ABS
Wheel Speed Sensor
Replace/Remove
the ABS light comes on saying I need a front wheel speed sensor
2002 GMC YUKON
104,500 MILES • V8 • 4WD • AUTOMATIC
NCHRIS
MEMBER
2 POSTS
FOLLOW
when I turn the steering wheel to park in a space or back into a space the ABS light comes on saying I need a front wheel speed sensor.
May 20, 2011 at 9:53 PM
Advertisement
DANNY L
CERTIFIED EXPERT
5,648 POSTS
Hello, I'm Danny.
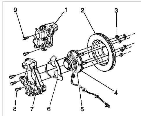
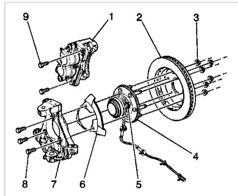
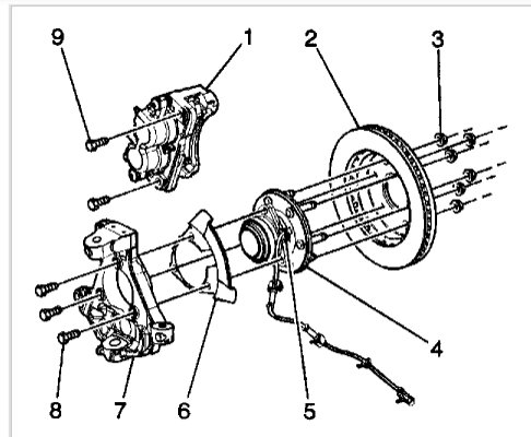
Here is the information you requested. This is a tutorial for you to view showing wheel speed sensor replacement:
https://www.2carpros.com/articles/how-to-replace-an-abs-wheel-speed-sensor
I've attached picture steps below showing how to remove and replace the wheel speed sensor on your vehicle. Hope this helps and thanks for using 2CarPros.
Images (Click to enlarge)
Mar 5, 2021 at 10:58 PM