Hello,
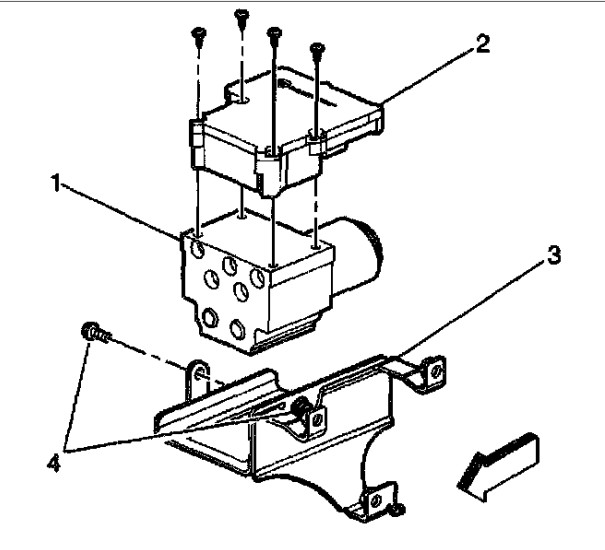
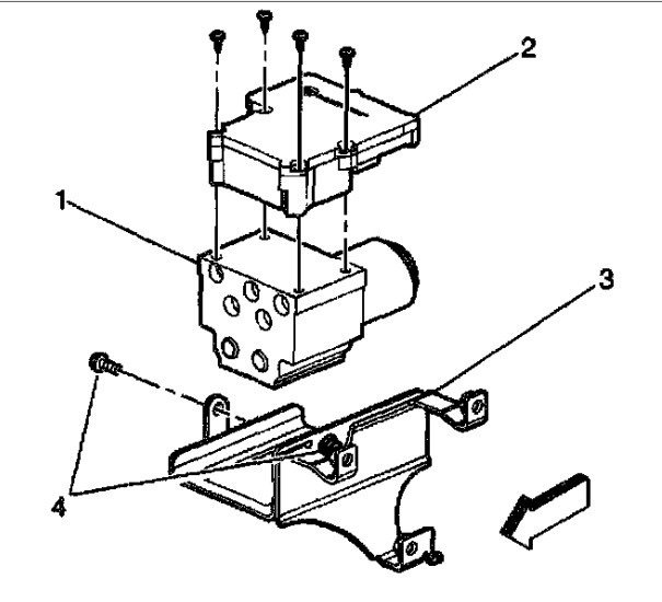
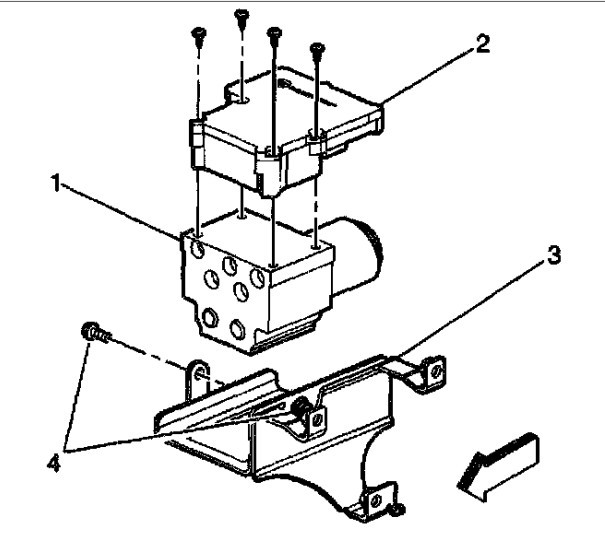
The electronic brake control module (EBCM) is located along the frame under the driver side (see diagram).
Here is a helpful video:
https://youtu.be/lUotkKXG9dY
https://www.2carpros.com/articles/how-to-replace-a-abs-controller
Depending on if your vehicle is equipped with active brake, the replacement procedure varies slightly.
I have attached the replacement procedure for both the active and standard brake system.
Please let me know of any questions.
Thank you.
Images (Click to enlarge)
Oct 8, 2021 at 4:21 PM