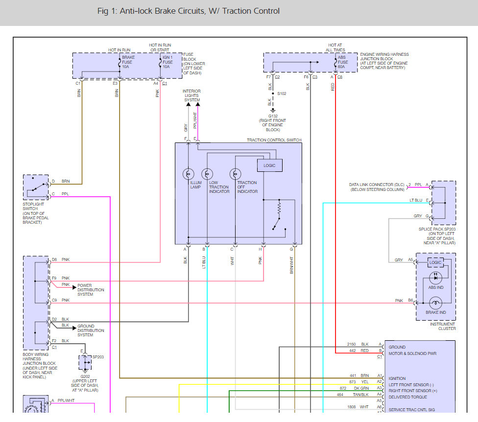
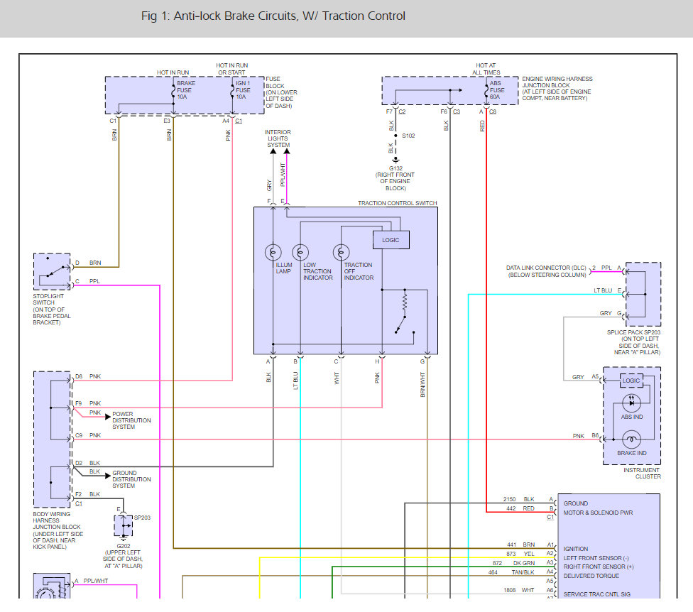
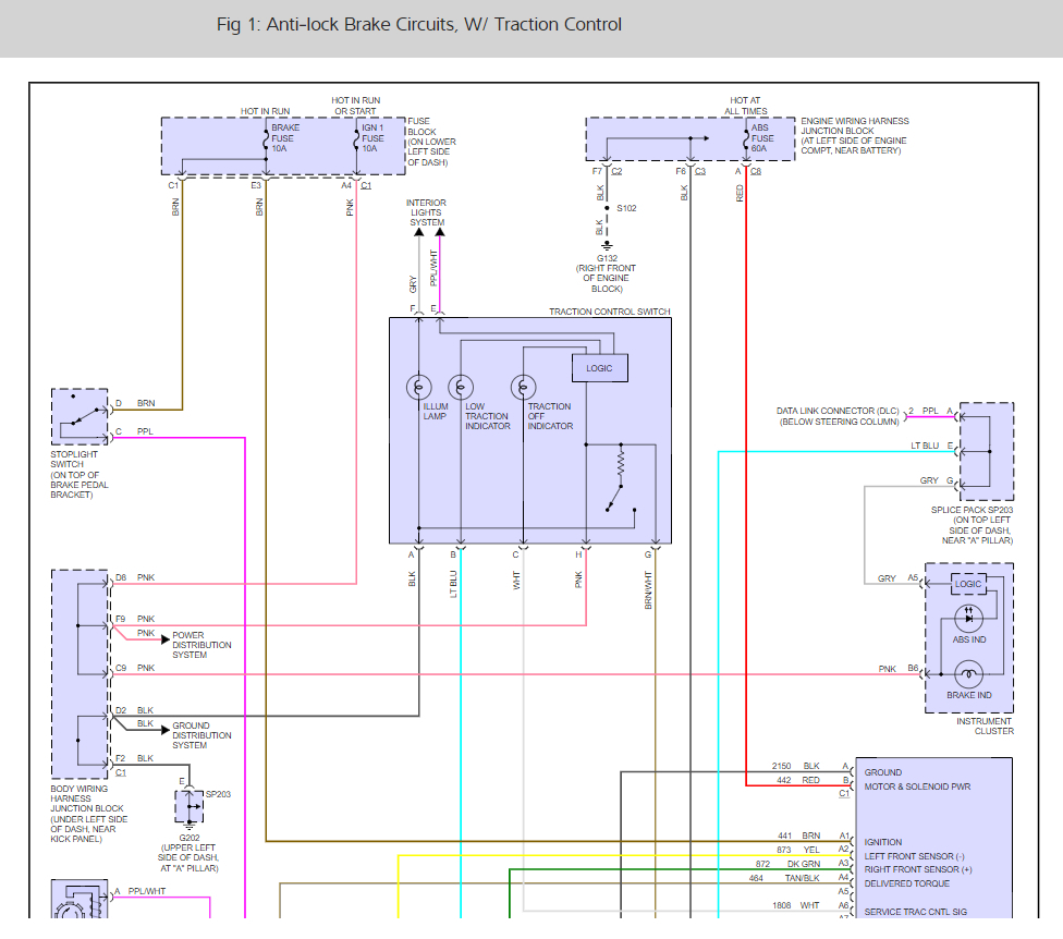
gmc suburban 2002 with mileage of 486511km. we replaced front and rear brake pads.after that when we start the engine ABS lamp doesnt goes off.we check it with scan tools.the result is that REAR WHEEL SPEED SENSOR SIGNAL MISSING. but we could not find the rear wheel speed sensor.were is the location of it?
Feb 27, 2012 at 5:10 AM

