☰
Login
Join
×
Home
Answered Questions
Repair Topics
Repair & Service Guides
Popular Questions
Warning Lights
Trouble Codes
How It Works
Testing / Diagnostics
Symptoms
Videos
Login
Become a Member
Home
GMC
Envoy
Suspension
Auto Ride
Switch
2002 GMC ENVOY
LUVMYBBYS87
MEMBER
1 POST
FOLLOW
Where would i look to find the switch or module on the rear axle for the air suspension?
Feb 26, 2013 at 12:20 AM
Advertisement
HMAC300
CERTIFIED EXPERT
48,601 POSTS
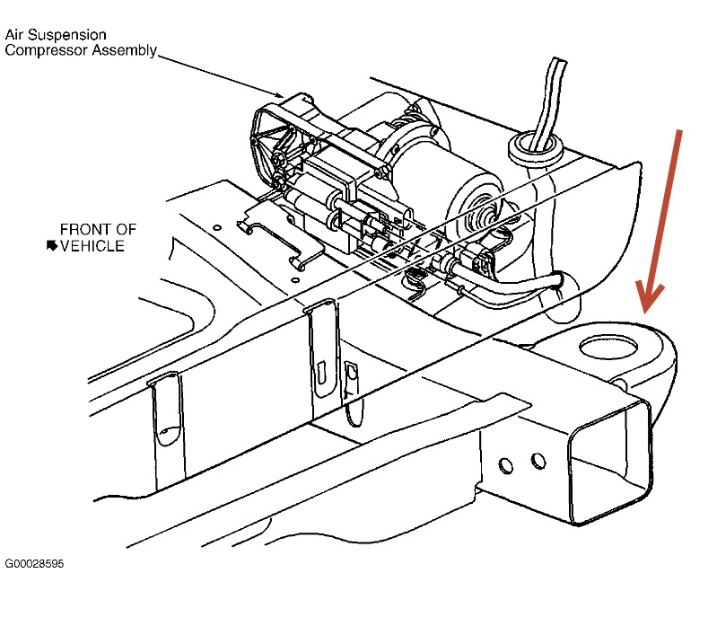
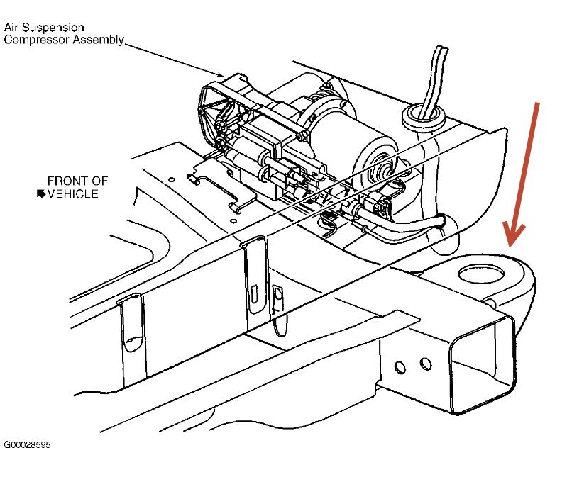
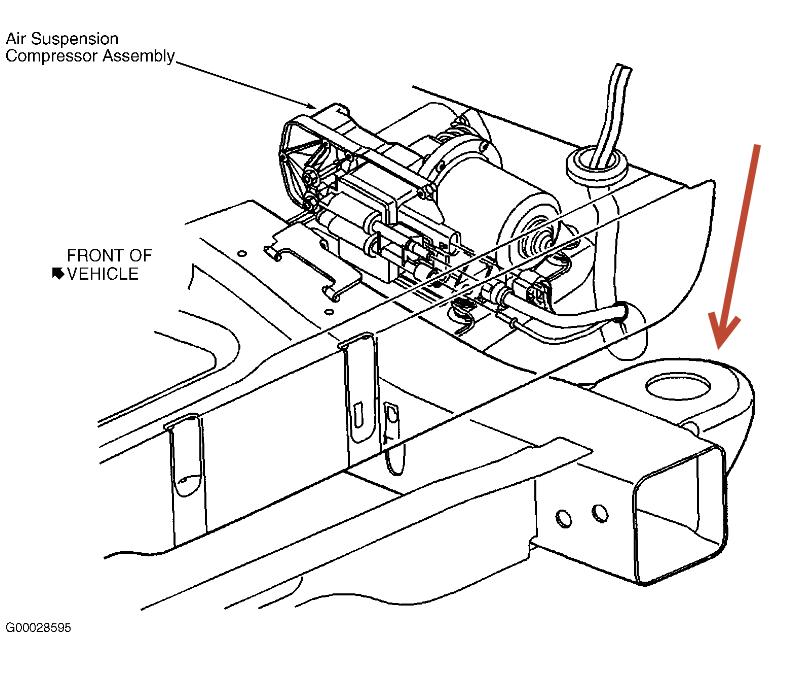
see pic it's o rh side unless it's an XL if on an XL it's on lh side inside frame. arrow points to rear body mount.
Image (Click to enlarge)
Apr 27, 2013 at 1:02 PM