low pressure ac port?

2002 FORD TAURUS
150,000 MILES • 6 CYL • FWD • AUTOMATIC
Avatar
JAMIEHANKINS
  • MEMBER
  • 4 POSTS
where do you add refrigerant ?
Apr 18, 2011 at 10:38 PM
Advertisement
Avatar
RASMATAZ
  • CERTIFIED EXPERT
  • 75,992 POSTS
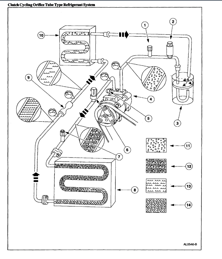
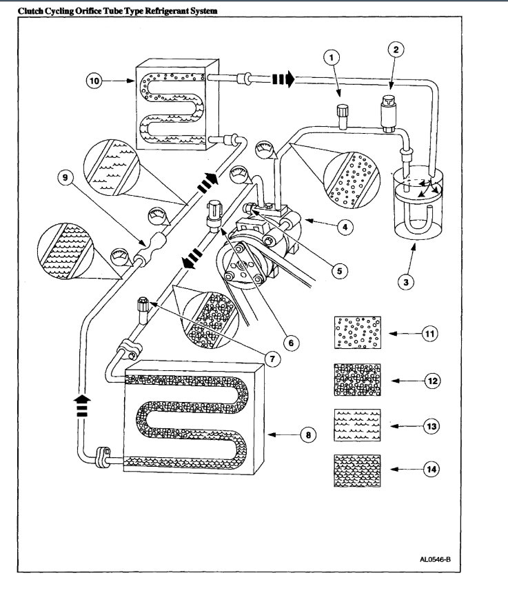
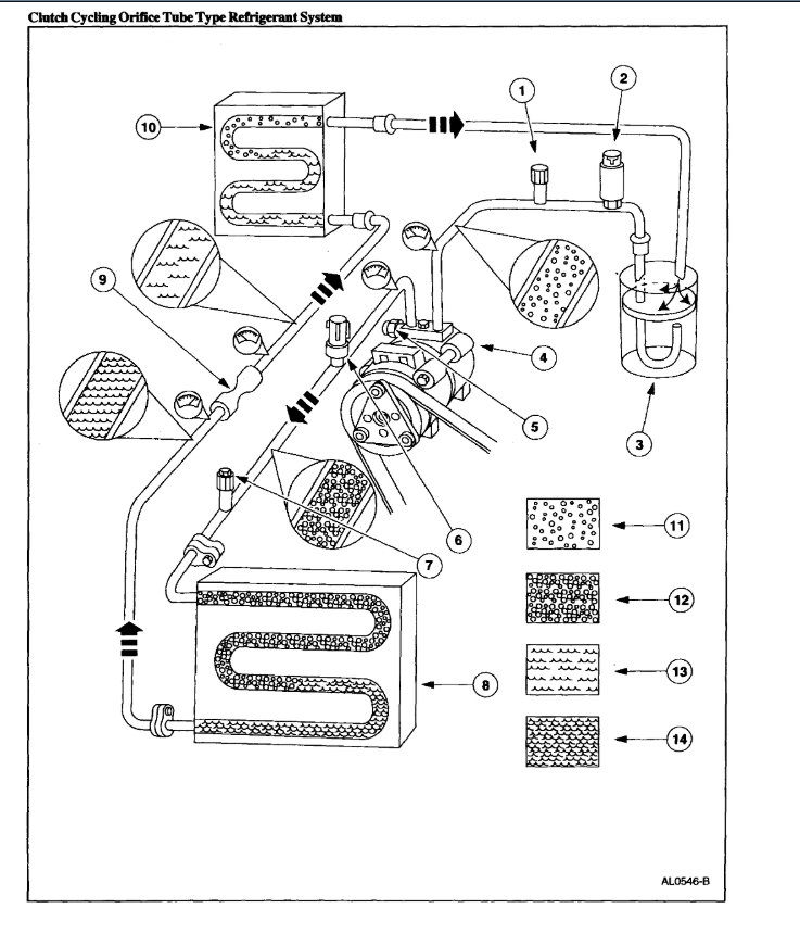
On the low side port here is a guide and a video to show you how

https://youtu.be/uZrQCGwXfek

and

https://www.2carpros.com/articles/air-conditioner-how-to-add-freon

Please let us know if you need anything else to get the problem fixed.
Apr 18, 2011 at 10:49 PM
Avatar
JAMIEHANKINS
  • MEMBER
  • 4 POSTS
I was unable to locate the low side that was my problem
Apr 18, 2011 at 10:53 PM
Advertisement
Avatar
WRENCHTECH
  • CERTIFIED EXPERT
  • 20,761 POSTS
Here is a video to help you see how to find it with diagrams below

https://youtu.be/ON2dYcmXIAw

Check out the diagrams (Below). Please let us know if you need anything else to get the problem fixed.
Apr 18, 2011 at 11:10 PM
Avatar
JAMIEHANKINS
  • MEMBER
  • 4 POSTS
Ive done it quite a few times i just didnt know where the port was. thank you.
Apr 18, 2011 at 11:15 PM
Avatar
WRENCHTECH
  • CERTIFIED EXPERT
  • 20,761 POSTS
Way in the back on the accumulator.
Apr 18, 2011 at 11:19 PM
Avatar
JAMIEHANKINS
  • MEMBER
  • 4 POSTS
thanks
Apr 18, 2011 at 11:30 PM
Avatar
STACY TRAEGER
  • MEMBER
  • 1 POST
Air Conditioning problem
2001 Ford Taurus 6 cyl Two Wheel Drive Automatic

i need to find the low side port for my ac
Jun 11, 2019 at 10:18 AM (Merged)
Avatar
RASMATAZ
  • CERTIFIED EXPERT
  • 75,992 POSTS


https://www.2carpros.com/forum/automotive_pictures/12900_s_5.jpg


https://www.2carpros.com/forum/automotive_pictures/12900_s1_50.jpg

https://www.2carpros.com/kpages/auto_repair_manuals_alldata.htm
Jun 11, 2019 at 10:18 AM (Merged)