☰
Login
Join
×
Home
Answered Questions
Repair Topics
Repair & Service Guides
Popular Questions
Warning Lights
Trouble Codes
How It Works
Testing / Diagnostics
Symptoms
Videos
Login
Become a Member
Home
Ford
Focus
Warning Lights
Check Engine Light
engine warning light on
2002 FORD FOCUS
70,000 MILES
STEPHENLAWLOR
MEMBER
5 POSTS
FOLLOW
driving home today my engine warning light came on what is the problem
Mar 1, 2012 at 8:30 PM
Advertisement
RASMATAZ
CERTIFIED EXPERT
75,992 POSTS
Scan the computer for code/s-start here
Mar 1, 2012 at 8:32 PM
STEPHENLAWLOR
MEMBER
5 POSTS
how do i do this
Mar 1, 2012 at 8:38 PM
Advertisement
RASMATAZ
CERTIFIED EXPERT
75,992 POSTS
Take it to Autozone and have it scanned for free-
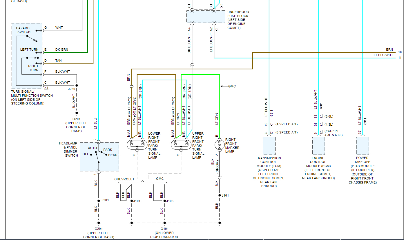
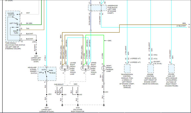
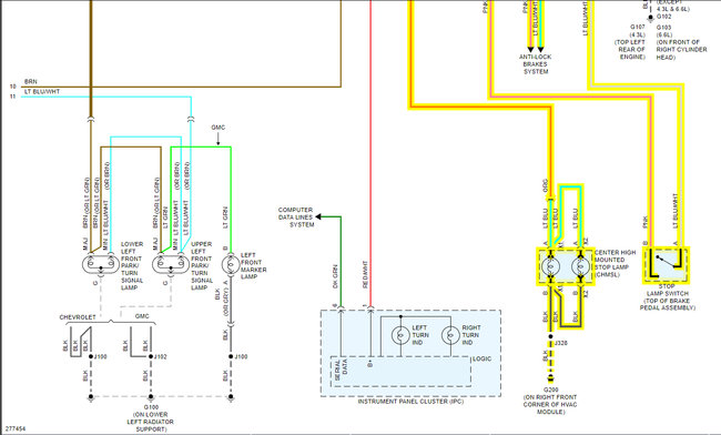
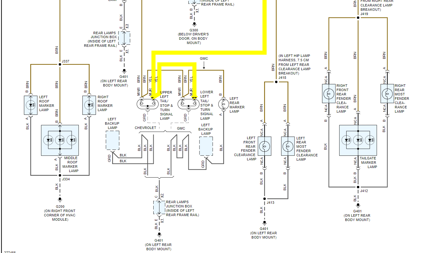
Images (Click to enlarge)
Mar 1, 2012 at 8:39 PM
STEPHENLAWLOR
MEMBER
5 POSTS
many thanks is it safe to drive
Mar 1, 2012 at 8:44 PM
RASMATAZ
CERTIFIED EXPERT
75,992 POSTS
You'll be okay-just get it scanned to find out what's going on.
Mar 1, 2012 at 8:54 PM
STEPHENLAWLOR
MEMBER
5 POSTS
autozone birmingham uk anybody have any ideas
Mar 1, 2012 at 9:25 PM
STEPHENLAWLOR
MEMBER
5 POSTS
does anybody have any info where i can get this code from in birmingham uk
Mar 1, 2012 at 10:09 PM
RASMATAZ
CERTIFIED EXPERT
75,992 POSTS
You need a scan tool to pull the code/s
Mar 2, 2012 at 8:05 AM