blinkers, hazard lights and bright lights wont work?

2002 FORD EXPLORER
270,000 MILES • 0.8L • 6 CYL • 2WD • AUTOMATIC
Avatar
SHASHA2407
  • MEMBER
  • 1 POST
Just bought ford exployer sport track blinks hazard lights and bright lights wont work

Feb 1, 2015 at 6:27 PM
Advertisement
Avatar
JACOBANDNICKOLAS
  • CERTIFIED EXPERT
  • 110,175 POSTS
Have you checked fuses? If they are good, it sounds like a bad multi function switch.
Feb 2, 2015 at 5:21 AM
Avatar
STRAILER
  • CERTIFIED EXPERT
  • 53,854 POSTS
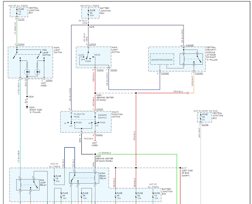
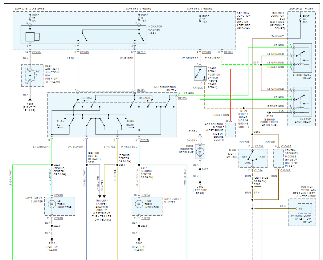
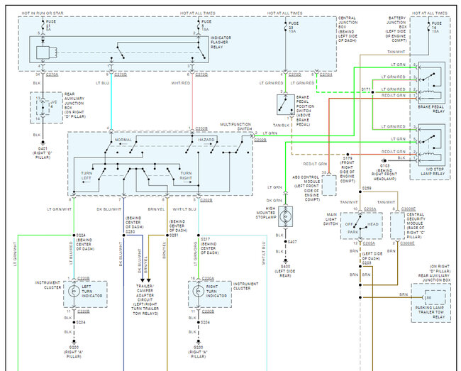
These might be separate problems, but we have some fuses to check first. Here is a guide to help and the headlight and blinker wiring diagrams so you can see which fuses to check and how the system works.

https://www.2carpros.com/articles/how-to-check-a-car-fuse

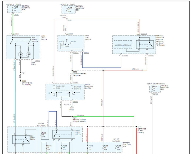
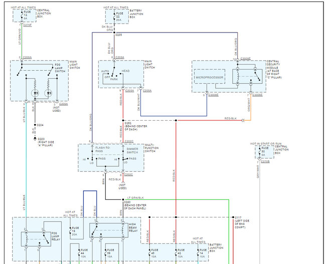
If the fuses are good I would swap out the multifunction switch, they go out all the time, here is how. Check out the images (below). Please let us know what happens.


Jul 24, 2024 at 6:56 PM
Advertisement