Blower motor doesnt work

2002 DODGE DURANGO
121,464 MILES • V8 • 4WD • AUTOMATIC
Avatar
DJSMX21
  • MEMBER
  • 3 POSTS
the front ac/heater will not turn on at all.... do you guys know what it is?? i tried the blower motor or the resistor, and that is not it.... any suggestions?
Dec 19, 2010 at 7:36 PM
Advertisement
Avatar
DOCFIXIT
  • CERTIFIED EXPERT
  • 18,828 POSTS
Do you have a volmeter? if yes need to check for voltage at HVAC select switch. Have checked fuses #13 and K in left fender box?
Dec 19, 2010 at 8:09 PM
Avatar
RASMATAZ
  • CERTIFIED EXPERT
  • 75,992 POSTS
Try testing the blower switch-if the AC/Heater fuse is okay
Dec 19, 2010 at 8:09 PM
Advertisement
Avatar
DJSMX21
  • MEMBER
  • 3 POSTS
the fuses are all ok just to make sure i bought new ones, where is the HVAC SELECT SWITCH AT?? THE blower motor is good, i have no clue what it could be.... im soooo fustrated.
Dec 21, 2010 at 2:22 AM
Avatar
RASMATAZ
  • CERTIFIED EXPERT
  • 75,992 POSTS
Check the blower motor switch:

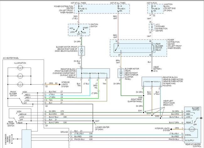
The heater-A/C blower motor is controlled by a five position rotary-type blower motor switch mounted in the heater-A/C control panel The switch allows the selection of one of four blower motor speeds, but can only be turned OFF by selecting the OFF position with the heater-A/C mode control switch ****.

The blower motor switch directs the blower motor ground path through the blower control switch to the blower motor resistor, as required to achieve the selected blower motor speed.

The blower motor switch cannot be repaired and, if faulty or damaged, the entire heater-A/C control unit must be replaced. The blower motor switch isnt serviced separately.

See the diagram below for replacement of the HVAC controller/blower switch and the wiring diagram
Dec 21, 2010 at 4:52 AM
Avatar
DJSMX21
  • MEMBER
  • 3 POSTS
i figured it out, it was the blower motor resistor, it was fried alond with the harness
Jan 5, 2011 at 8:03 PM
Avatar
RASMATAZ
  • CERTIFIED EXPERT
  • 75,992 POSTS
I'm glad that you have located the problem and fixed it -We appreciate your donation and TY for using to 2carpros-Good Luck!
Jan 24, 2011 at 1:00 AM
Avatar
MICHELE TIMMONS
  • MEMBER
  • 1 POST
Front heater not blowing at all it eventually gets warm but just will not blow.
Aug 6, 2020 at 10:49 AM (Merged)
Avatar
JACOBANDNICKOLAS
  • CERTIFIED EXPERT
  • 110,175 POSTS
Hi Michelle and thanks for using 2CarPros.com.

Does the fan blow if you place it on high? If so, the blower motor resister is bad and will need replaced. I will provide the directions later in this post.

If it will not turn on at all, chances are you blew a fuse or a bad relay. First, under the hood, locate the power distribution box near the battery. Locate relay 15 and switch it with another one in the box that has the same part number. (See pictures 1 and 2)

If you would rather check the relay, here are directions for testing:

https://www.2carpros.com/articles/how-to-check-an-electrical-relay-and-wiring-control-circuit

If that does not work, locate fuse "P" in the same box and check it.

https://www.2carpros.com/articles/how-to-check-a-car-fuse

If the fuse and relay are good, we need to check for power to the motor
The blower motor and blower wheel are located in the passenger side end of the heater-A/C housing, below the glove b See pic 3.

Check to see if you get power to the motor when turning the switch on. If there is power, suspect the motor is bad. Here are directions for replacement.

FRONT BLOWER MOTOR
REMOVAL
1. Remove the lower right kick panel.
2. Carefully pull carpeting back from trim panel and front cowl to gain additional clearance for blower motor assembly.
3. Unplug the blower motor electrical connector.
4. Remove the three screws that secure the blower motor and blower wheel assembly to the heater-A/C housing.
5. Pull the blower motor and wheel assembly out of the passenger compartment side of the heater-A/C housing.

INSTALLATION
1. Place the blower motor and wheel assembly inside the heater-A/C housing.
2. Position the blower motor and blower wheel assembly inside the housing.
3. Install the three screws that secure the blower motor and wheel assembly to the heater-A/C housing. Tighten the screws to 2.2 Nm (20 in. lbs.).
4. Plug blower motor electrical connections together.
5. Carefully install passenger side carpet.
6. Install lower right kick panel.
__________________________
If it does work on high, as I mentioned at the start, replace the resister. Here are the directions.

FRONT
REMOVAL
1. Disconnect and isolate the battery negative cable.
2. From the passenger foot well area, remove the two hex screws used to secure the blower motor resistor.
3. Unplug the front blower motor resistor from the wire harness connector.
4. Remove the front blower motor resistor from the HVAC unit.

INSTALLATION
1. Plug the front blower motor resistor into the wire harness connector.
2. Install the front blower motor resistor to the HVAC unit. (orientation required).
3. Install and tighten the two screws that secure the HVAC unit Tighten the mounting screws to 2 2 Nm(20 in. lbs).
4. Connect the battery negative cable.

See pic 4 for resister location.

I hope something here helps. I tried to cover all possible causes. Let me know if you have other questions and if you get it fixed.

Take care,
Joe
Aug 6, 2020 at 10:49 AM (Merged)
Avatar
JIMYODER48
  • MEMBER
  • 1 POST
i am not getting any power to blower motor switch.
Aug 6, 2020 at 10:49 AM (Merged)
Avatar
STEVE W.
  • CERTIFIED EXPERT
  • 15,113 POSTS
On that truck what you have is normal. The switch doesn't provide power to the system it is the ground. The power is applied to the blower on the dark green wire from the ignition switch. From there it goes through the blower motor and comes out on the dark blue with yellow striped wire. That wire goes to the resistor block and to the switch in the heater panel. The blower switch is grounded through the black wire to a point under the middle of the dash, this ground the entire panel so if the lights and other controls work the ground is good. The switch may be bad though. I would start by testing the blower motor under the dash itself, the easy way is to jump power from the battery to the two terminals for the fan. If it comes on high the motor may be okay. Then take a simple test light and connect it to battery positive. Unplug the blower resister located next to the blower motor and take the test light and use it to touch each of the connector pins. With the blower switch on low the tan wire on pin 5 should light the light, then on med 1 the light green on pin 4, med 2 will be light blue on pin 3 and for high pin one and the black tan wire should be ground. If those all check out but you still don't have a blower then the resistor is likely the culprit.
Aug 6, 2020 at 10:49 AM (Merged)
Avatar
TWINS70
  • MEMBER
  • 1 POST
I've noticed my blower did not work on 3. Now it does not work when I start the car and it will trickle out after 5 minutes of running then turn off again. Both A/C and heat settings
Aug 6, 2020 at 10:49 AM (Merged)
Avatar
RASMATAZ
  • CERTIFIED EXPERT
  • 75,992 POSTS
Inspect and test the blower switch and the blower motor resistor
Aug 6, 2020 at 10:49 AM (Merged)
Avatar
FIEROJUNKY73
  • MEMBER
  • 2 POSTS
Electrical problem
2002 Dodge Durango V8 Four Wheel Drive Automatic

I have a 2002 durango that blower doesnt work... I have replaced the switch, resitor, and have check the blower motor itself and it works, but when hooked up in car i get nothing... Ive checked all fuses and relays underhood and in car nothing blown... Is there an inline fuse somewhere i can check... If so where is it? Thanks for any help..

Mark
Aug 6, 2020 at 10:49 AM (Merged)
Avatar
JDL
  • CERTIFIED EXPERT
  • 16,098 POSTS
Did you do any voltage testing? Test voltage at applicable fuse/s, even if fuse is good, if no voltage, the circuit is dead. Get at the blower motor, take connector loose, turn on key and hvac controls. Check for voltage and ground at the blower connector. Maybe you've already done all this??
Aug 6, 2020 at 10:49 AM (Merged)
Avatar
FIEROJUNKY73
  • MEMBER
  • 2 POSTS
will check for voltage at fuse box, didnt think of that... will post back to let you know..
Aug 6, 2020 at 10:49 AM (Merged)
Avatar
RASMATAZ
  • CERTIFIED EXPERT
  • 75,992 POSTS
If there's no power on the dark green wire on the blower motor test fuse no. 13 40 amp and ignition switch
Aug 6, 2020 at 10:49 AM (Merged)
Avatar
TERRY54
  • MEMBER
  • 1 POST
The blower only works on the highest setting and it does not blow cold air, however the rear controls all work properly and it does blow cold air in the back. Any ideas????
Aug 6, 2020 at 10:49 AM (Merged)
Avatar
OBXAUTOMEDIC
  • CERTIFIED EXPERT
  • 3,711 POSTS
It is most likely the Blower Motor Resistor. It is located in the duct work under the passenge dash. Here is a picture. The cost is under $20


https://www.2carpros.com/forum/automotive_pictures/188069_710211_1.jpg

Aug 6, 2020 at 10:49 AM (Merged)
Avatar
JAGAZZ
  • MEMBER
  • 1 POST
I have a 2002 dodge durango 4.7 litre 4x4 and my heater/ac fan wont work in the front. no problems with the rear unit. fuses are good what else can i check?

I have checked all the fuses not sure about the ac relay, but the fan wont blow on ac or heater.
Aug 6, 2020 at 10:49 AM (Merged)
Avatar
ASEMASTER6371
  • CERTIFIED EXPERT
  • 52,796 POSTS
either a blower resistor or blower motor. you need to check for power to the motor. if there is, then the motor has failed. if not, the resistor most likely has failed.

Roy
Aug 6, 2020 at 10:49 AM (Merged)
Avatar
TONYL35
  • MEMBER
  • 1 POST
Hi – Driving this morning the front blower fan was working fine. After turning off the car and later restarting it, the front blower fan would not work in any of the position (slow or fast). The rear blower fan works fine. Got home and took out the blower fan. Hook it up to a 12 volt source and it works. Check the fuse panel on the drive side dash and under the hood. All fused look good. Please help.
Thank you - Tony
Aug 6, 2020 at 10:49 AM (Merged)
Avatar
BLUELIGHTNIN6
  • CERTIFIED EXPERT
  • 16,542 POSTS
check blower motor relay(s) and blower resistor
Aug 6, 2020 at 10:49 AM (Merged)
Avatar
FRANKIEFUEGO
  • MEMBER
  • 18 POSTS
My blower only works on the highest setting. If I turn it down, it just stops blowing. Also the back blower will not blow warm air. Is it my blower or something else?
Aug 6, 2020 at 10:50 AM (Merged)
Avatar
BMRFIXIT
  • CERTIFIED EXPERT
  • 19,053 POSTS
[quote:45fdb487ba="frankiefuego"]My blower only works on the highest setting. If I turn it down, it just stops blowing. Also the back blower will not blow warm air. Is it my blower or something else?[/quote:45fdb487ba]


front one
you need blower motor resister
Aug 6, 2020 at 10:50 AM (Merged)
Avatar
DENNIS37
  • MEMBER
  • 1 POST
SPEEDS1-3 STOPPED WORKING, BUT 4 STILL WORKS.IS IT THE SWITCH OR THE MOTOR ITSELF? IF ITS THE SWITCH HOW DO GET THE OLD ONE OUT AND THE NEW ONE IN?
Aug 6, 2020 at 10:50 AM (Merged)
Avatar
OBXAUTOMEDIC
  • CERTIFIED EXPERT
  • 3,711 POSTS
[quote:b4ce184bbf="DENNIS37"]Electrical problem
2001 Dodge Durango V8 Four Wheel Drive Automatic 77000 miles

SPEEDS1-3 STOPPED WORKING, BUT 4 STILL WORKS.IS IT THE SWITCH OR THE MOTOR ITSELF? IF ITS THE SWITCH HOW DO GET THE OLD ONE OUT AND THE NEW ONE IN?[/quote:b4ce184bbf]

Hello,

Sounds like your blower motor resistor. The resistor for the front blower motor is located in the engine compartment on the passenger firewall the rear is located near the rear blower motor housing.

.
Aug 6, 2020 at 10:50 AM (Merged)
Avatar
JUDY&JIM
  • MEMBER
  • 1 POST
the blower resister was replaced less than a year ago, because it stopped working, now it will only run on the high control, what is the cause of this?
Aug 6, 2020 at 10:50 AM (Merged)
Avatar
CADIEMAN
  • CERTIFIED EXPERT
  • 3,544 POSTS
the blower maybe drawing to much amperage and may need to be replaced
Aug 6, 2020 at 10:50 AM (Merged)
Avatar
JACK POWELL
  • MEMBER
  • 1 POST
my blower motor in front will not work when i checked the motor direct to the battery it works. when i hook it up and checked fuses all ok both inside fuse panel and under hood fuse compartment but the blower still doesn't work. but i did notice that the rear blower has a relay marked on panel but i have not found the front relay is located
Aug 6, 2020 at 10:50 AM (Merged)
Avatar
RASMATAZ
  • CERTIFIED EXPERT
  • 75,992 POSTS
Inspect and test the blower switch and also the ground circut, also check fuse no.13 40amp in PDC
Aug 6, 2020 at 10:50 AM (Merged)
Avatar
SHANNONT
  • MEMBER
  • 2 POSTS
The heating in my Durango was working fine, and it suddenly stopped blowing air while I was driving. The rear heaters still blow air fine, and I can feel slight hot air when I put my hand against the vents and the defroster in the front, but there is no force. Before it stopped working, it would mostly only blow air on the highest setting. Now it doesn't blow on any setting. Is this likely a blown fuse, or is it something else? And how would I fix it?
Aug 6, 2020 at 10:50 AM (Merged)
Avatar
CARADIODOC
  • CERTIFIED EXPERT
  • 34,306 POSTS
It could be a fuse, but not in the sense you're used to. The common failure is the fan motor bearings get tight, and that makes the motor draw higher current than normal. The fuse is a thermal fuse built into the resistor assembly. Most people just replace the resistor assembly but that is going to fail again in short order. The fan motor must be replaced too.
Aug 6, 2020 at 10:50 AM (Merged)
Avatar
SHANNONT
  • MEMBER
  • 2 POSTS
How much does replacing both usually.cost?
Aug 6, 2020 at 10:50 AM (Merged)
Avatar
CARADIODOC
  • CERTIFIED EXPERT
  • 34,306 POSTS
We don't get involved with costs here because there's too many variables. You can look up the parts on any auto parts store's web site. That will give you an idea, but you'll pay more at a repair shop, just like you pay more at any other retail store.

Replacing the resistor assembly usually takes just a few minutes. The fan motor could be a simple job or very involved. I never did one on your model, but any repair shop can give you an estimate. Most of them go by a "flat rate" manual that lists labor times for each procedure. That way they all charge you for the same amount of time. Only their hourly charge will vary.

You have to remember that the cause of the problem hasn't been properly diagnosed yet. I only went by the symptoms you described. You could have a bad switch assembly too, especially if you use the heater fan on the higher speeds a lot. That increases the current flow through the switch and can easily overheat the contacts. That can result in one or multiple speeds not working at first.
Aug 6, 2020 at 10:50 AM (Merged)