Taillights not working

2002 DODGE CARAVAN
173,000 MILES
Avatar
BLUEEYESPDC
  • MEMBER
  • 36 POSTS
The brake lights and the turn signals work fine. I have checked the fuses and the bulbs and they are both fine.

I have turn signals flashers and brake lights but no running lights. And it just happened all the sudden. There was a minor impact to rear do not know if that has anything to do with it or not. It only dented the bumper did not hit the lights.

I did not check that I just checked to see that the fuses were not blown there is a separate fuse for the left and right side. They both look okay.

Please help.
Jun 13, 2012 at 1:55 AM
Advertisement
Avatar
SATURNTECH9
  • CERTIFIED EXPERT
  • 30,869 POSTS
Hello,

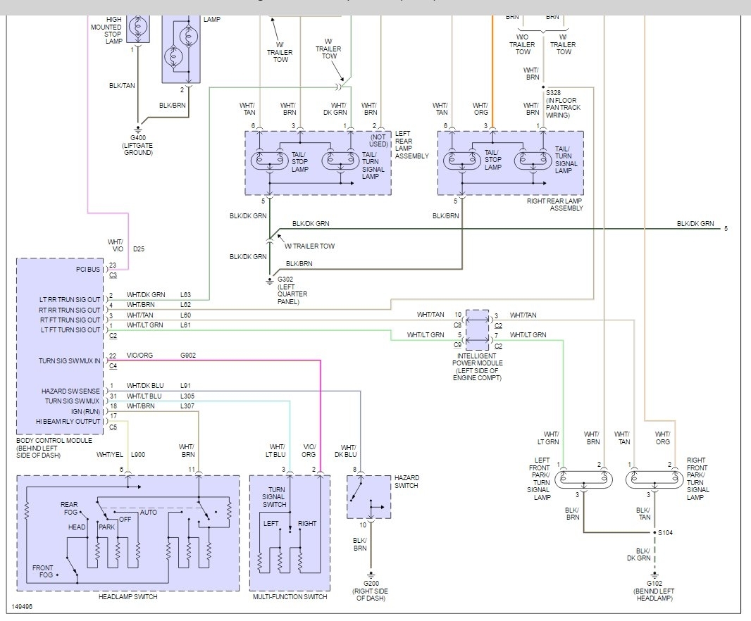
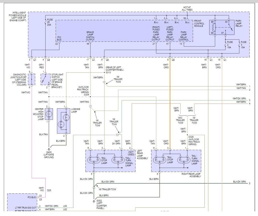
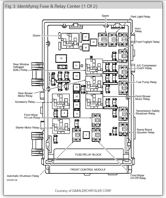
Can you check for power at the #3 fuse? Here is a guide and the fuse location:

https://www.2carpros.com/articles/how-to-check-a-car-fuse

Check out the diagrams (below). Please let us know what you find.

Jun 13, 2012 at 2:37 AM
Avatar
BLUEEYESPDC
  • MEMBER
  • 36 POSTS
Okay, I will check that tomorrow. So I check with a test light where the fuses go into the box? Is there a specific relay for the running/tail lights?
Jun 13, 2012 at 3:25 AM
Advertisement
Avatar
BLUEEYESPDC
  • MEMBER
  • 36 POSTS
I checked with a simple test light and there is nothing at the fuses. What now?
Jun 17, 2012 at 4:56 PM
Avatar
BOSS702
  • MEMBER
  • 1 POST
Can you let me know what the final resolve was please? I am experiencing the exact issue with my van! Thanks man.
Jul 15, 2012 at 7:50 PM
Avatar
BLUEEYESPDC
  • MEMBER
  • 36 POSTS
Come to find out it was actually missing the relay for the daytime driving lights.
Jul 16, 2012 at 5:50 AM
Avatar
STRAILER
  • CERTIFIED EXPERT
  • 53,854 POSTS
Hey BLUEEYESPDC,

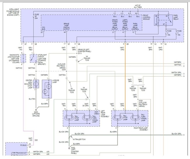
Someone took the relay out? Below are wiring diagrams for anyone else that wants to troubleshoot this problem. Start with the parking light relay

Here are some guides to help you fix the problem:

https://www.2carpros.com/articles/how-to-use-a-test-light-circuit-tester

and

https://www.2carpros.com/articles/no-tail-lights-exterior-running-lights-tail-lights-out

and

https://www.2carpros.com/articles/how-to-check-an-electrical-relay-and-wiring-control-circuit


Please let us know what you find so it will help others.

Best, Ken



Jan 5, 2017 at 8:58 AM
Avatar
JOWOODS1999
  • MEMBER
  • 15 POSTS
I just bought a used 2002 Dodge Caravan Sport. It is in pretty good shape but needs a few things, most of which I know how to do. Just these small things I don't.
I noticed my break lights didn't work (3 lights top middle and two sides), checked the fuse and it was blown so I replaced it. It was hard to see but I thought they were working, the top light was at least. I checked them again at night and the top was working, the bottom was not. Just running the basic running lights, but did not do anything when the break was pressed. I opened it up and only found it used two bulbs, both is great working order. I did though however notice where the previous owner had spliced into the cable to add lights for a trailer hitch. So I'm thinking that is the problem, I got some 18 gauge wire and plan to remove the extra wire for the trailer hitch I don't use and put the wires back together. So my question is could this be the problem why two out of 3 lights are not working, and secondly what is the basics for re attaching these wires after I remove the added spliced wires. They are spliced with black tape! Could this be something else?
After I take care of this, I will surely have more questions. I do not have know what to donate, I don't have much. This van is taking a lot of my money. I do not mind paying a little if that is okay.
Thank you for your time,
Josh Woods
Oct 29, 2018 at 12:48 PM (Merged)
Avatar
HMAC300
  • CERTIFIED EXPERT
  • 48,601 POSTS
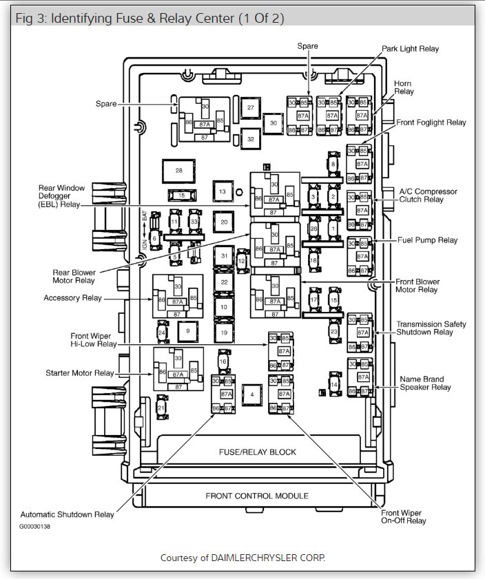
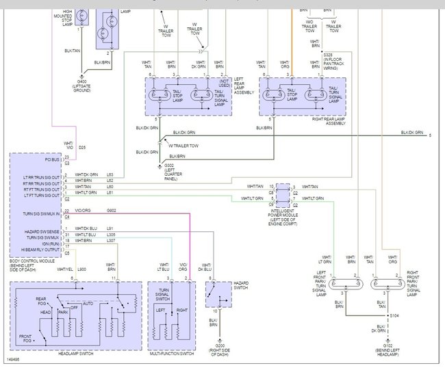
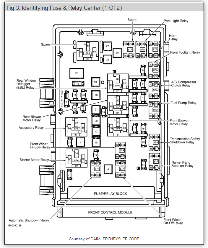
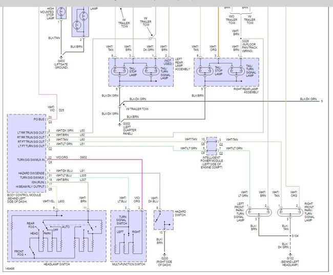
there are 4 relays in left rear quarter panel check those first pic only shows three because of space. when you put wires back together use solder and shrink tube to protect it then if you can buy some conduit use that and cover ends with tape because if you live in northern climate snow will accumalte there. also tie up with wire ties to frame if you can. second pic shows color of wire that deals with brake lights. Also to check relays go to our how to repair site-electrical- how to check a relay to see if they are any good or working. you should use 14 or 16 gauge wire not 18 it' s to small to carry the load . see pics.
Oct 29, 2018 at 12:48 PM (Merged)
Avatar
JOWOODS1999
  • MEMBER
  • 15 POSTS
I inspected the wires to the trailer tow lights, all seemed to be working great. I did that this morning, since I have checked every fuse that I have, changed the brake light switch, even changed the bulbs. The top middle light comes on but the bottom to do not. I am at my wit's end with this.
Any more suggestions would be greatly appreciated.
Thank you,
Josh
Oct 29, 2018 at 12:48 PM (Merged)
Avatar
HMAC300
  • CERTIFIED EXPERT
  • 48,601 POSTS
if you didn't check the relays in the last reply I sent it could be those or a ground to the relays they have to operate in order for your brake lights to work. I see no mention of it in your reply. also you will h ave to check your multi function switch as if that is bad your t/s or brake lights will not work. also this is controlled by body module so a pro will h ave to scan it to see if module is bad or a poor connection like the harness isn't in all the way. it's under the lh side of dash so make sure it has a good connection prior to getting it scanned
Oct 29, 2018 at 12:48 PM (Merged)
Avatar
JOWOODS1999
  • MEMBER
  • 15 POSTS
I discovered the windshield washer switch in my turn signal switch is broken. So I tested the signal again and it has some issues. So I hope I'm right about this, ordered a new turn signal switch. I know it and the brakes are all on the same circuit. So hope that is going to fix it. The part will be here Tuesday. I'll post a reply as to what happened.
Oct 29, 2018 at 12:48 PM (Merged)
Avatar
HMAC300
  • CERTIFIED EXPERT
  • 48,601 POSTS
if not then it's probably your body module as all t/s brake lights go through that, a pro scanning it will tell quickly
Oct 29, 2018 at 12:48 PM (Merged)
Avatar
BRANDIWEBER12
  • MEMBER
  • 1 POST
I have no tail lights or running lights- but I do have brake lights
The directionals do not work- but I have working hazards
The dash lights do not work- but the digital odometer works and so does the radio

We have replaced the light dimmer switch
We have checked both inside and under the hood fuse boxes and relays
Oct 29, 2018 at 12:48 PM (Merged)
Avatar
JACOBANDNICKOLAS
  • CERTIFIED EXPERT
  • 110,175 POSTS
Have you checked for ground issues? If you supply a ground to the lights, do you get power?
Oct 29, 2018 at 12:48 PM (Merged)
Avatar
JOWOODS1999
  • MEMBER
  • 15 POSTS
So I changed the blinker switch, no change to the lights. So I did a pro scan as Hmac300 suggested. It showed my right front ABS sensor was damaged. So I ordered and just replaced that this afternoon, still no change. The running lights still work, the third brake light works but when the brakes are applied the bottom two still don't light up. I'm getting really close to being beyond what I can do on my own.
I needed to reset the IOD, so I am in the process of that now. Taking out the fuse, removing the neg cable from the battery and waiting. As my sliding doors won't lock automatically. So in some weird hope, that the reset might fix the lights. Yet, I doubt it. I am at a complete lost, I have no idea how to do the wiring... What else have I missed that I may be able to fix. Hopefully I won't have to buy anymore parts. I'm down to 12 before the inspection is due and I'm lost. Thanks in advance for any help...Had a friend mention something about the circuit board??
Oct 29, 2018 at 12:48 PM (Merged)
Avatar
HMAC300
  • CERTIFIED EXPERT
  • 48,601 POSTS
from your replies your STILL haven't checked the relays like I said. That was in my very first reply if the relays are bad you arent' going to have rear lights the pic is in the first reply and even shows where they are located. You can go to our how to repair site and look under electrical and how to check a relay.
Oct 29, 2018 at 12:48 PM (Merged)
Avatar
JOWOODS1999
  • MEMBER
  • 15 POSTS
Okay so I got to ask the stupid question. How to access behind the left rear quarter panel?
Oct 29, 2018 at 12:48 PM (Merged)
Avatar
HMAC300
  • CERTIFIED EXPERT
  • 48,601 POSTS
instructions are from a 2005 but they don't have any for 2002 so yours should be similar. no pics in this.
Oct 29, 2018 at 12:48 PM (Merged)
Avatar
JOWOODS1999
  • MEMBER
  • 15 POSTS
So this is where I am at. I've opened up the left rear quarter panel. Still haven't reach any relays but I'm still digging. This is new for me I've never went threw the quarter panel to find relays, so I'm learning as I go here.
I did however notice this wire in the pic. It is taped with black tape to the wires around it. It has a plug for a harness but so far can't find a harness that is missing anything.
So not sure if that may be the problem, I still can't find the relays.
Thanks!
Oct 29, 2018 at 12:48 PM (Merged)
Avatar
JOWOODS1999
  • MEMBER
  • 15 POSTS
Could this be in the BCM under the dash?
Oct 29, 2018 at 12:48 PM (Merged)
Avatar
HMAC300
  • CERTIFIED EXPERT
  • 48,601 POSTS
yes it cold be the bcm but if no power going to relays they won't work either.
Oct 29, 2018 at 12:48 PM (Merged)
Avatar
JOWOODS1999
  • MEMBER
  • 15 POSTS
So first, I discovered my test light bulb was burnt out. Changed that and got a lot of answers but still not brake lights. I got three mechanics stumped plus me. Everything from the BCM to all that is behind the left rear quarter panel all the way in to the tail light plug has power and works fine.
Now the actual tail lights still only up the running, blinker, and parking lights. Still no brake lights. I'm not sure if I should replace the plug or the tail lights them selves since they have wiring side the plastic that I cannot reach.

I read someone talking about an extra ding when you first start the vehicle could mean bad tail light plugs. I thought it did that for my ABS sensor, but it's fixed and still does it. Also I cannot find the correct wiring diagram to install a new plug.... No idea what to do next.

Any ideas would be really appreciated!

Thanks!
Oct 29, 2018 at 12:48 PM (Merged)
Avatar
HMAC300
  • CERTIFIED EXPERT
  • 48,601 POSTS
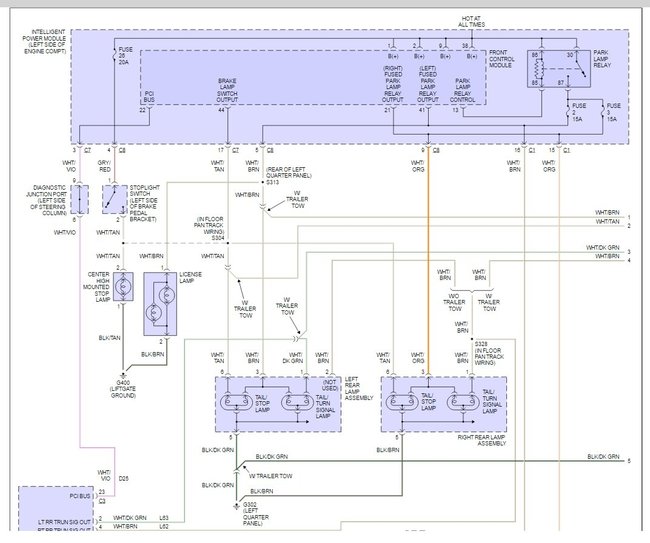
a good ground on your test light and see if power is going to the socket for the brake lights and other lights. see pic for color of wires to check the wht/brn is for stop lights on left side and right side is org. also relays are in lh quarter panel for these ut if yo have power to brake light wire they should be ok. these could be above wheel well so a panel will need to be removed to access them.
Oct 29, 2018 at 12:48 PM (Merged)
Avatar
JOWOODS1999
  • MEMBER
  • 15 POSTS
New Tail lights solved the problem!
Picked them up today and that fixed it. I'm assuming the last owner for some reason or another put on the wrong ones. Because the ones on there had 4 prongs for the plug and the OEM were 5. I changed to a 5 prong lamp and they are working perfectly!!!
Oct 29, 2018 at 12:48 PM (Merged)
Avatar
KARL HENRY
  • MEMBER
  • 1 POST
Hey, I know this is an old thread, but in case you are looking for a fix for your town&country/caravan 2001-2007 tail lights, you may want to hear my story. My symptom was the old quick flashing of the turn signal. We had no illumination for a left rear turn signal or brake light. I used a voltmeter and could see 12 volts making it to the body side wiring harness. I could see continuity to ground through the body side harness. In other words, everything looked fine! Ah, but the taillight itself. I removed the two bulb holders and tried to read continuity from the tail light wiring harness to the little metal contacts that make the circuit to the bulb holders. I could only get continuity if I scratched hard with the meter lead. I then cleaned all the contacts on the tail light side and the bulb holder side(s). I carefully bent out the contacts on the bulb holders. I applied bulb grease to the bulb holder side contacts and reinstalled the bulb holders. Hey presto, the turn signals worked. You will notice I fixed this with a piece of fine sandpaper, a screwdriver, and some bulb grease. I did not buy new taillights. Not throwing stones. Just trying to save the next guy some money and frustration. Good luck!
Mar 4, 2020 at 10:26 AM
Avatar
NATHAN TUTTLE
  • MEMBER
  • 2 POSTS
Hello all. I know this thread is old. I am having the same issue. I fixed the front left turn signal by stripping the ground connection and re-soldering the joint. Now I have no left rear turn signal.

It is possible that I didn’t have a good joint on the black green wire that supplies ground to the rear but I think it is good. I have checked all fuses.

There was a mention of a fuse in the left quarter panel but I am not sure how to access it on my 2005 town and country. Anyone know how or should I just check the rear light for a faulty ground?


Solved!

Right after my post I couldn’t handle it anymore. Went back and pulled out the bulbs.

If you look at the images you will notice that the right terminal was a little corroded. Just took the edge of my screwdriver and peeled off a little of the gunk. Worked like a charm!

I wonder if bulb grease would make them brighter.
May 18, 2020 at 3:46 PM
Avatar
KASEKENNY
  • CERTIFIED EXPERT
  • 18,907 POSTS
Thanks for the update. That is great info. All too often people discount the importance of the connection points. This is a great example of how important they are. Great work and thanks for sharing.
May 21, 2020 at 5:04 PM