odometer not working

2002 CHEVROLET TRAILBLAZER
130 MILES
Avatar
ALIZIA
  • MEMBER
  • 1 POST
i thought i could be the ignition switch which i tested and was bad replaced that but did work for the lights for the gear indicator or the odometer.The light use to come on sometimes. but now not at all. just two more question if they both come from the same source why would it only effect the dash light (Gear indicator and the Odometer) and not the headlights? Like I said everything else works just fine just not those two. Is there a fuse or a wire to test to see if it is the switch?
Nov 13, 2011 at 1:19 AM
Advertisement
Avatar
STRAILER
  • CERTIFIED EXPERT
  • 53,855 POSTS
Hello,

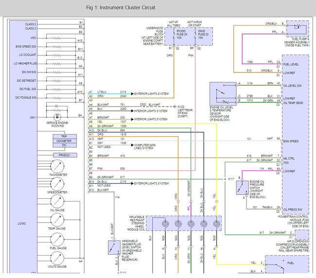
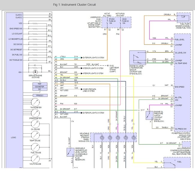
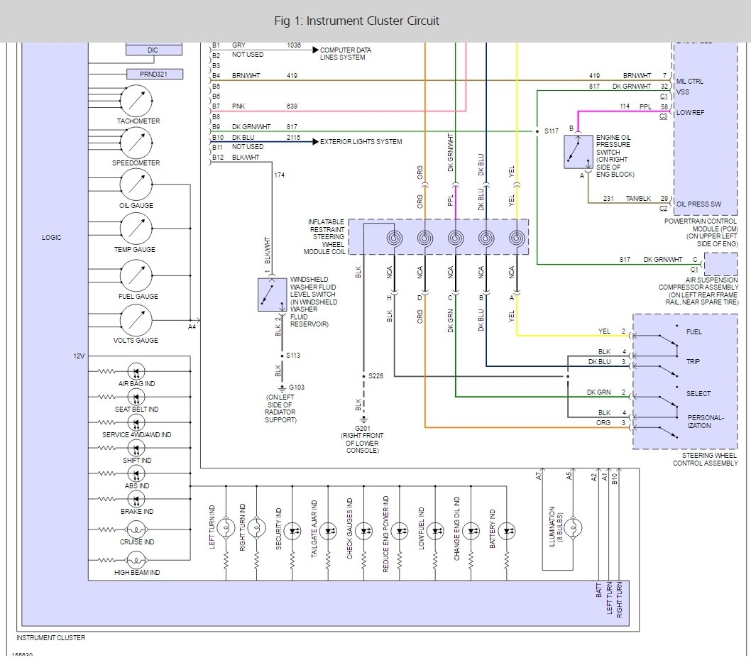
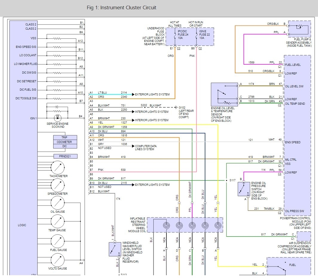
This is probably a fault of the clutch LCD display going out, but just to make sure here is a wiring diagram that shows the fuses that need to be checked, and you can follow this guide to check them.

https://www.2carpros.com/articles/how-to-check-a-car-fuse

The wiring diagrams are below

Please run this test and get back to us so we can continue helping you.

Best, Ken

Mar 18, 2017 at 2:54 PM