☰
Login
Join
×
Home
Answered Questions
Repair Topics
Repair & Service Guides
Popular Questions
Warning Lights
Trouble Codes
How It Works
Testing / Diagnostics
Symptoms
Videos
Login
Become a Member
Home
Chevrolet
Tracker
Engine
Symptoms
Stall at Idle
Electrical Problem
2002 CHEVROLET TRACKER
11,600 MILES
CHICH1218
MEMBER
2 POSTS
FOLLOW
The car started sputtering, then stalled. The horn went off and then the housing for the horn melted off. Any idea what would cause this?
Dec 30, 2011 at 8:50 PM
Advertisement
RIVERMIKERAT
CERTIFIED EXPERT
6,110 POSTS
Massive electrical short or engine fire.
Dec 30, 2011 at 10:14 PM
CHICH1218
MEMBER
2 POSTS
How do I check to see what shorted (there was no fire) and how do I fix it?
Dec 30, 2011 at 10:24 PM
Advertisement
RIVERMIKERAT
CERTIFIED EXPERT
6,110 POSTS
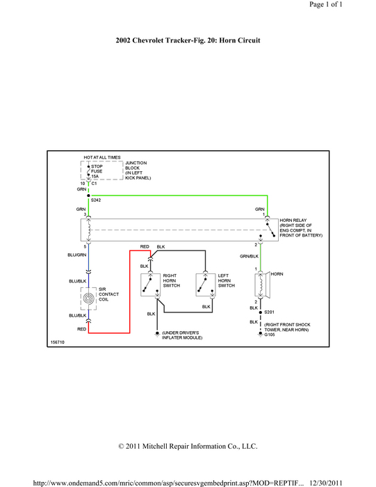
Look for blackened or burnt wires. Your statement about the horn issue tells me this is a great place to start looking.
Image (Click to enlarge)
Dec 30, 2011 at 11:22 PM