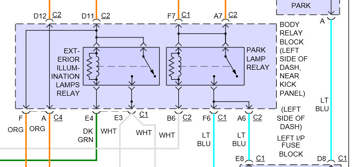
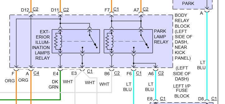
Cant turn on parking lights when engine is running, but it Works when i turn off the enginge.
the parling brake is on when i tried this
the parling brake is on when i tried this
Sep 23, 2015 at 3:52 AM
