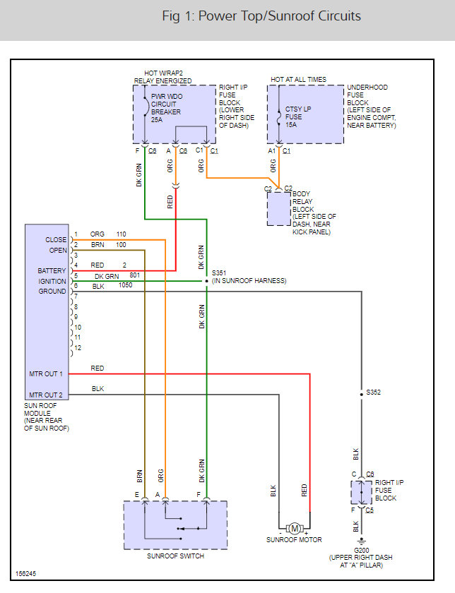
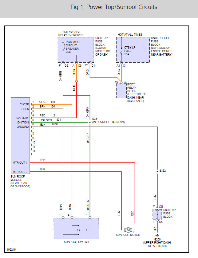
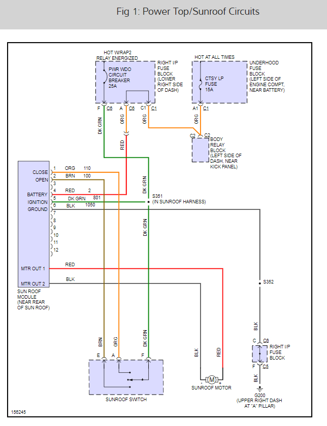
the switch is bad I am for sure of but the sunroof is stuck open and now i cant close it I have to go to the dealer to get the switch and since it is Sunday they are all closed. I need it shut because it is going to rain tonight and tomorrow, so is there a way i can close it
Feb 23, 2014 at 2:04 PM




