Here is a diagnostic chart for you to try.(the hyperlinks won't work)
Temperature Control Inoperative
Step
Action
Value(s)
Yes
No
1
Was the HVAC Blower Controls System Check performed?
--
Go to Step 2
Go to HVAC Blower Controls System Check
2
Inspect the HVAC I fuse 21.
Is the fuse open?
--
Go to Step 20
Go to Step 3
3
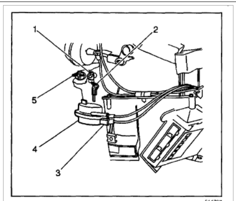
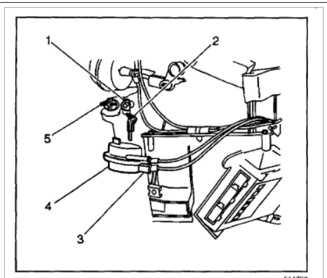
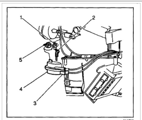
Disconnect the air temperature valve sensor.
Turn the ignition switch to the RUN position.
Move the headlamp switch to the PARK position.
Using the J 35616-A , connect a J 39200 Digital Multimeter (DMM) between cavity 8 (CKT 733) of the air temperature valve motor connector and ground.
Move the temperature control knob from the HOT position to the COLD position.
Does the voltage vary smoothly and continuously within the specified range?
0-12 V
Go to Step 4
Go to Step 9
4
Using the J 35616-A , connect a J 39200 DMM between cavity 10 (CKT 341) of the air temperature valve motor connector and ground.
Does the voltage equal the specified value?
B+
Go to Step 5
Go to Step 7
5
Using the J 35616-A , connect a J 39200 DMM between cavity 10 (CKT 341) and cavity 7 (CKT 1850) of the air temperature valve motor connector.
Does the voltage equal the specified value?
B+
Go to Step 6
Go to Step 8
6
Replace the air temperature valve motor. Refer to Temperature Actuator Replacement .
Is the repair complete?
--
Go to HVAC Blower Controls System Check
--
7
Locate and repair the open or high resistance in CKT 341 between the IP fuse block HVAC I fuse 21 and air temperature valve motor.
Is the repair complete?
--
Go to HVAC Blower Controls System Check
--
8
Locate and repair the open or high resistance in CKT 1850 between the air temperature valve motor and G200.
Is the repair complete?
--
Go to HVAC Blower Controls System Check
--
9
Did the voltage remain at or near the specified value regardless of the temperature control knob position?
B+
Go to Step 10
Go to Step 15
10
Disconnect the heater controller/heater and A/C controller connector C3.
Using the J 39200 DMM, backprobe the jumpers at C3 terminal A (CKT 341) to terminal C (CKT 1050).
Turn the ignition switch to the RUN position.
Move the headlamp switch to the PARK position.
Measure the voltage drop.
Does the voltage equal the specified value?
B+
Go to Step 11
Go to Step 12
11
Replace the heater controller/heater and A/C controller. Refer to Control Assembly Replacement .
Is the repair complete?
--
Go to HVAC Blower Controls System Check
--
12
Move the headlamp switch to the OFF position.
Does the voltage equal the specified value?
B+
Go to Step 13
Go to Step 14
13
Locate and repair the high resistance in CKT 1050 between splice pack SP203 and G203.
Is the repair complete?
--
Go to HVAC Blower Controls System Check
--
14
Locate and repair the open or high resistance in CKT 1050 between the heater controller/heater and A/C controller connector C3 terminal C and splice pack SP203.
Is the repair complete?
--
Go to HVAC Blower Controls System Check
--
15
Did the voltage remain at or near the specified value regardless of the temperature control knob position?
0 V
Go to Step 16
Go to Step 10
16
Disconnect the heater controller/heater and A/C controller connector C3.
Using the J 35616-A , construct jumper leads in order to connect all of the connector C3 cavities to the appropriate terminals at the controller.
Using the J 39200 DMM, backprobe the jumper at C3 terminal B (CKT 733) to ground.
Turn the ignition switch to the RUN position.
Move the headlamp switch to the PARK position.
Move the temperature control knob from the HOT position to the COLD position.
Does the voltage vary smoothly and continuously within the specified range?
0-12 V
Go to Step 17
Go to Step 18
17
Repair the open or high resistance in CKT 733 between the heater controller/heater and A/C controller and the air temperature valve sensor.
Is the repair complete?
--
Go to HVAC Blower Controls System Check
--
18
Using the J 39200 , backprobe at the heater controller/heater and A/C controller connector C3 terminal A and terminal C in order to measure the voltage drop.
Does the voltage equal the specified value?
B+
Go to Step 23
Go to Step 19
19
Using the J 39200 , backprobe at the heater controller/heater and A/C controller connector C3 terminal A and ground in order to measure the voltage drop.
Does the voltage equal the specified value?
B+
Go to Step 11
Go to Step 7
20
Using the J 39200 DMM, probe the HVAC I fuse 21 test points.
Does the J 39200 DMM display the specified value at both test points?
B+
Go to Step 21
Go to Step 22
21
Locate and repair the short to ground in CKT 341 between the IP fuse block and the heater controller/heater and A/C controller connector C3 terminal A.
Is the repair complete?
--
Go to HVAC Blower Controls System Check
--
22
Locate and repair the open in CKT 300 between the IP fuse block and the ignition switch. Refer to Power Distribution Schematics in Wiring Systems.
Is the repair complete?
--
Go to HVAC Blower Controls System Check
--
23
Disconnect the jumper at the heater controller/heater and A/C controller connector C3 terminal B. Do not disconnect the jumper from the controller.
Measure the voltage at terminal B of the controller at the disconnected end of the jumper.
Disconnect the air temperature valve sensor.
Move the temperature control from the HOT position to the COLD position.
Does the voltage vary smoothly and continuously within the specified range?
0-12 V
Go to Step 24
Go to Step 11
24
Repair the short to ground in CKT 733 between the heater controller/heater and A/C controller connector C3 terminal B and the air temperature valve sensor.
Is the repair complete?
--
Go to HVAC Blower Controls System Check
Feb 15, 2019 at 6:20 PM
(Merged)