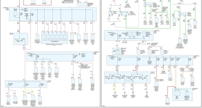
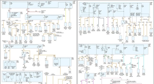
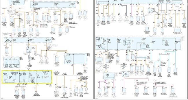
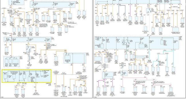
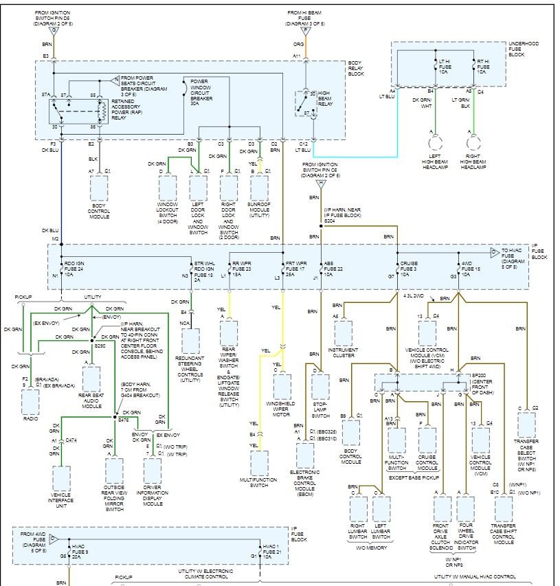
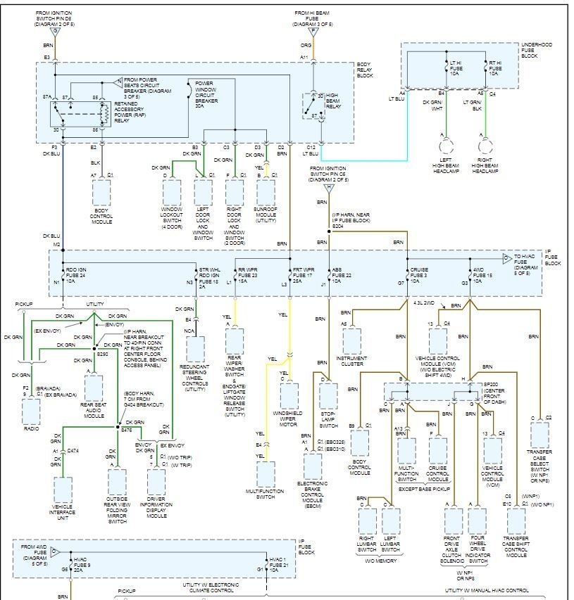
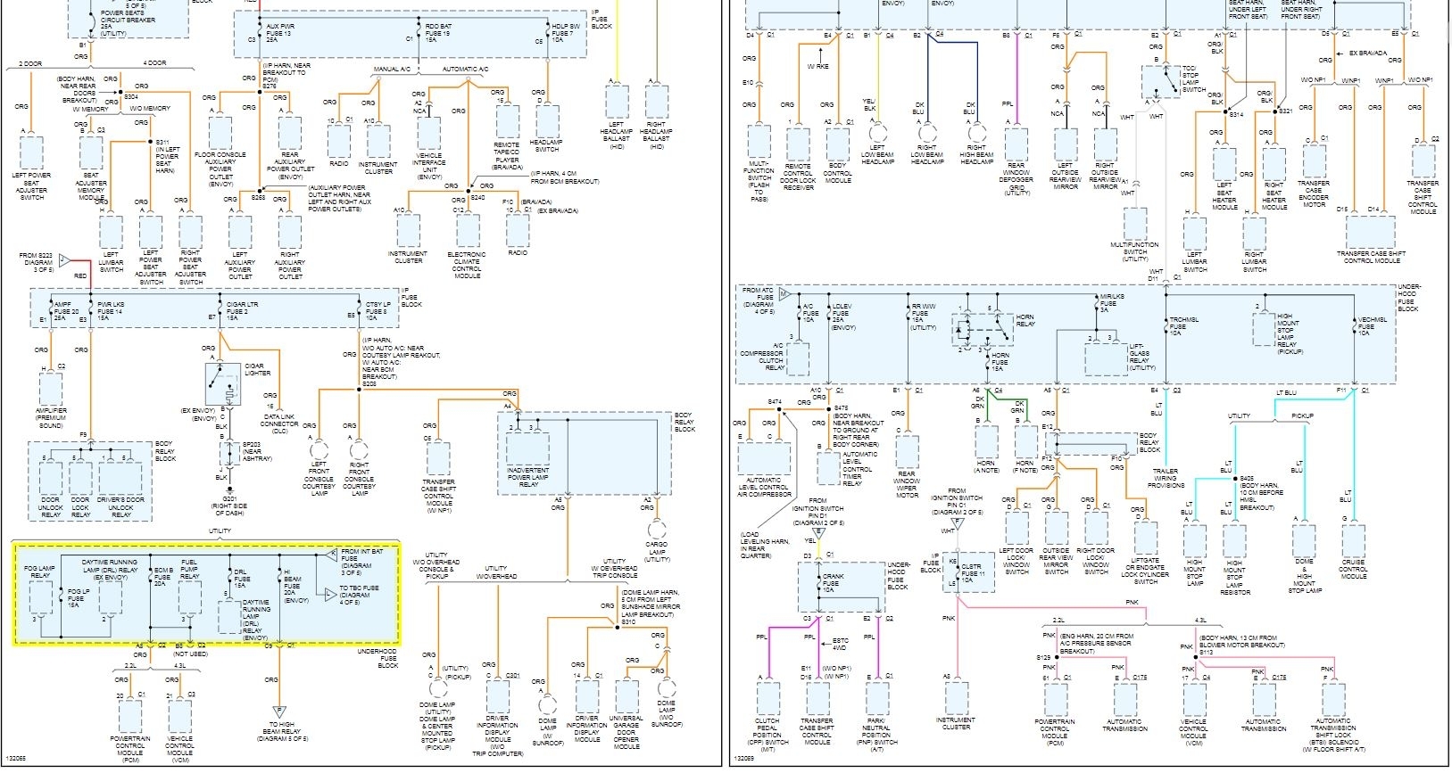
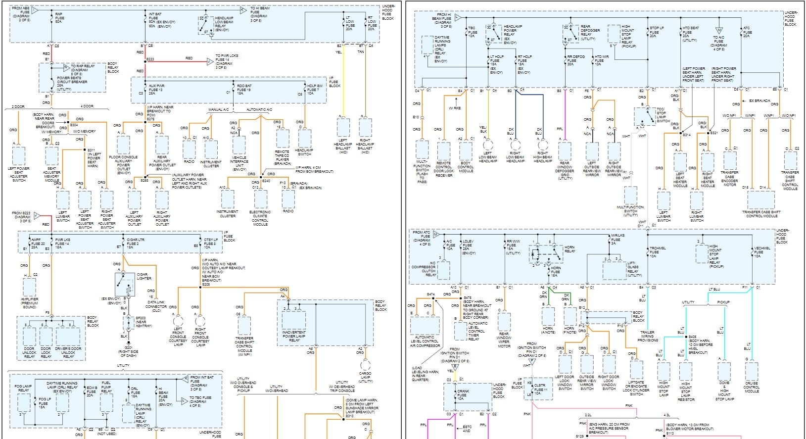
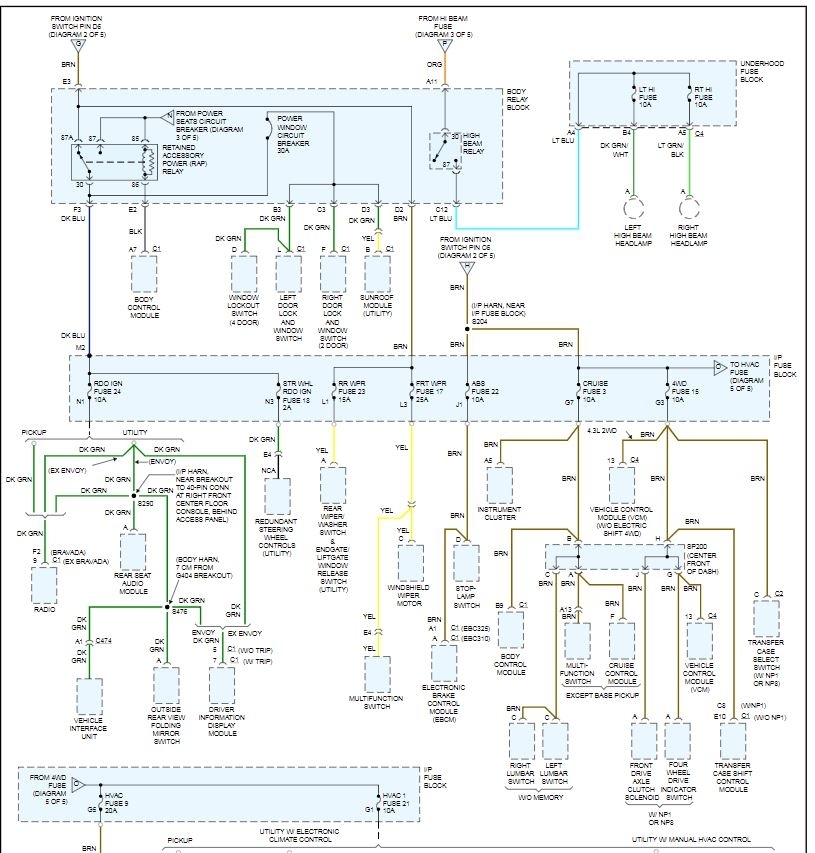
I tried to do some welding without disconnecting the neg. cable. This apparently fried the starter relay inside the fuse box because it got to a point where it wouldn't stars without a light charge. Replaced the relay & things were going fine but this week when i don't use the truck every day the battery drains down to the point that a light charge ( maybe 2 mins) is needed & then I can go all day. Charging system, battery, starter all check out in good to excellent condition according to O'Reillys tester. we have an abnormal amount of pot-holes here & I'm wondering if something got shaken slightly loose or do I need to check the fuse box can I get diagrams please?
Apr 8, 2014 at 6:55 AM





































