my car brake lights are not working but all other lights are working please can you give me solution and location for the fuse?
May 25, 2012 at 4:02 PM
Advertisement
FIXITMR
CERTIFIED EXPERT
9,990 POSTS
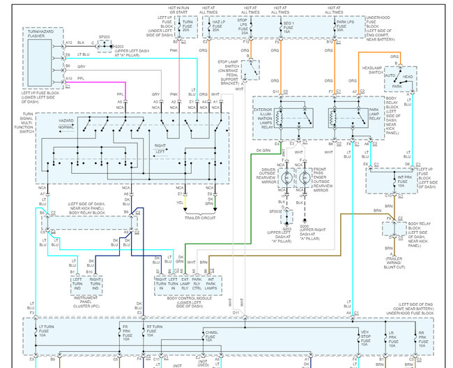
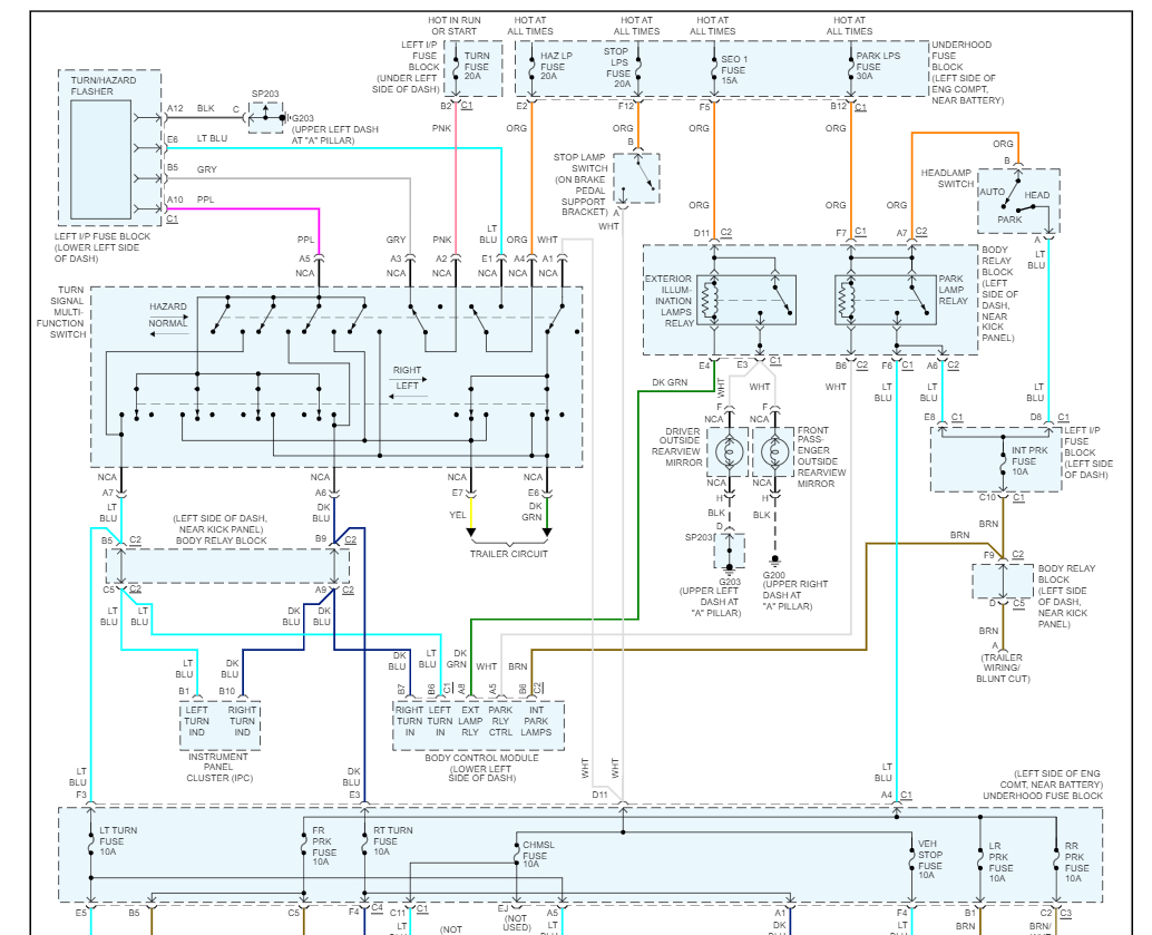
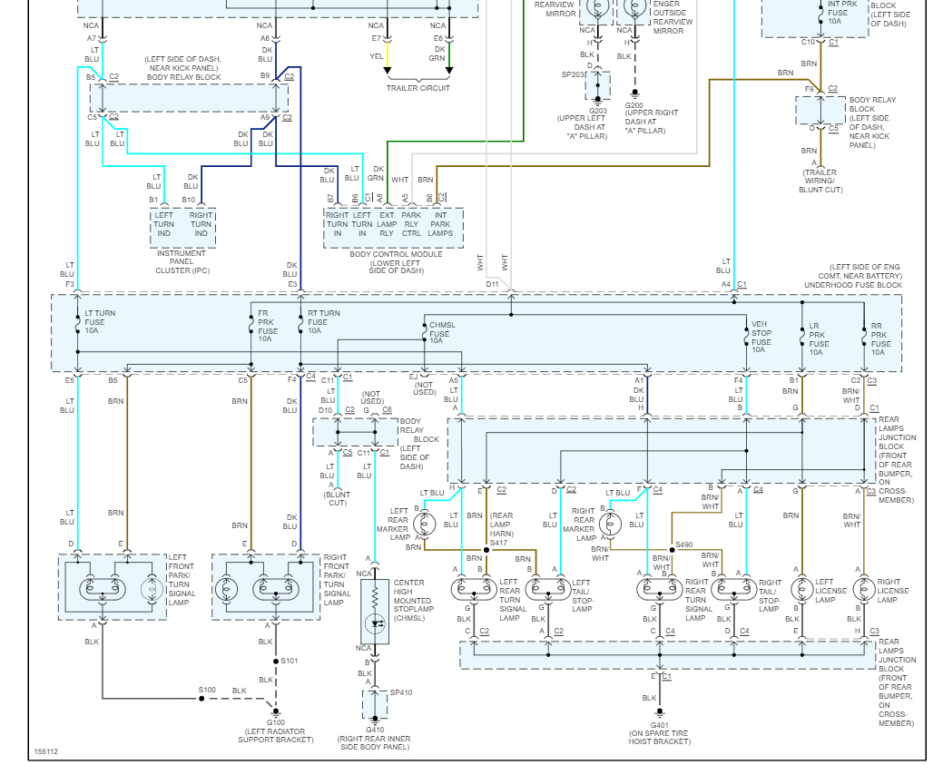
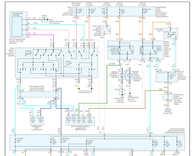
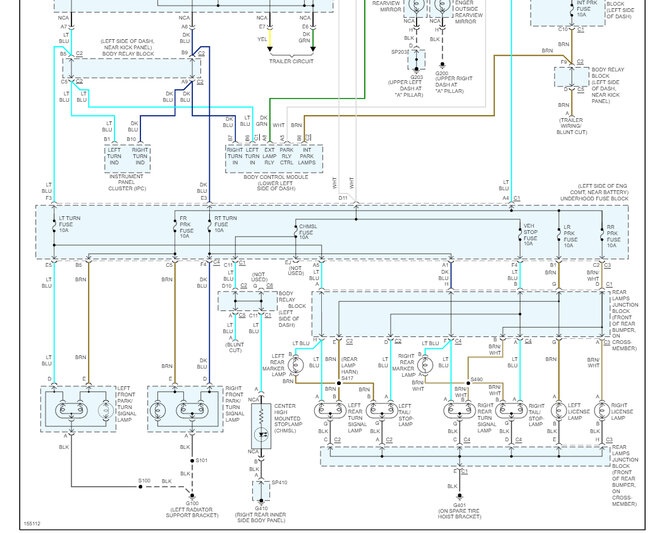
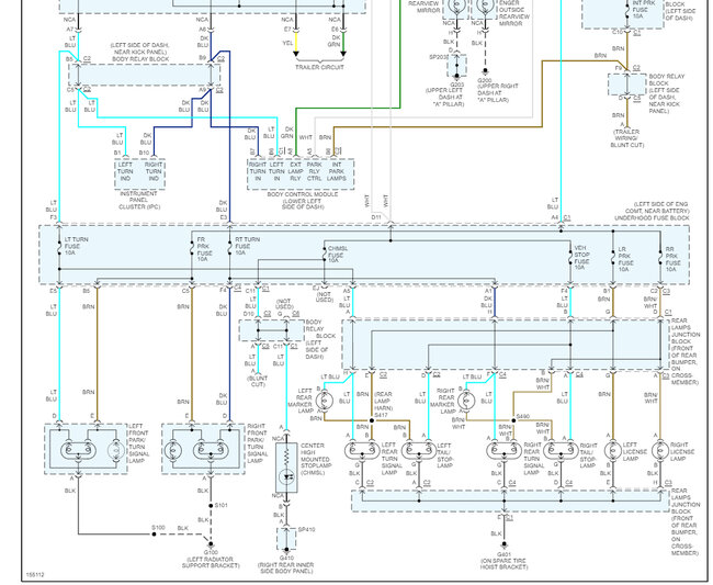
In the underhood fuse panel please check the STOP LPS fuse. Here is a guide to help and the fuse location in the images below I have included the brake light wiring diagrams so you can see how the system works as well. This guide may help as well