2002 Buick Lesabre a/c clutch not kicking.

2002 BUICK LESABRE
125,000 MILES • 3.8L • 6 CYL • FWD • AUTOMATIC
Avatar
JOHNOAKLEY
  • MEMBER
  • 1 POST
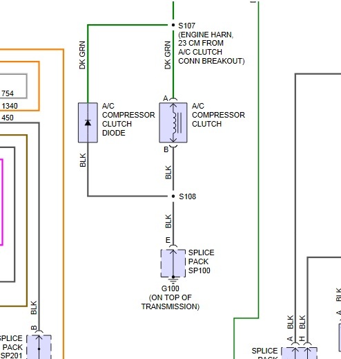
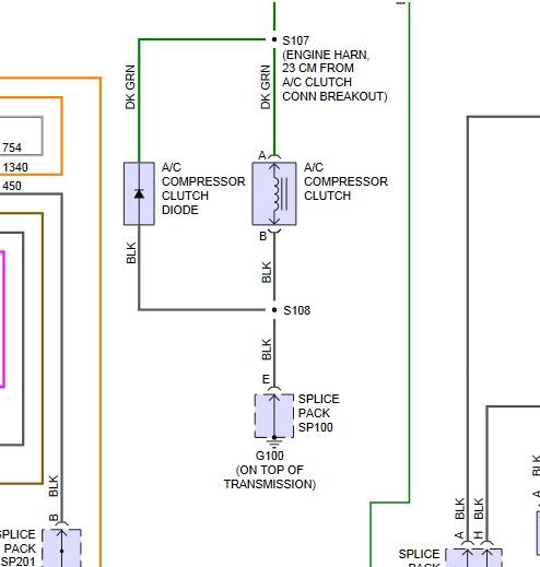
Ok I have tested the wires into the a c clutch. Im getting 12v hot to both wires on plug. I know one needs to be a ground in order for the clutch to operate. The trans was swapped by a shade tree mecanic.i need to know if it is possible if he hooked a ground to the wrong place. System is fully charged event replaced transducer switch. I belive that the clutch cycles with the ground. And the ground is directly supplied by the ecm. Any help would be greatly appreciated.
Apr 8, 2014 at 2:11 PM
Advertisement
Avatar
JDL
  • CERTIFIED EXPERT
  • 16,098 POSTS
The compressor ground is constant. Your description sounds like, no ground. The ground point says to be on top of transmission. The relay controls voltage to compressor. The pcm controls ground for coil side of relay.
Mar 22, 2021 at 11:25 AM