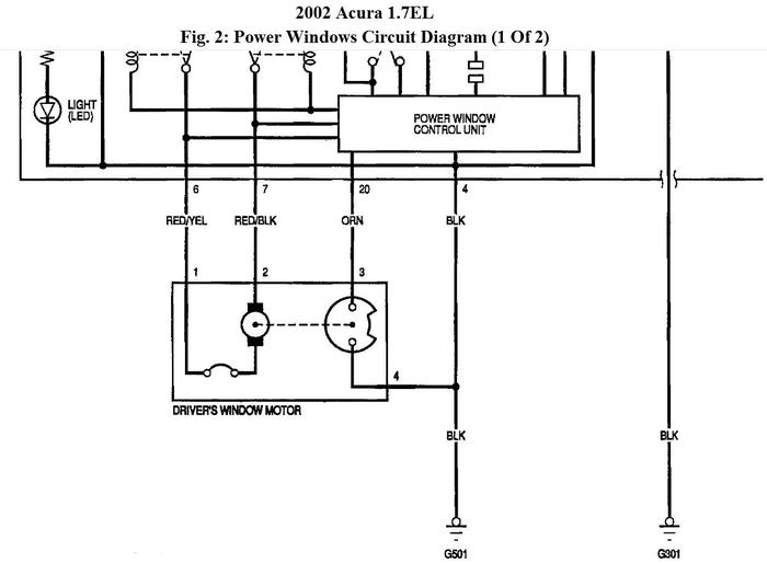
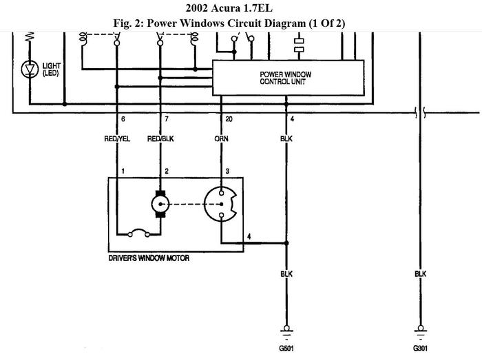
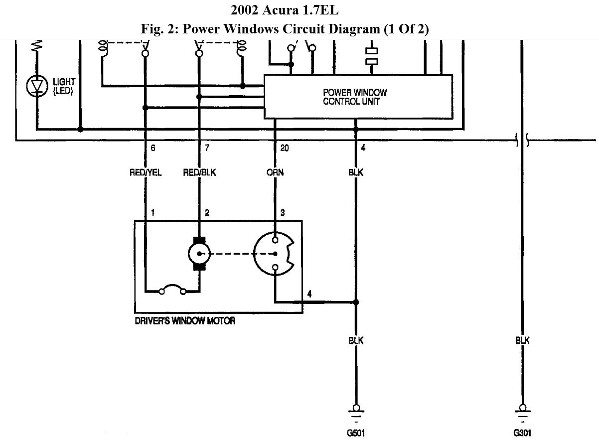
I have an issue with my back rear windows. There doesnt seem to be any power getting to them. I tested the connections and its not getting power. Could you please provide me with a wiring diagram for the windows so i can rewire it to get power? This would be greatly appreciated :) Thank you!
Apr 8, 2013 at 12:46 AM



