i'm sending a picture hopefully i've found the correct thing you are looking for. list i' m including is for picture
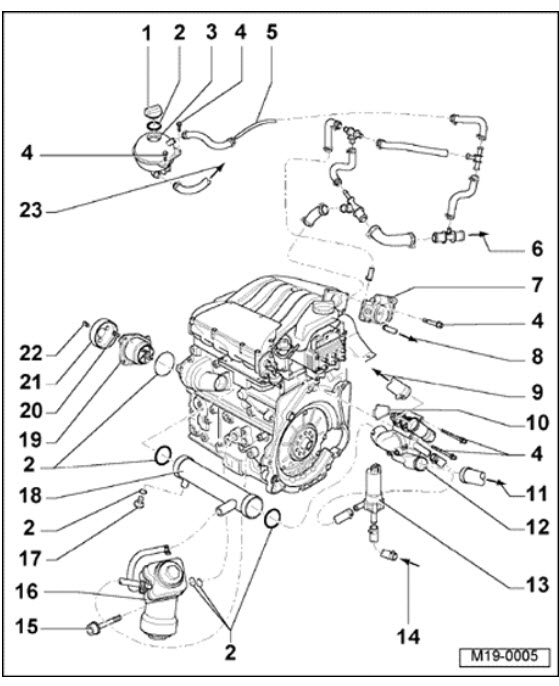
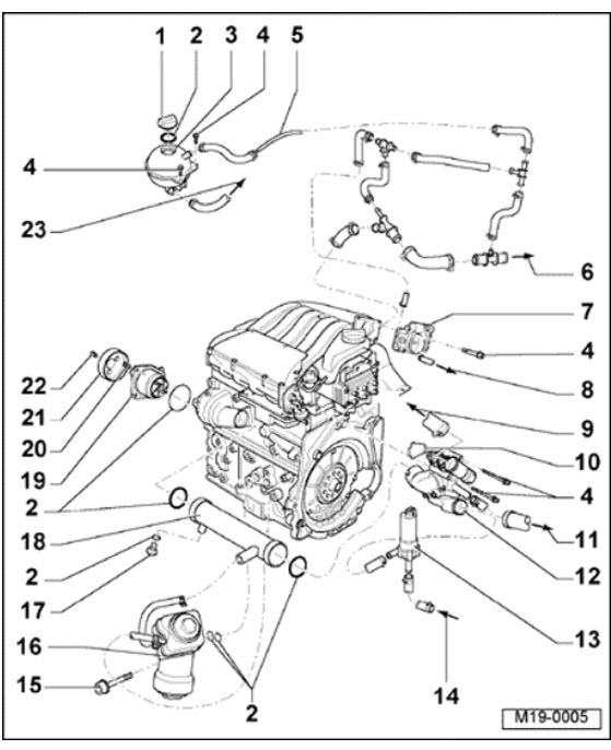
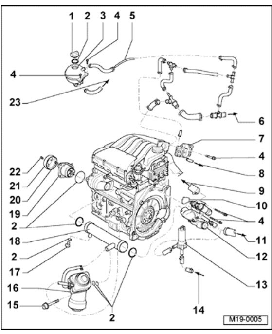
1 Pressure cap
? Check with cooling system tester VAG 1274 and adapter VAG 1274/9
? Test pressure 1.4 1.6 bar
2 O Ring
? Replace if damaged
3 Coolant expansion tank
? Check for leaks in cooling system using cooling system tester VAG 1274 and adapter VAG 1274/8
4 10 Nm
5 Upper coolant pipe
? Clipped into the bulkhead
? Coolant hoses, connection diagram, refer to Coolant hoses, connection diagram
6 To heat exchanger
? Coolant hoses, connection diagram, refer to Coolant hoses, connection diagram
7 Throttle valve control module J338
? Heated by coolant
8 To upper coolant hose
? Coolant hoses, connection diagram, refer to Coolant hoses, connection diagram
9 To upper radiator
? Coolant hoses, connection diagram, refer to Coolant hoses, connection diagram
10 Gasket
12 Thermostat housing
? Disassembling and assembling, refer to Thermostat housing, disassembling and assembling
13 After run coolant pump V51
? Check, refer to After Run Coolant pump V51 , checking
14 From heat exchanger
? Coolant hoses, connection diagram, refer to Coolant hoses, connection diagram
15 25 Nm
16 Oil cooler
? Coat contact surfaces outside of sealing ring with sealant AMV 188 001 02
? Make sure free movement among surrounding components
? See Note, refer to Lubrication system components, removing and installing
17 Screw plug
18 Coolant pipe
? Coolant hoses, connection diagram, refer to Coolant hoses, connection diagram
19 Coolant pump
Feb 15, 2012 at 8:50 PM