2001 HZJ79R Speedo doesnt work and need some help with the problem

2001 TOYOTA LANDCRUISER
108,000 MILES
Avatar
JACOB C
  • MEMBER
  • 1 POST
I have a 2001 HZJ79R and the speedo isn't working. I found out how to test the speedo sensor and found out that wasn't the problem then checked the back of the dash and managed to get a working reading off of the connections. I've pulled apart the dash and found no resistance on the rear of the instrument cluster and now I'm stuck on what to check next. Any ideas?
Mar 15, 2012 at 4:42 PM
Advertisement
Avatar
DRCRANKNWRENCH
  • CERTIFIED EXPERT
  • 3,380 POSTS
If there is not resistance, that means there is a break in a wire somewhere as all connections and wires have some resistance. So, when none shows up it usually reads infinate resistance but your multi tester is doing the same thing more than likely. If it came with instructions check on, "Continuity test". Because zero resistance is impossible unless it is an open switch as every electrical component has some. you might try setting your multi-metter on most sensitive Ohm setting. It is probably correct though and you have a failure in the speedometer.
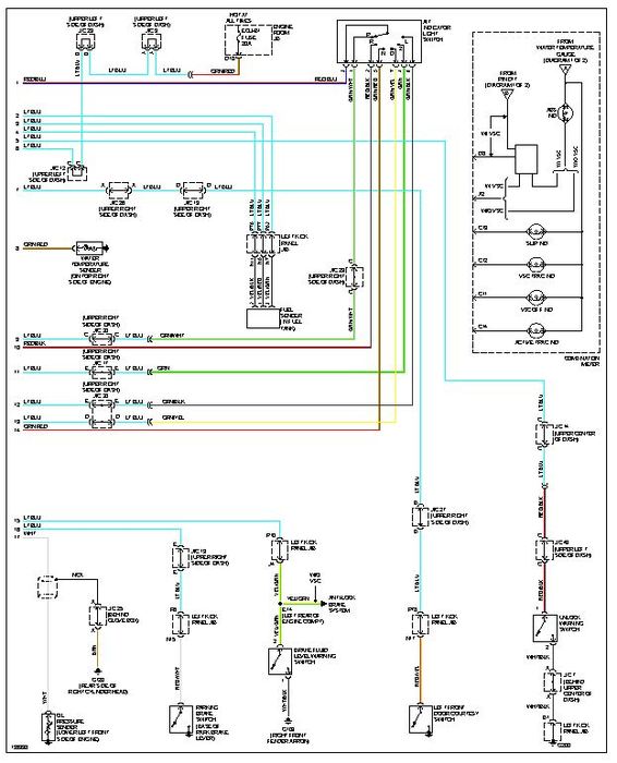
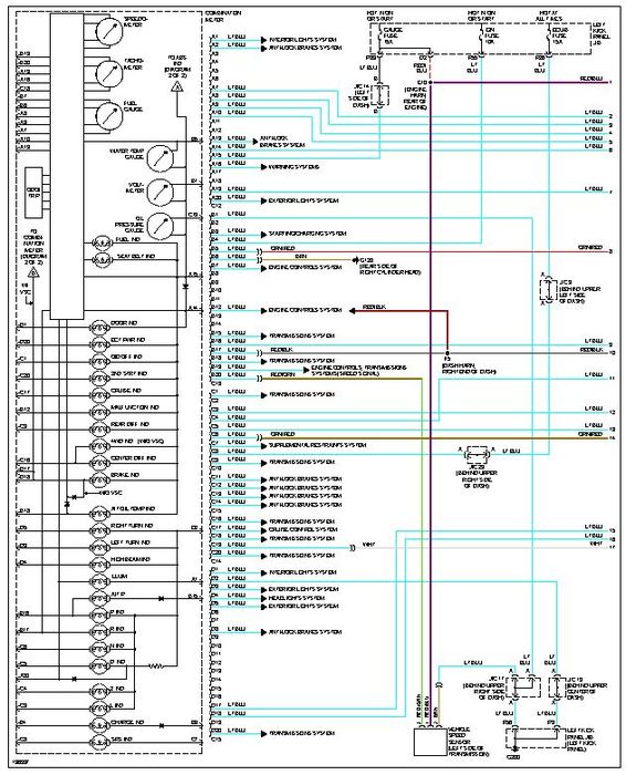
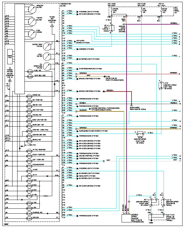
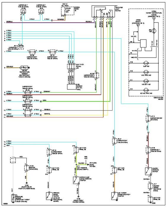
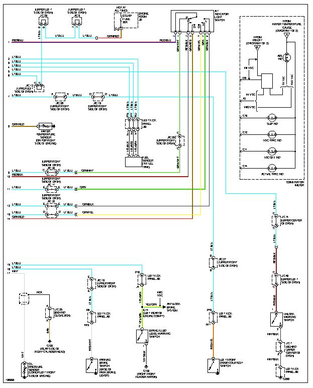
I am including a diagram of wiring for instruments to see if there is any possible zero resitance situation.
They are labeled; 1of2 and 2of2. If you put 1of 2 on left and the other on right you can line them up for full diagram. Note that GAUGE fuse in diagram 1 splits off for D2 function and Ground G200 in bottom right hand corner is important to check . In diagram 2 there is a switch called the"Locking Check Switch" near G200 in bottom right of diagram. It could be a source of failure. Just line the 2 up and note designations, such as D2 for the instruments, and you have to find them on the diagram to trace them. Other wires will line up when you put the 2 halves together.
Mar 15, 2012 at 5:02 PM