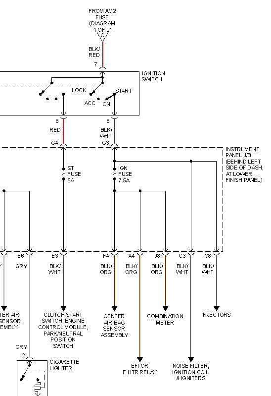
My Corolla's AM2 fuse keeps blowing, and when I replace it the engine will start up, but then the fuse will blow. This leads me to believe that there is a shortage of some sort but I don't know exactly where. I would like to know where the AM2 fuse leads to? And where to look
Jul 14, 2013 at 1:56 PM
