rear motor mount

2001 TOYOTA CAMRY
6 CYL • FWD
Avatar
PAULYZ
  • MEMBER
  • 1 POST
were are the rear motor mount on a toyota camry 2001
Jan 10, 2011 at 3:57 PM
Advertisement
Avatar
JDL
  • CERTIFIED EXPERT
  • 16,098 POSTS
Hello,

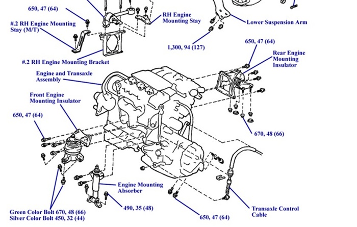
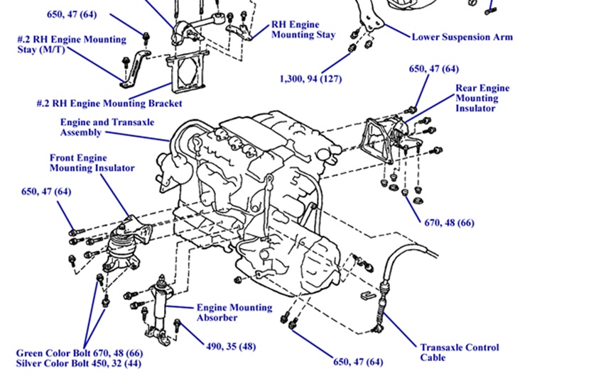
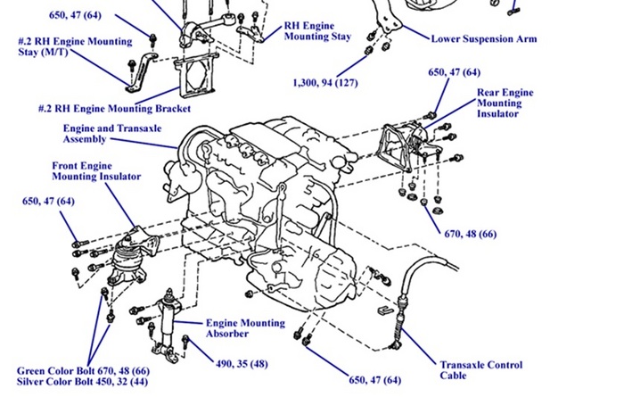
I Found this picture for motor mounts, hope it helps. Check out the diagrams (Below). Please let us know if you need anything else to get the problem fixed.
Mar 8, 2011 at 7:23 PM
Avatar
ALPWRITER
  • MEMBER
  • 6 POSTS
upper motor mount broken, started the sound today, never heard it before, cause it to shift erratically,......
Mar 4, 2019 at 5:58 PM (Merged)
Advertisement
Avatar
SATURNTECH9
  • CERTIFIED EXPERT
  • 30,869 POSTS
A broken engine can cause vibration rattles noises etc.But eratic shifting no.What kind of shifting are you having?
Mar 4, 2019 at 5:58 PM (Merged)
Avatar
ALPWRITER
  • MEMBER
  • 6 POSTS
I installed the upper dogbone mount, put it in gear and you don't hear it any more,BUT you can hear a very slow clanking sound at idle from transmission, In gear at higher speed you can still hear that very slow clank sound....What are your thoughts?
Mar 4, 2019 at 5:58 PM (Merged)
Avatar
MHPAUTOS
  • CERTIFIED EXPERT
  • 31,937 POSTS
Is it constant and dose it vary with either engine or road speed?
Mar 4, 2019 at 5:58 PM (Merged)
Avatar
SATURNTECH9
  • CERTIFIED EXPERT
  • 30,869 POSTS
Also have you inspected the other engine and transmission mounts for damage colasping?
Mar 4, 2019 at 5:58 PM (Merged)
Avatar
CALVAREZ825
  • MEMBER
  • 1 POST
Hello

I need to chance my motor mounts from my camry but I dont know.How many motor mounts are in my camry?Aslo how hard is to chance some motor mounts?
Mar 4, 2019 at 5:58 PM (Merged)
Avatar
MHPAUTOS
  • CERTIFIED EXPERT
  • 31,937 POSTS
Hi there,

There are 4 mounts for engine & trans axle, the rear is the hardest to get to but on a hoist it is not so bad, the side transmission mount is the next hardest, the other two are fairly easy.

mark (mhpautos)
Mar 4, 2019 at 5:58 PM (Merged)
Avatar
ALPWRITER
  • MEMBER
  • 6 POSTS
I took the valve cover off to see if I could see anything on top or down the timing chain, nothing so far,,,,I also took the serpentine belt off, and could still hear it. There is no miss in the engine, car runs great except for the sound. almost sounds like timing chain is hitting against a tin part of cover or something to that effect. Anything else before it has to be torn down again?
Mar 4, 2019 at 5:58 PM (Merged)
Avatar
ALPWRITER
  • MEMBER
  • 6 POSTS
oh yeah, I inspected the other mounts and balancer,It looks like it is wobbling a bit. It doesn't seem to get louder or anything with acceleration it does go faster and slower with speed. It seems to get quieter with air conditioning. That may be just because of the load put on the engine.No trouble codes when I scanned the computer. I am hoping not to tear it down, but it looks like I may have to.
Mar 4, 2019 at 5:58 PM (Merged)
Avatar
SATURNTECH9
  • CERTIFIED EXPERT
  • 30,869 POSTS
I thought you said you hear the noise coming from the transmission?If thats the case why take off the valve cover etc?
Mar 4, 2019 at 5:58 PM (Merged)
Avatar
ALPWRITER
  • MEMBER
  • 6 POSTS
The way that sound travels with metal, I did think it was coming from trans, now that I have got more into it, I don't think so. Have any suggestions?........By the way the way it was hard shifting gears, has stopped since I cleaned the mass air flow system and installed a new air filter. The filter was really bad.
Mar 4, 2019 at 5:58 PM (Merged)
Avatar
GREENWEENEY
  • MEMBER
  • 1 POST
I have recently noticed small hydraulic leak that seems to originate from an engine mount. How serious of a problem is this?
Mar 4, 2019 at 5:58 PM (Merged)
Avatar
ZACKMAN
  • CERTIFIED EXPERT
  • 4,202 POSTS
By itself, not really serious. I guess it depends on your definition of "serious". The problem with bad engine mount is this: the vibration that is not dampened by the mount will now travel to other parts of the engine and will a broken mount will affect other mounts.

Depending on which mount that is bad. If the front or rear, now your engine will "flex" forward and back with every acceleration and deceleration. This create stress to your exhaust system. If it is the dog-bone (front engine - by the belts), the engine will flex side to side, which will transfer stress to transmission.
Mar 4, 2019 at 5:58 PM (Merged)
Avatar
SATURNTECH9
  • CERTIFIED EXPERT
  • 30,869 POSTS
Did you look for slack in the timing chain also turning the engine over and looking for slack worn guides etc?
Mar 4, 2019 at 5:58 PM (Merged)
Avatar
ALPWRITER
  • MEMBER
  • 6 POSTS
I will check that, thanks for the help,I did check the tension on the chain, but I never tried to turn it by hand.I just had it towed today. it stopped on my daughter, I guess I will see what the problem is now!
Mar 4, 2019 at 5:58 PM (Merged)
Avatar
SATURNTECH9
  • CERTIFIED EXPERT
  • 30,869 POSTS
Alright keep me posted.
Mar 4, 2019 at 5:58 PM (Merged)
Avatar
STREET RAT
  • MEMBER
  • 5 POSTS
My front end shimmys at 40-45 mph. I gets worse with hard acceleration. Above and below this speed everything is fine. How do I know if this is a transmission problem and not a motor mount or chassis problem?
Mar 4, 2019 at 5:58 PM (Merged)
Avatar
KHLOW2008
  • CERTIFIED EXPERT
  • 41,814 POSTS
Hi Street Rat,

Thank you for the donation.

For bad engine mounts, there would be vibrations when gears are engaged while stopped.

Chassis problem would not cause vibrations. Vehicle might be drifting to either side and unstable.

Transmission seldom vibrates and if they do, it would normlly be via the drive trains.

The problem is more likely to be the drive trains. Check if the CV shaft inner joints have excessive side play. Look out for torn rubber boots.
Mar 4, 2019 at 5:58 PM (Merged)
Avatar
STREET RAT
  • MEMBER
  • 5 POSTS
Found out to be CV joint on outer left side.
Mar 4, 2019 at 5:58 PM (Merged)
Avatar
KHLOW2008
  • CERTIFIED EXPERT
  • 41,814 POSTS
The outer CV joints would emit crocking noises while accelerating during turns but seldom causes vibrations.

Check if the inner joints lacks lubrications.
Mar 4, 2019 at 5:58 PM (Merged)
Avatar
TOOYOUNGTOKNOW
  • MEMBER
  • 1 POST
So I drive a 1994 Toyota Camry with 200,000+ miles on it. The other day while I was driving it starting shaking and making this HORRIBLE noise like we were dragging tin cans under the car. The fluids are fine, the belts are tight, the bolts are all tight, and the car is still shifting fine. What in the world else could it be? My grandpa says the motor mounts are a little loose and that that's the problem, but I really don't see how the motor mounts could cause this much wiggle and noise.
Mar 4, 2019 at 5:58 PM (Merged)
Avatar
MHPAUTOS
  • CERTIFIED EXPERT
  • 31,937 POSTS
Hi there, i would have the exhaust checked for a broken baffle plate, this will sound like a tin can with marbles rattling in side, as these are internal, you won't see anything, with the exhaust cold, give each muffler a thump with your fist, you will soon hear if theres a problem inside, have this checked first.

mark (mhpautos)
Mar 4, 2019 at 5:58 PM (Merged)