How much does it cost to repair bottom frame of the car?

2001 SATURN SC2
Avatar
LUCIAPRADO
  • MEMBER
  • 1 POST
frame repair cost, my car hit an island how much am i expecting to pay for this damage
Nov 24, 2010 at 6:16 PM
Advertisement
Avatar
HMAC300
  • CERTIFIED EXPERT
  • 48,601 POSTS
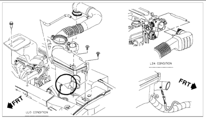
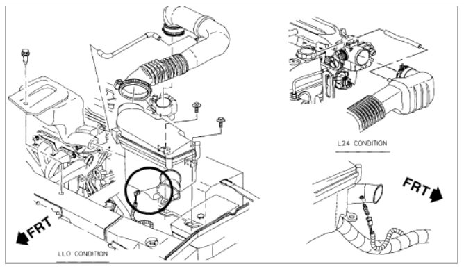
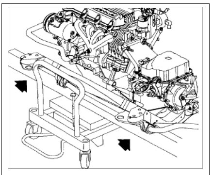
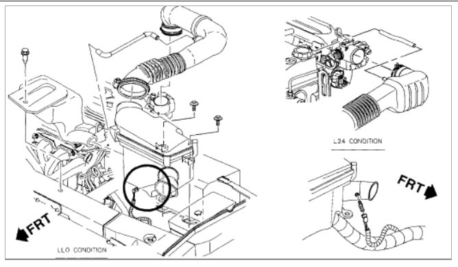
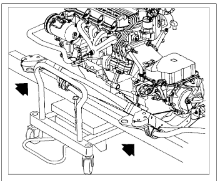
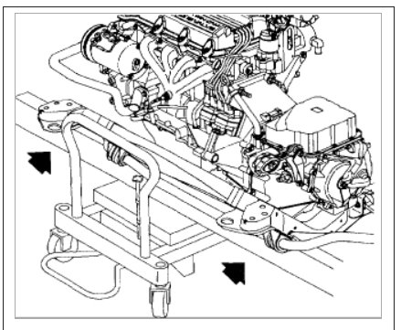
it depends which part of the frame is bent it might lead to a total replacement of the engine cradle. You can find a used cradle for about $300.00 and just replace it which will run about $1200.00

Check out the diagrams (Below)

Please let us know what happens.

Cheers
Nov 24, 2010 at 7:23 PM