2001 sunfire won't shut down

2001 PONTIAC SUNFIRE
230 MILES • 4 CYL • AUTOMATIC
Avatar
LITTLEMISS
  • MEMBER
  • 1 POST
2001 sunfire wont shut off have to remove battery post put in new battery & starter & check them again there good no keys needed
when you touch battery posts again car starting help please
Apr 4, 2011 at 5:28 PM
Advertisement
Avatar
JDL
  • CERTIFIED EXPERT
  • 16,098 POSTS
Is it just cranking or does it actually start? Check the feed to and from ignition switch.
Apr 4, 2011 at 5:32 PM
Avatar
JDL
  • CERTIFIED EXPERT
  • 16,098 POSTS
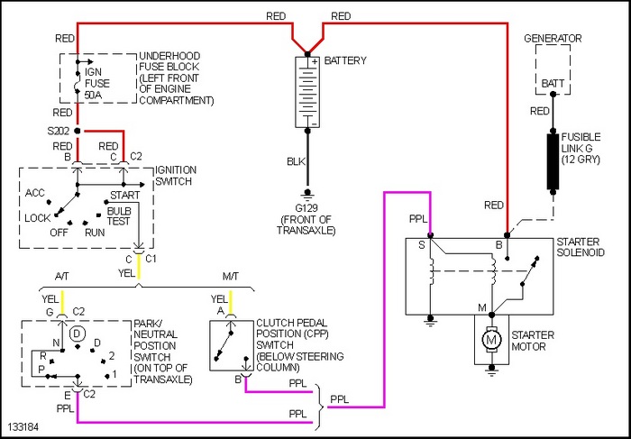
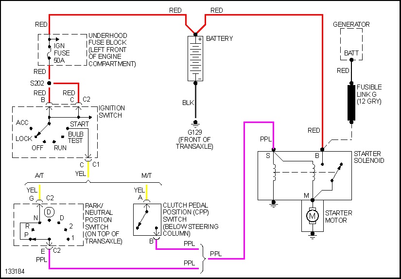
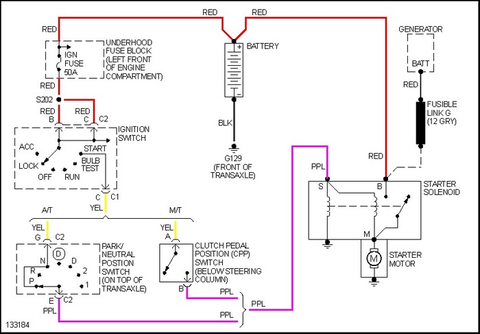
There is an early and late production starter system. I don't know which you have? Either way, the purple wire at the starter solenoid S terminal should not be hot unless key is in the crank position.
Apr 4, 2011 at 5:38 PM
Advertisement